0
TPS6521855
  • TPS6521855
  • TPS6521855

TPS6521855

ACTIVE

Power Management IC (PMIC) for TI AM64x

Texas Instruments TPS6521855 Product Info

1 April 2026 0

Parameters

Processor supplier

Texas Instruments

Processor name

Sitara AM64x

Product type

Processor and FPGA

Regulated outputs (#)

7

Step-down DC/DC converter

5

Step-up DC/DC converter

1

LDO

1

Vin (min) (V)

2.2

Vin (max) (V)

5.5

Vout (min) (V)

0.85

Vout (max) (V)

3.4

Iout (max) (A)

1.8

Configurability

Factory programmable

Features

Dynamic voltage scaling, Eco-mode, I2C control, Overcurrent protection, Power good, Power sequencing, Power supply and system monitoring, Thermal shutdown, UVLO adjustable

Rating

Catalog

Operating temperature range (°C)

-40 to 105

Step-down DC/DC controller

0

Step-up DC/DC controller

0

Iq (typ) (mA)

0.025

Switching frequency (max) (kHz)

2400

Shutdown current (ISD) (typ) (µA)

5

Switching frequency (typ) (kHz)

2400

Package

VQFN (RSL)-48-36 mm² 6 x 6

Features

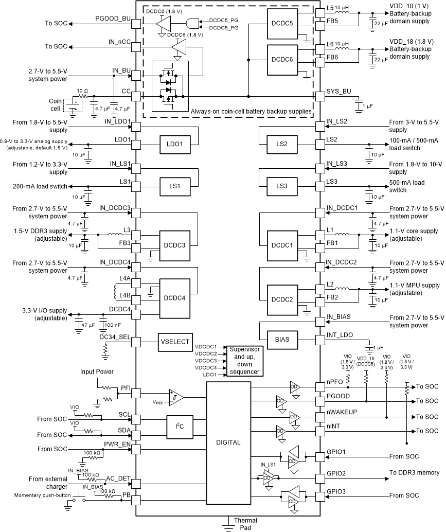
  • Three Adjustable Step-Down Converters With Integrated Switching FETs (DCDC1, DCDC2, and DCDC3):
    • DCDC1: 1.1-V Default, up to 1.8 A
    • DCDC2: 1.0-V Default, up to 1.8A
    • DCDC3: 1.8-V Default, up to 1.8 A
    • VIN Range From 2.7 V to 5.5 V
    • Adjustable Output Voltage Range 0.85 V to 1.675 V (DCDC1 and DCDC2)
    • Adjustable Output Voltage Range 0.9 V to 3.4 V (DCDC3)
    • Power Save Mode at Light Load Current
    • 100% Duty Cycle for Lowest Dropout
    • Active Output-Discharge When Disabled
  • One Adjustable Buck-Boost Converter With Integrated Switching FETs (DCDC4):
    • DCDC4: 2.5-V Default, up to 1.6 A
    • VIN Range from 2.7 V to 5.5 V
    • Adjustable Output Voltage Range from 1.175 V to 3.4 V
    • Active Output-Discharge When Disabled
  • Two Low-Quiescent Current, High Efficiency Step-Down Converters for Battery Backup Domain (DCDC5, DCDC6)
    • DCDC5: 1-V Output
    • DCDC6: 1.8-V Output
    • VIN Range from 2.2 V to 5.5 V
    • Supplied From System Power or Coin-Cell Backup Battery
  • Adjustable General-Purpose LDO (LDO1)
    • LDO1: 3.3-V Default up to 400 mA
    • VIN Range from 1.8 V to 5.5 V
    • Adjustable Output Voltage Range from 0.9 V to 3.4 V
    • Active Output-Discharge When Disabled
  • Low-Voltage Load Switch (LS1) With 350-mA Current Limit
    • VIN Range From 1.2 V to 3.6 V
    • 110-mΩ (Max) Switch Impedance at 1.35 V
  • 5-V Load Switch (LS2) With 100-mA or 500-mA Selectable Current Limit
    • VIN Range From to 5.5 V
    • 500-mΩ (Max) Switch Impedance at 5 V
  • High-Voltage Load Switch ( LS3) With 100-mA or 500-mA Selectable Current Limit
    • VIN Range From 1.8 V to 10 V
    • 500-mΩ (Max) Switch Impedance
  • Supervisor With Built-in Supervisor Function Monitors
    • DCDC1, DCDC2 ±4% Tolerance
    • DCDC3, DCDC4 ±5% Tolerance
    • LDO1 ±5% Tolerance
  • Protection, Diagnostics, and Control:
    • Undervoltage Lockout (UVLO)
    • Always-on Push-Button Monitor
    • Overtemperature Warning and Shutdown
    • Separate Power-Good Output for Backup and Main Supplies
    • I2C Interface (Address 0x24) (See Timing Requirements for I2C Operation at 400 kHz)
  • Three Adjustable Step-Down Converters With Integrated Switching FETs (DCDC1, DCDC2, and DCDC3):
    • DCDC1: 1.1-V Default, up to 1.8 A
    • DCDC2: 1.0-V Default, up to 1.8A
    • DCDC3: 1.8-V Default, up to 1.8 A
    • VIN Range From 2.7 V to 5.5 V
    • Adjustable Output Voltage Range 0.85 V to 1.675 V (DCDC1 and DCDC2)
    • Adjustable Output Voltage Range 0.9 V to 3.4 V (DCDC3)
    • Power Save Mode at Light Load Current
    • 100% Duty Cycle for Lowest Dropout
    • Active Output-Discharge When Disabled
  • One Adjustable Buck-Boost Converter With Integrated Switching FETs (DCDC4):
    • DCDC4: 2.5-V Default, up to 1.6 A
    • VIN Range from 2.7 V to 5.5 V
    • Adjustable Output Voltage Range from 1.175 V to 3.4 V
    • Active Output-Discharge When Disabled
  • Two Low-Quiescent Current, High Efficiency Step-Down Converters for Battery Backup Domain (DCDC5, DCDC6)
    • DCDC5: 1-V Output
    • DCDC6: 1.8-V Output
    • VIN Range from 2.2 V to 5.5 V
    • Supplied From System Power or Coin-Cell Backup Battery
  • Adjustable General-Purpose LDO (LDO1)
    • LDO1: 3.3-V Default up to 400 mA
    • VIN Range from 1.8 V to 5.5 V
    • Adjustable Output Voltage Range from 0.9 V to 3.4 V
    • Active Output-Discharge When Disabled
  • Low-Voltage Load Switch (LS1) With 350-mA Current Limit
    • VIN Range From 1.2 V to 3.6 V
    • 110-mΩ (Max) Switch Impedance at 1.35 V
  • 5-V Load Switch (LS2) With 100-mA or 500-mA Selectable Current Limit
    • VIN Range From to 5.5 V
    • 500-mΩ (Max) Switch Impedance at 5 V
  • High-Voltage Load Switch ( LS3) With 100-mA or 500-mA Selectable Current Limit
    • VIN Range From 1.8 V to 10 V
    • 500-mΩ (Max) Switch Impedance
  • Supervisor With Built-in Supervisor Function Monitors
    • DCDC1, DCDC2 ±4% Tolerance
    • DCDC3, DCDC4 ±5% Tolerance
    • LDO1 ±5% Tolerance
  • Protection, Diagnostics, and Control:
    • Undervoltage Lockout (UVLO)
    • Always-on Push-Button Monitor
    • Overtemperature Warning and Shutdown
    • Separate Power-Good Output for Backup and Main Supplies
    • I2C Interface (Address 0x24) (See Timing Requirements for I2C Operation at 400 kHz)

Description

The TPS6521855 is a single chip, power-management IC (PMIC) specifically designed to support the AM64x line of processors in both portable (Li-Ion battery) and nonportable (5-V adapter) applications. The device is characterized across a –40°C to +105°C temperature range, making it suitable for various industrial applications.

The TPS6521855 is a single chip, power-management IC (PMIC) specifically designed to support the AM64x line of processors in both portable (Li-Ion battery) and nonportable (5-V adapter) applications. The device is characterized across a –40°C to +105°C temperature range, making it suitable for various industrial applications.

Subscribe to Welllinkchips !
Your Name
* Email
Submit a request