0
TPS65193
  • TPS65193
  • TPS65193

TPS65193

ACTIVE

5-Channel Level Shifter for LCD Displays (Dual Channel Scan Driver)

Texas Instruments TPS65193 Product Info

1 April 2026 1

Parameters

Display type

LCD bipolar, LCD unipolar

IC integration

LCD level shifter

Applications

13 to 21 inches, 21 inches and above

Level shifter/scan driver (Ch)

5

Features

Charge sharing, Output discharge

Rating

Catalog

Operating temperature range (°C)

-40 to 85

Package

VQFN (RGE)-24-16 mm² 4 x 4

Features

  • Dual High-Voltage Scan Driver
  • Scan Driver Output Charge Share
  • High Output-Voltage Level: Up to 35 V
  • Low Output-Voltage Level: Down to –28 V
  • Logic-Level Inputs
  • 24-Pin 4-mm × 4-mm QFN package
  • APPLICATIONS
    • TFT LCD Using Amorphous Silicon Gate (ASG) Technology

  • Dual High-Voltage Scan Driver
  • Scan Driver Output Charge Share
  • High Output-Voltage Level: Up to 35 V
  • Low Output-Voltage Level: Down to –28 V
  • Logic-Level Inputs
  • 24-Pin 4-mm × 4-mm QFN package
  • APPLICATIONS
    • TFT LCD Using Amorphous Silicon Gate (ASG) Technology

Description

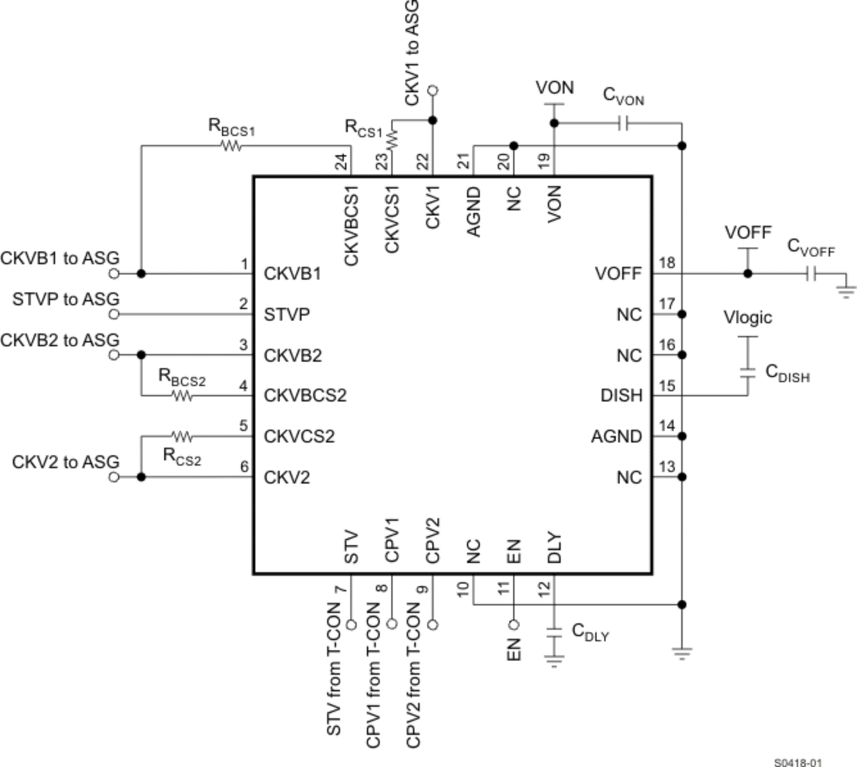
The TPS65193 is dual high-voltage scan driver to drive an amorphous-silicon-gate (ASG) circuit on TFT glass. Each single high-voltage scan driver receives logic-level inputs of CPVx and generates two high-voltage outputs of CKVx and CKVBx. The device receives a logic-level input of STV and generates a high-voltage output of STVP. These outputs are swings from Voff (–28 V) to Von (35 V) and are used to drive the ASG circuit and charge/discharge the capacitive loads of the TFT LCD. In order to reduce the power dissipation of the device, a charge-share function is implemented. The device features a discharge function, which shorts Voff to GND in order to shut down the panel faster when the LCD is turned off.

The TPS65193 is dual high-voltage scan driver to drive an amorphous-silicon-gate (ASG) circuit on TFT glass. Each single high-voltage scan driver receives logic-level inputs of CPVx and generates two high-voltage outputs of CKVx and CKVBx. The device receives a logic-level input of STV and generates a high-voltage output of STVP. These outputs are swings from Voff (–28 V) to Von (35 V) and are used to drive the ASG circuit and charge/discharge the capacitive loads of the TFT LCD. In order to reduce the power dissipation of the device, a charge-share function is implemented. The device features a discharge function, which shorts Voff to GND in order to shut down the panel faster when the LCD is turned off.