0
TPS62243-Q1
  • TPS62243-Q1
  • TPS62243-Q1

TPS62243-Q1

ACTIVE

2.25-MHz 300-mA Step-Down Converter in DDC/TSOT23 Package

Texas Instruments TPS62243-Q1 Product Info

1 April 2026 0

Parameters

Rating

Automotive

Topology

Buck

Iout (max) (A)

0.3

Vin (max) (V)

6

Vin (min) (V)

2

Vout (max) (V)

1.8

Vout (min) (V)

1.8

Features

Enable, Forced PWM, Light load efficiency, Synchronous Rectification, UVLO fixed

Control mode

Voltage mode

Operating temperature range (°C)

-40 to 125

Iq (typ) (A)

0.000015

Duty cycle (max) (%)

100

Package

SOT-23-THN (DDC)-5-8.12 mm² 2.9 x 2.8

Features

  • AEC-Q100 Qualified with following results:
    • Device Temperature Grade 1: -40°C to 125°C Operating Junction Temeperature Range
  • Output Current Up to 300 mA
  • VIN Range From 2 V to 6 V
  • 2.25-MHz Fixed-Frequency Operation in PWM Mode
  • Power-Save Mode at Light Load Currents
  • Output Voltage Accuracy in PWM Mode ±1.5%
  • Fixed Output Voltages
    • 1.80V TPS62243-Q1
    • 1.25V TPS62244-Q1
  • 15-µA Typical Quiescent Current
  • 100% Duty Cycle for Lowest Dropout
  • Available in a TSOT 23 (5) 2.90-mm × 1.60-mm Package
  • AEC-Q100 Qualified with following results:
    • Device Temperature Grade 1: -40°C to 125°C Operating Junction Temeperature Range
  • Output Current Up to 300 mA
  • VIN Range From 2 V to 6 V
  • 2.25-MHz Fixed-Frequency Operation in PWM Mode
  • Power-Save Mode at Light Load Currents
  • Output Voltage Accuracy in PWM Mode ±1.5%
  • Fixed Output Voltages
    • 1.80V TPS62243-Q1
    • 1.25V TPS62244-Q1
  • 15-µA Typical Quiescent Current
  • 100% Duty Cycle for Lowest Dropout
  • Available in a TSOT 23 (5) 2.90-mm × 1.60-mm Package

Description

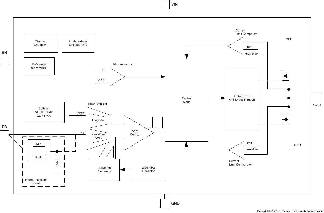
The TPS6224x-Q1 devices are high-efficiency synchronous DC/DC step-down converters providing a fixed output voltage and up to 300 mA of output current. They offer low power consumption for battery-powered/always-on automotive applications like Remote Keyless Entry (RKE) or Passive Entry Passive Start (PEPS) key fobs and base stations. With an input voltage range of 2 V to 6 V, the devices support applications powered by Li-MnO2 coin cell batteries, Li-Ion batteries, two- (2S) and three-cell (3S) alkaline, 3.3-V and 5-V input voltage rails. The TPS6224x-Q1 operate at a 2.25-MHz fixed switching frequency at high load current and enters the power-save mode operation at light load currents to maintain high efficiency and low power consumption over the entire load current range. The power-save mode is optimized for low output-voltage ripple. In the shutdown mode, the current consumption is reduced to less than 1 µA. The TPS6224x-Q1 allow the use of small inductors and capacitors to achieve a small solution size, and is available in a 5-pin TSOT23 package.

The TPS6224x-Q1 devices are high-efficiency synchronous DC/DC step-down converters providing a fixed output voltage and up to 300 mA of output current. They offer low power consumption for battery-powered/always-on automotive applications like Remote Keyless Entry (RKE) or Passive Entry Passive Start (PEPS) key fobs and base stations. With an input voltage range of 2 V to 6 V, the devices support applications powered by Li-MnO2 coin cell batteries, Li-Ion batteries, two- (2S) and three-cell (3S) alkaline, 3.3-V and 5-V input voltage rails. The TPS6224x-Q1 operate at a 2.25-MHz fixed switching frequency at high load current and enters the power-save mode operation at light load currents to maintain high efficiency and low power consumption over the entire load current range. The power-save mode is optimized for low output-voltage ripple. In the shutdown mode, the current consumption is reduced to less than 1 µA. The TPS6224x-Q1 allow the use of small inductors and capacitors to achieve a small solution size, and is available in a 5-pin TSOT23 package.

Subscribe to Welllinkchips !
Your Name
* Email
Submit a request