0
TPS62134D
  • TPS62134D
  • TPS62134D

TPS62134D

ACTIVE

17-V Input, Step-down Converter with Low Power Mode Input for Intel SkyLake Platform

Texas Instruments TPS62134D Product Info

1 April 2026 0

Parameters

Rating

Catalog

Topology

Buck

Iout (max) (A)

3.2

Vin (max) (V)

17

Vin (min) (V)

3

Vout (max) (V)

1

Vout (min) (V)

0.7

Features

Enable, Light Load Efficiency, Output discharge, Power good, Pre-Bias Start-Up, Synchronous Rectification

Control mode

Constant on-time (COT), DCS-Control

Operating temperature range (°C)

-40 to 85

Iq (typ) (A)

0.00002

Duty cycle (max) (%)

100

Package

VQFN (RGT)-16-9 mm² 3 x 3

Features

  • DCS-Control™ Architecture
  • Supports Low-Power Mode for System Standby Mode
  • Power Save Mode for Light Load Efficiency
  • Selectable Fixed Output Voltage (0.7 V to 1.05 V)
  • Low Power Mode Logic Input
  • Quiescent Current of 20 µA
  • Input Voltage Range: 3 V to 17 V
  • Output Current: up to 3.2 A
  • Programmable Soft Start
  • Power Good Output
  • Short Circuit Protection
  • Single-ended Remote Sense
  • Thermal Shutdown Protection
  • Available in a 3-mm × 3-mm, VQFN-16 Package
  • DCS-Control™ Architecture
  • Supports Low-Power Mode for System Standby Mode
  • Power Save Mode for Light Load Efficiency
  • Selectable Fixed Output Voltage (0.7 V to 1.05 V)
  • Low Power Mode Logic Input
  • Quiescent Current of 20 µA
  • Input Voltage Range: 3 V to 17 V
  • Output Current: up to 3.2 A
  • Programmable Soft Start
  • Power Good Output
  • Short Circuit Protection
  • Single-ended Remote Sense
  • Thermal Shutdown Protection
  • Available in a 3-mm × 3-mm, VQFN-16 Package

Description

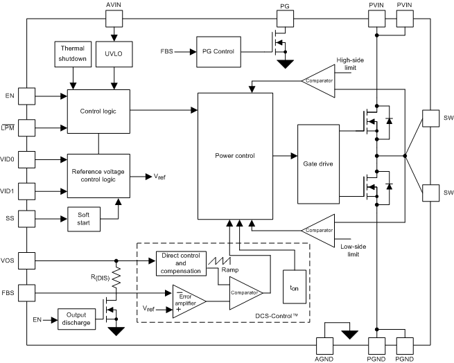
The TPS62134x family of devices is an easy-to-use, synchronous step-down DC-DC converter, compatible with Intel Skylake platform applications such as Ultrabooks™ and notebooks. The high performance DCS-Control™ architecture provides fast transient response as well as high output voltage accuracy.

With a wide operating input-voltage range of 3 to 17 V, the devices are ideally suited for systems powered from either a Li-Ion or other batteries as well as from 12-V intermediate power rails. The devices have a low-power mode where the output voltage is reduced by using the LPM pin. In addition, the devices support dynamic output-voltage change by using the VIDx pins. The LPM and VIDx pins help the system minimize power consumption in different operating modes.

The output-voltage startup ramp is controlled by the SS pin. The power sequencing is configurable by the enable (EN) and power good (PG) pins. In power-save mode, the devices show quiescent current of approximately 20 µA which maintains high efficiency over the entire load range. Short circuit protection and thermal shutdown protect the IC and external components from heavy current when the output is shorted to ground. The device is available in a 3-mm × 3-mm 16-pin VQFN package with thermal pad.

The TPS62134x family of devices is an easy-to-use, synchronous step-down DC-DC converter, compatible with Intel Skylake platform applications such as Ultrabooks™ and notebooks. The high performance DCS-Control™ architecture provides fast transient response as well as high output voltage accuracy.

With a wide operating input-voltage range of 3 to 17 V, the devices are ideally suited for systems powered from either a Li-Ion or other batteries as well as from 12-V intermediate power rails. The devices have a low-power mode where the output voltage is reduced by using the LPM pin. In addition, the devices support dynamic output-voltage change by using the VIDx pins. The LPM and VIDx pins help the system minimize power consumption in different operating modes.

The output-voltage startup ramp is controlled by the SS pin. The power sequencing is configurable by the enable (EN) and power good (PG) pins. In power-save mode, the devices show quiescent current of approximately 20 µA which maintains high efficiency over the entire load range. Short circuit protection and thermal shutdown protect the IC and external components from heavy current when the output is shorted to ground. The device is available in a 3-mm × 3-mm 16-pin VQFN package with thermal pad.

Subscribe to Welllinkchips !
Your Name
* Email
Submit a request