0
TPS61097A-33
  • TPS61097A-33
  • TPS61097A-33

TPS61097A-33

ACTIVE

0.9Vin, 3.3Vout Boost Converter with Bypass Switch - 5nA Shutdown Current

Texas Instruments TPS61097A-33 Product Info

1 April 2026 0

Parameters

Rating

Catalog

Topology

Boost

Vin (max) (V)

5.5

Vin (min) (V)

0.9

Vout (max) (V)

3.3

Vout (min) (V)

3.3

Switch current limit (typ) (A)

0.4

Features

Pass-through mode, Synchronous rectification

Operating temperature range (°C)

-40 to 125

Iq (typ) (A)

0.000007

Duty cycle (max) (%)

100

Package

SOT-23 (DBV)-5-8.12 mm² 2.9 x 2.8

Features

  • Up to 93% Efficiency at Typical Operating
    Conditions
  • Connection from Battery to Load via Bypass
    Switch in Shutdown Mode
  • Typical Shutdown Current Less Than 5 nA
  • Typical Quiescent Current Less Than 5 µA
  • Operating Input Voltage Range
    From 0.9 V to 5.5 V
  • Power-Save Mode for Improved Efficiency at
    Low Output Power
  • Overtemperature Protection
  • Small 2.8-mm × 2.9-mm 5-Pin SOT-23
    Package
  • Up to 93% Efficiency at Typical Operating
    Conditions
  • Connection from Battery to Load via Bypass
    Switch in Shutdown Mode
  • Typical Shutdown Current Less Than 5 nA
  • Typical Quiescent Current Less Than 5 µA
  • Operating Input Voltage Range
    From 0.9 V to 5.5 V
  • Power-Save Mode for Improved Efficiency at
    Low Output Power
  • Overtemperature Protection
  • Small 2.8-mm × 2.9-mm 5-Pin SOT-23
    Package

Description

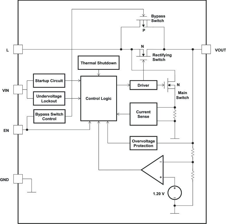
The TPS61097A-33 provides a power supply solution for products powered by either a single-cell, two-cell, or three-cell alkaline, NiCd, or NiMH, or one-cell Li-Ion or Li-polymer battery. They can also be used in fuel cell or solar cell powered devices where the capability of handling low input voltages is essential. Possible output currents depend on the input-to-output voltage ratio. The devices provide output currents up to 100 mA at a 3.3-V output while using a single-cell Li-Ion or Li-Polymer battery. The boost converter is based on a current-mode controller using synchronous rectification to obtain maximum efficiency. The maximum average input current is limited to a value of 400 mA. The converter can be disabled to minimize battery drain. During shutdown, the battery is connected to the load to enable battery backup of critical functions on the load. The device is packaged in a 5-pin SOT-23 package (DBV) measuring 2.8 mm × 2.9 mm.

The TPS61097A-33 provides a power supply solution for products powered by either a single-cell, two-cell, or three-cell alkaline, NiCd, or NiMH, or one-cell Li-Ion or Li-polymer battery. They can also be used in fuel cell or solar cell powered devices where the capability of handling low input voltages is essential. Possible output currents depend on the input-to-output voltage ratio. The devices provide output currents up to 100 mA at a 3.3-V output while using a single-cell Li-Ion or Li-Polymer battery. The boost converter is based on a current-mode controller using synchronous rectification to obtain maximum efficiency. The maximum average input current is limited to a value of 400 mA. The converter can be disabled to minimize battery drain. During shutdown, the battery is connected to the load to enable battery backup of critical functions on the load. The device is packaged in a 5-pin SOT-23 package (DBV) measuring 2.8 mm × 2.9 mm.

Subscribe to Welllinkchips !
Your Name
* Email
Submit a request