0
TPS568215
  • TPS568215
  • TPS568215

TPS568215

ACTIVE

4.5-V to 17-V, 8-A synchronous SWIFT™ buck converter with D-CAP3 control

Texas Instruments TPS568215 Product Info

1 April 2026 0

Parameters

Rating

Catalog

Topology

Buck

Iout (max) (A)

8

Vin (max) (V)

17

Vin (min) (V)

4.5

Vout (max) (V)

5.5

Vout (min) (V)

0.6

Features

Adjustable current limit, Enable, Forced PWM, Light Load Efficiency, Power good, Pre-Bias Start-Up, Soft Start Adjustable, Synchronous Rectification

Control mode

D-CAP3

Operating temperature range (°C)

-40 to 125

Iq (typ) (A)

0.0006

Duty cycle (max) (%)

90

Package

VQFN-HR (RNN)-18-12.25 mm² 3.5 x 3.5

Features

  • Integrated 19-mΩ and 9.4-mΩ MOSFETs
  • Selectable F SW of 400 kHz, 800 kHz, and 1.2 MHz
  • Adjustable current limit settings with hiccup re-start
  • 0.6-V ±1% reference voltage across full temperature range
  • Optional external 5-V bias support for enhanced efficiency
  • D-CAP3™ control mode for fast transient response
  • Selectable forced continuous conduction mode (FCCM) for tight output voltage ripple or auto- skipping Eco-mode™ for high light-load efficiency
  • 0.6-V to 5.5-V output voltage range
  • Supports all ceramic capacitors
  • Monotonic start-up into pre-biased outputs
  • Adjustable soft start with a default 1-ms soft-start time
  • –40°C to 150°C operating junction temperature
  • Small 3.5-mm × 3.5-mm HotRod™ QFN package
  • Pin-to-pin compatible with 8-A TPS568231 and 12-A TPS56C231 and TPS56C215
  • Supported at the WEBENCH design center
  • Integrated 19-mΩ and 9.4-mΩ MOSFETs
  • Selectable F SW of 400 kHz, 800 kHz, and 1.2 MHz
  • Adjustable current limit settings with hiccup re-start
  • 0.6-V ±1% reference voltage across full temperature range
  • Optional external 5-V bias support for enhanced efficiency
  • D-CAP3™ control mode for fast transient response
  • Selectable forced continuous conduction mode (FCCM) for tight output voltage ripple or auto- skipping Eco-mode™ for high light-load efficiency
  • 0.6-V to 5.5-V output voltage range
  • Supports all ceramic capacitors
  • Monotonic start-up into pre-biased outputs
  • Adjustable soft start with a default 1-ms soft-start time
  • –40°C to 150°C operating junction temperature
  • Small 3.5-mm × 3.5-mm HotRod™ QFN package
  • Pin-to-pin compatible with 8-A TPS568231 and 12-A TPS56C231 and TPS56C215
  • Supported at the WEBENCH design center

Description

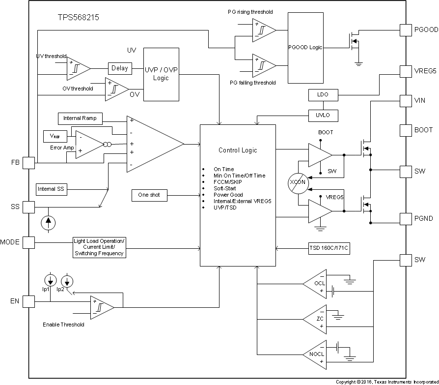
The TPS568215 is TI’s smallest, monolithic, 8-A, synchronous buck converter with an adaptive on-time D-CAP3™ control mode. The device integrates low R DS(on) power MOSFETs that enable high efficiency and offers ease-of-use with minimum external component count for space-conscious power systems. Key features include a very accurate reference voltage, fast load transient response, auto-skip mode operation for light load efficiency, adjustable current limit, and no requirement for external compensation. A forced continuous conduction mode helps meet tight voltage regulation accuracy requirements for performance DSPs and FPGAs. The TPS568215 is available in a thermally enhanced 18-pin HotRod QFN package and is designed to operate from –40°C to 150°C junction temperature. TPS568215 is pin-to-pin compatible with TPS56C215 which gives the user flexibility to pick solutions from 6 A to 12 A in the same footprint.

The TPS568215 is TI’s smallest, monolithic, 8-A, synchronous buck converter with an adaptive on-time D-CAP3™ control mode. The device integrates low R DS(on) power MOSFETs that enable high efficiency and offers ease-of-use with minimum external component count for space-conscious power systems. Key features include a very accurate reference voltage, fast load transient response, auto-skip mode operation for light load efficiency, adjustable current limit, and no requirement for external compensation. A forced continuous conduction mode helps meet tight voltage regulation accuracy requirements for performance DSPs and FPGAs. The TPS568215 is available in a thermally enhanced 18-pin HotRod QFN package and is designed to operate from –40°C to 150°C junction temperature. TPS568215 is pin-to-pin compatible with TPS56C215 which gives the user flexibility to pick solutions from 6 A to 12 A in the same footprint.

Subscribe to Welllinkchips !
Your Name
* Email
Submit a request