0
TPS54394
  • TPS54394
  • TPS54394
  • TPS54394
  • TPS54394

TPS54394

ACTIVE

3A Dual Channel Synchronous Step-Down Switcher with Integrated FET

Texas Instruments TPS54394 Product Info

1 April 2026 1

Parameters

Rating

Catalog

Topology

Buck

Iout (max) (A)

3

Vin (max) (V)

18

Vin (min) (V)

4.8

Vout (max) (V)

7

Vout (min) (V)

0.76

Features

Enable, Light Load Efficiency, Power good, Soft Start Fixed, Synchronous Rectification

Control mode

D-CAP2

Operating temperature range (°C)

-40 to 85

Iq (typ) (A)

0.0012

Duty cycle (max) (%)

85

Package

HTSSOP (PWP)-16-32 mm² 5 x 6.4

Features

  • D-CAP2 Control Mode
    • Fast Transient Response
    • No External Parts Required For Loop Compensation
    • Compatible with Ceramic Output Capacitors
  • Wide Input Voltage Range : 4.5 V to 18 V
  • Output Voltage Range: 0.76 V to 7 V
  • Highly Efficient Integrated FETs Optimized for
    Low Duty Cycle Applications
    • 90 mΩ (High Side) and 60 mΩ (Low Side)
  • High Initial Reference Accuracy
  • Supports Constant 3 A at Both Channels
  • Low-Side rDS(on) Loss-Less Current Sensing
  • Fixed Soft Start : 1 ms
  • Non-Sinking Pre-Biased Soft Start
  • Powergood
  • 700 kHz Switching Frequency
  • Cycle-by-Cycle Over-Current Limit Control
  • Hiccup Timer for Overload Protection
  • OCL/UVLO/TSD Protections
  • Adaptive Gate Drivers with Integrated Boost PMOS Switch
  • OCP Constant Due To Thermally Compensated rDS(on)
    with 4000ppm/°C
  • 16-Pin HTSSOP, 16-Pin VQFN
  • Auto-Skip Eco-mode™ for High Efficiency at Light Load
  • D-CAP2 Control Mode
    • Fast Transient Response
    • No External Parts Required For Loop Compensation
    • Compatible with Ceramic Output Capacitors
  • Wide Input Voltage Range : 4.5 V to 18 V
  • Output Voltage Range: 0.76 V to 7 V
  • Highly Efficient Integrated FETs Optimized for
    Low Duty Cycle Applications
    • 90 mΩ (High Side) and 60 mΩ (Low Side)
  • High Initial Reference Accuracy
  • Supports Constant 3 A at Both Channels
  • Low-Side rDS(on) Loss-Less Current Sensing
  • Fixed Soft Start : 1 ms
  • Non-Sinking Pre-Biased Soft Start
  • Powergood
  • 700 kHz Switching Frequency
  • Cycle-by-Cycle Over-Current Limit Control
  • Hiccup Timer for Overload Protection
  • OCL/UVLO/TSD Protections
  • Adaptive Gate Drivers with Integrated Boost PMOS Switch
  • OCP Constant Due To Thermally Compensated rDS(on)
    with 4000ppm/°C
  • 16-Pin HTSSOP, 16-Pin VQFN
  • Auto-Skip Eco-mode™ for High Efficiency at Light Load

Description

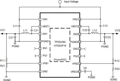
The TPS54394 is a dual, adaptive on-time D-CAP2™ mode synchronous buck converter. The TPS54394 enables system designers to complete the suite of various end equipment’s power bus regulators with a cost effective, low component count, and low standby current solution. The main control loops of the TPS54394 use the D-CAP2™ mode control which provides a very fast transient response with no external compensation components. The adaptive on-time control supports seamless transition between PWM mode at higher load conditions and Eco-mode™ operation at light loads. Eco-mode™ allows the TPS54394 to maintain high efficiency during lighter load conditions. The TPS54394 is able to adapt to both low equivalent series resistance (ESR) output capacitors such as POSCAP or SP-CAP, and ultra-low ESR, ceramic capacitors. The device provides convenient and efficient operation with input voltages from 4.5V to 18V.

The TPS54394 is available in a 4.4 mm × 5 mm 16-pin TSSOP (PWP) and 4 mm × 4 mm 16-pin VQFN (RSA) package, and is specified for an ambient temperature range from –40°C to 85°C.

The TPS54394 is a dual, adaptive on-time D-CAP2™ mode synchronous buck converter. The TPS54394 enables system designers to complete the suite of various end equipment’s power bus regulators with a cost effective, low component count, and low standby current solution. The main control loops of the TPS54394 use the D-CAP2™ mode control which provides a very fast transient response with no external compensation components. The adaptive on-time control supports seamless transition between PWM mode at higher load conditions and Eco-mode™ operation at light loads. Eco-mode™ allows the TPS54394 to maintain high efficiency during lighter load conditions. The TPS54394 is able to adapt to both low equivalent series resistance (ESR) output capacitors such as POSCAP or SP-CAP, and ultra-low ESR, ceramic capacitors. The device provides convenient and efficient operation with input voltages from 4.5V to 18V.

The TPS54394 is available in a 4.4 mm × 5 mm 16-pin TSSOP (PWP) and 4 mm × 4 mm 16-pin VQFN (RSA) package, and is specified for an ambient temperature range from –40°C to 85°C.

Subscribe to Welllinkchips !
Your Name
* Email
Submit a request