0
TPS3808-EP
  • TPS3808-EP
  • TPS3808-EP

TPS3808-EP

ACTIVE

Enhanced Product Low Quiescent Current, Programmable Delay Supervisory Circuit

Texas Instruments TPS3808-EP Product Info

1 April 2026 0

Parameters

Rating

HiRel Enhanced Product

Number of supplies monitored

1

Threshold voltage 1 (typ) (V)

0.405, 3.07

Features

Manual reset capable, Reset time delay, Separate VDD & sense, Undervoltage monitor only

Reset threshold accuracy (%)

0.5

Iq (typ) (mA)

0.0024

Output driver type/reset output

Active-low, Open-drain

Time delay (ms)

1.25, 20, 300, 1200

Watchdog timer WDI (s)

None

Supply voltage (min) (V)

1.7, 1.8

Supply voltage (max) (V)

6.5

Operating temperature range (°C)

-55 to 125

Package

SOT-23 (DBV)-6-8.12 mm² 2.9 x 2.8

Features

  • Controlled Baseline
    • One Assembly Site
    • One Test Site
    • One Fabrication Site
  • Extended Temperature Performance of
    –55°C to 125°C
  • Enhanced Diminishing Manufacturing Sources
    (DMS) Support
  • Enhanced Product-Change Notification
  • Qualification Pedigree1
  • Power-On Reset Generator With Adjustable
    Delay Time: 1.25 ms to 10 s
  • Very Low Quiescent Current: 2.4 µA Typical
  • High Threshold Accuracy: 0.5% Typical
  • Fixed Threshold Voltages for Standard Voltage
    Rails From 0.9 V to 5 V and Adjustable Voltage
    Down to 0.4 V Are Available
  • Manual Reset (MR) Input
  • Open-Drain RESET Output
  • Temperature Range: –55°C to 125°C
  • Small SOT-23 Package
  • Controlled Baseline
    • One Assembly Site
    • One Test Site
    • One Fabrication Site
  • Extended Temperature Performance of
    –55°C to 125°C
  • Enhanced Diminishing Manufacturing Sources
    (DMS) Support
  • Enhanced Product-Change Notification
  • Qualification Pedigree1
  • Power-On Reset Generator With Adjustable
    Delay Time: 1.25 ms to 10 s
  • Very Low Quiescent Current: 2.4 µA Typical
  • High Threshold Accuracy: 0.5% Typical
  • Fixed Threshold Voltages for Standard Voltage
    Rails From 0.9 V to 5 V and Adjustable Voltage
    Down to 0.4 V Are Available
  • Manual Reset (MR) Input
  • Open-Drain RESET Output
  • Temperature Range: –55°C to 125°C
  • Small SOT-23 Package

Description

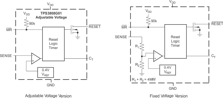
The TPS3808xxx family of microprocessor supervisory circuits monitors system voltages from 0.4 V to 5.0 V, asserting an open-drain RESET signal when the SENSE voltage drops below a preset threshold or when the manual reset (MR) pin drops to a logic low. The RESET output remains low for the user-adjustable delay time after the SENSE voltage and manual reset (MR) return above the respective thresholds.

The TPS3808 uses a precision reference to achieve 0.5% threshold accuracy for VIT ≤ 3.3 V. The reset delay time can be set to 20 ms by disconnecting the CT pin, 300 ms by connecting the CT pin to VDD using a resistor, or can be user-adjusted between 1.25 ms and 10 s by connecting the CT pin to an external capacitor. The TPS3808 has a very low typical quiescent current of 2.4 µA, so it is well-suited to battery-powered applications. It is available in a small SOT-23 package, and is fully specified over a temperature range of –55°C to +125°C (TJ).

The TPS3808xxx family of microprocessor supervisory circuits monitors system voltages from 0.4 V to 5.0 V, asserting an open-drain RESET signal when the SENSE voltage drops below a preset threshold or when the manual reset (MR) pin drops to a logic low. The RESET output remains low for the user-adjustable delay time after the SENSE voltage and manual reset (MR) return above the respective thresholds.

The TPS3808 uses a precision reference to achieve 0.5% threshold accuracy for VIT ≤ 3.3 V. The reset delay time can be set to 20 ms by disconnecting the CT pin, 300 ms by connecting the CT pin to VDD using a resistor, or can be user-adjusted between 1.25 ms and 10 s by connecting the CT pin to an external capacitor. The TPS3808 has a very low typical quiescent current of 2.4 µA, so it is well-suited to battery-powered applications. It is available in a small SOT-23 package, and is fully specified over a temperature range of –55°C to +125°C (TJ).

Subscribe to Welllinkchips !
Your Name
* Email
Submit a request