0
TPS2359
  • TPS2359
  • TPS2359

TPS2359

ACTIVE

8.5-V to 15-V dual channel hot swap controller with Oring and Ad-VancedMC compliance

Texas Instruments TPS2359 Product Info

1 April 2026 0

Parameters

Vabsmax_cont (V)

17

Vin (max) (V)

15

Vin (min) (V)

8.5

Current limit (min) (A)

0.01

Features

Adjustable current limit, Adjustable soft start, Current monitoring, Fault output, I2C, Overcurrent protection, Power good signal, Reverse current blocking always, Short circuit protection, Thermal shutdown, adjustable UVLO

Overcurrent response

Circuit breaker, Current limiting

Fault response

Auto-retry, Latch-off

Rating

Catalog

Soft start

Adjustable

Quiescent current (Iq) (typ) (A)

0.000001

Quiescent current (Iq) (max) (A)

0.000005

Device type

eFuses and hot swap controllers

Operating temperature range (°C)

-40 to 85

Package

VQFN (RHH)-36-36 mm² 6 x 6

Features

  • ATCA AdvancedMC™ Compliant
  • Full Control for Two AdvancedMC Modules
  • Independent 12-V Current Limit and Fast Trip
  • 3.3-V and 12-V FET ORing for MicroTCA
  • Internal 3.3-V Current Limit and ORing
  • Power Good and Fault Reporting Through I2C
  • I2C Programmable Fault Times and Current Limits
  • FET Status Bits for all Channels
  • 36-Pin PQFN Package
  • 3-V and 12-V Interlock for AdvancedMC Compliance
  • ATCA AdvancedMC™ Compliant
  • Full Control for Two AdvancedMC Modules
  • Independent 12-V Current Limit and Fast Trip
  • 3.3-V and 12-V FET ORing for MicroTCA
  • Internal 3.3-V Current Limit and ORing
  • Power Good and Fault Reporting Through I2C
  • I2C Programmable Fault Times and Current Limits
  • FET Status Bits for all Channels
  • 36-Pin PQFN Package
  • 3-V and 12-V Interlock for AdvancedMC Compliance

Description

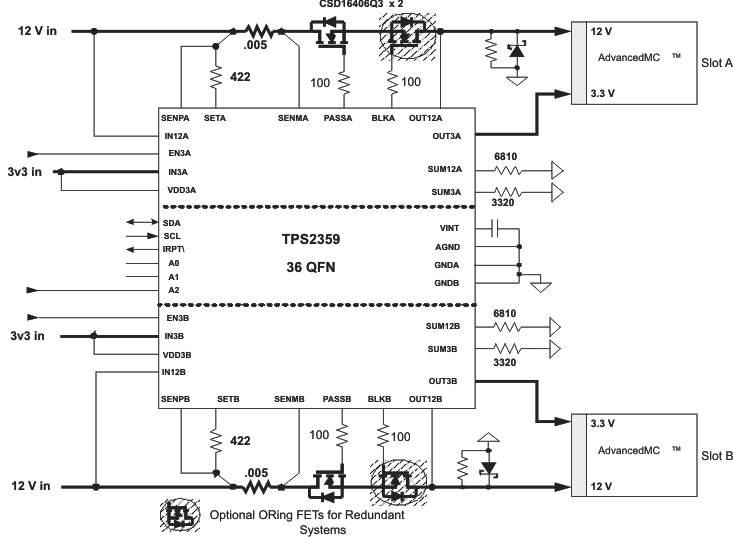
The TPS2359 dual-slot hot-plug controllers perform all necessary power interface functions for two AdvancedMC™ (Advanced Mezzanine Card) modules.

Two fully integrated 3.3-V channels provide inrush control, over-current protection, and FET ORing. Two 12-V channels provide the same functions using external FETs and sense resistors. The 3.3-V current limits are factory set to AdvancedMC™ compliant levels and the 12-V current limits are programmed using external sense resistors. The accurate current sense comparators of the TPS2359 satisfy the narrow ATCA™ AdvancedMC™ current limit requirements.

The TPS2359 dual-slot hot-plug controllers perform all necessary power interface functions for two AdvancedMC™ (Advanced Mezzanine Card) modules.

Two fully integrated 3.3-V channels provide inrush control, over-current protection, and FET ORing. Two 12-V channels provide the same functions using external FETs and sense resistors. The 3.3-V current limits are factory set to AdvancedMC™ compliant levels and the 12-V current limits are programmed using external sense resistors. The accurate current sense comparators of the TPS2359 satisfy the narrow ATCA™ AdvancedMC™ current limit requirements.

Subscribe to Welllinkchips !
Your Name
* Email
Submit a request