0
TLC5952
  • TLC5952
  • TLC5952

TLC5952

ACTIVE

24-channel constant-current LED driver with global brightness and LED open Short Detection

Texas Instruments TLC5952 Product Info

1 April 2026 1

Parameters

Features

Error Flag, Fault Detection, LED Open Detection, LED Short to Ground Detection, LED Short to VLED Detection, ON/OFF LED Driver, Power good, Thermal shutdown

Analog dimming steps

128

Data transfer rate (typ) (MHz)

35

Ch to ch accuracy (typ) (±%)

1

Rating

Catalog

Operating temperature range (°C)

-40 to 85

Package

HTSSOP (DAP)-32-89.1 mm² 11 x 8.1

Features

  • 24-Channel Constant-Current Sink Output With On-Off Control
  • Current Capability:
    • 35 mA for 16 Channels
    • 26.2 mA for 8 Channels
  • Global Brightness Control (BC) for Each Color Group: 7-Bit (128 Step), Three Groups
  • LED Power-Supply Voltage up to 15 V
  • VCC = 3 V to 5.5 V
  • Constant-Current Accuracy:
    • Channel-to-Channel = ±1%
    • Device-to-Device = ±3%
  • CMOS Logic Level I/O
  • Data Transfer Rate: 35 MHz
  • BLANK Pulse Duration: 15 ns
  • Open-Load, Shorted-Load, and Overtemperature Detection
  • Thermal Shutdown (TSD) With Auto Restart
  • Delay Switching to Prevent Inrush Current
  • Operating Temperature: –40°C to 85°C
  • Packages: HTSSOP-32, QFN-32
  • 24-Channel Constant-Current Sink Output With On-Off Control
  • Current Capability:
    • 35 mA for 16 Channels
    • 26.2 mA for 8 Channels
  • Global Brightness Control (BC) for Each Color Group: 7-Bit (128 Step), Three Groups
  • LED Power-Supply Voltage up to 15 V
  • VCC = 3 V to 5.5 V
  • Constant-Current Accuracy:
    • Channel-to-Channel = ±1%
    • Device-to-Device = ±3%
  • CMOS Logic Level I/O
  • Data Transfer Rate: 35 MHz
  • BLANK Pulse Duration: 15 ns
  • Open-Load, Shorted-Load, and Overtemperature Detection
  • Thermal Shutdown (TSD) With Auto Restart
  • Delay Switching to Prevent Inrush Current
  • Operating Temperature: –40°C to 85°C
  • Packages: HTSSOP-32, QFN-32

Description

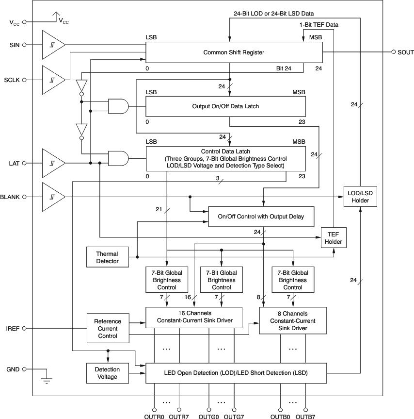
The TLC5952 device is a 24-channel, constant-current sink driver. Each channel can be turned on or off with internal register data. The output channels are grouped into three groups of eight channels each. Each channel group has a 128-step global brightness control (BC) function. Both on-off data and BC are writable via a serial interface. The maximum current value of all 24 channels is set by a single external resistor.

The TLC5952 device has three error detection circuits: LED-open detection (LOD), LED-shorted detection (LSD), and a thermal error flag (TEF). The error detection is read via a serial interface.

The TLC5952 device is a 24-channel, constant-current sink driver. Each channel can be turned on or off with internal register data. The output channels are grouped into three groups of eight channels each. Each channel group has a 128-step global brightness control (BC) function. Both on-off data and BC are writable via a serial interface. The maximum current value of all 24 channels is set by a single external resistor.

The TLC5952 device has three error detection circuits: LED-open detection (LOD), LED-shorted detection (LSD), and a thermal error flag (TEF). The error detection is read via a serial interface.

Subscribe to Welllinkchips !
Your Name
* Email
Submit a request