0
TLC5949
  • TLC5949
  • TLC5949
  • TLC5949
  • TLC5949

TLC5949

ACTIVE

16-channel, 12-bit ES-PWM, Full self-Diagnosis LED driver with 7-bit global BC LED Lamp

Texas Instruments TLC5949 Product Info

1 April 2026 1

Parameters

Features

Error Flag, Fault Detection, LED Open Detection, LED Short to Ground Detection, LED Short to VLED Detection, PWM LED Driver, Power good, Thermal shutdown

Analog dimming steps

128

Data transfer rate (typ) (MHz)

33

Ch to ch accuracy (typ) (±%)

0.6

Rating

Catalog

Operating temperature range (°C)

-40 to 85

Package

HTSSOP (PWP)-24-49.92 mm² 7.8 x 6.4

Features

  • 16 Constant-Current Sink Output Channels
  • Sink Current Capability with
    Maximum BC Data: 2 mA to 45 mA
  • Global Brightness Control (BC):
    • 7-Bit (128 Steps) with 25% to 100% Range
  • Grayscale Control (GS) with Enhanced Spectrum or Conventional PWM:
    • 12-Bit (4096 Steps)
  • LED Power-Supply Voltage: Up to 10 V
  • VCC: 3.0 V to 3.6 V
  • Constant-Current Accuracy:
    • Channel-to-Channel: ±0.6% (typ), ±2% (max)
    • Device-to-Device: ±1% (typ), ±4% (max)
  • Data Transfer Rate: 33 MHz
  • Grayscale Control Clock: 33 MHz
  • Auto Display Repeat and Auto Data Refresh
  • Display Timing Reset
  • Power-Save Mode to Minimize VCC Current
  • LOD and LSD with Invisible Detection
    Mode (IDM)
  • Output Leakage Detection (OLD)
  • Current Reference Terminal Short Flag (ISF)
  • Thermal Shutdown (TSD) and Error Flag (TEF)
  • Pre-Thermal Warning (PTW)
  • Four-Channel Grouped Delay Switching to Prevent Inrush Current
  • Operating Temperature: –40°C to +85°C
  • 16 Constant-Current Sink Output Channels
  • Sink Current Capability with
    Maximum BC Data: 2 mA to 45 mA
  • Global Brightness Control (BC):
    • 7-Bit (128 Steps) with 25% to 100% Range
  • Grayscale Control (GS) with Enhanced Spectrum or Conventional PWM:
    • 12-Bit (4096 Steps)
  • LED Power-Supply Voltage: Up to 10 V
  • VCC: 3.0 V to 3.6 V
  • Constant-Current Accuracy:
    • Channel-to-Channel: ±0.6% (typ), ±2% (max)
    • Device-to-Device: ±1% (typ), ±4% (max)
  • Data Transfer Rate: 33 MHz
  • Grayscale Control Clock: 33 MHz
  • Auto Display Repeat and Auto Data Refresh
  • Display Timing Reset
  • Power-Save Mode to Minimize VCC Current
  • LOD and LSD with Invisible Detection
    Mode (IDM)
  • Output Leakage Detection (OLD)
  • Current Reference Terminal Short Flag (ISF)
  • Thermal Shutdown (TSD) and Error Flag (TEF)
  • Pre-Thermal Warning (PTW)
  • Four-Channel Grouped Delay Switching to Prevent Inrush Current
  • Operating Temperature: –40°C to +85°C

Description

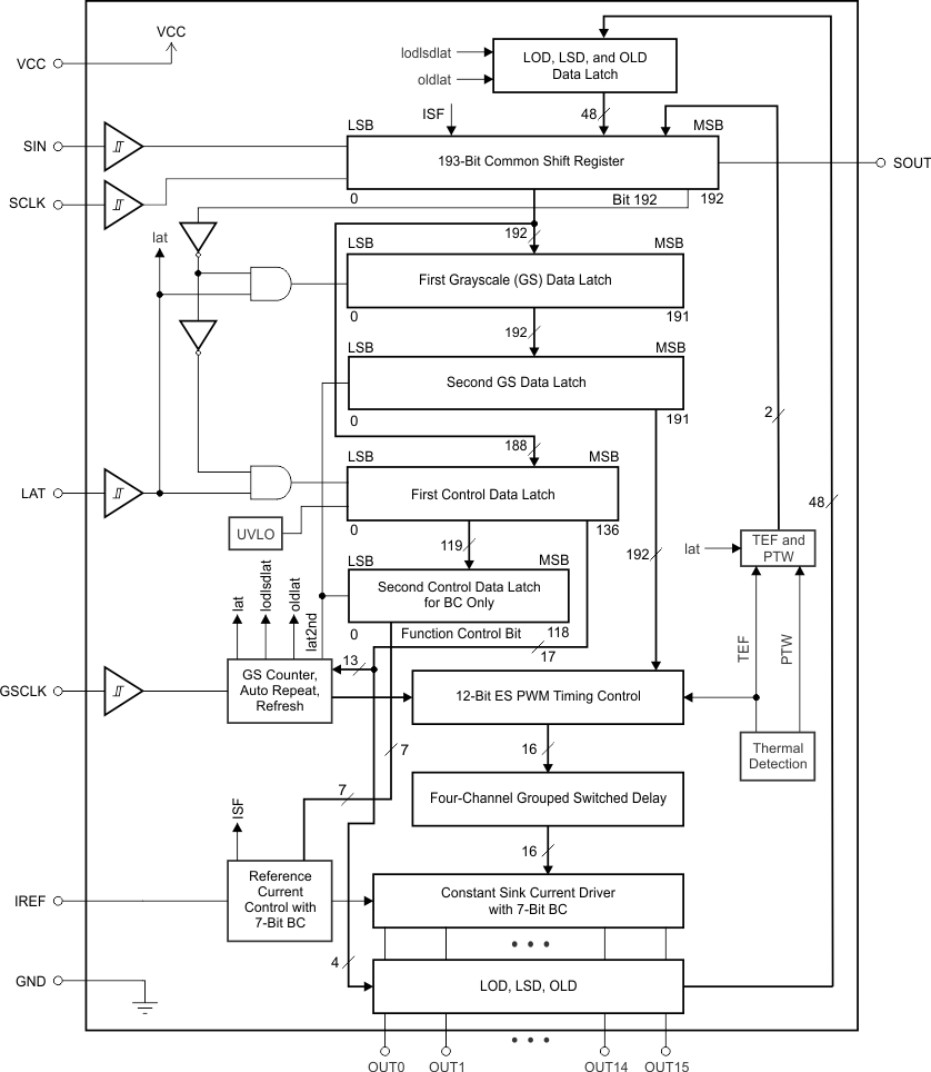
The TLC5949 is a 16-channel, constant-current sink LED driver. Each channel has an individually-adjustable, pulse width modulation (PWM) grayscale (GS) brightness control with 4096 steps. All channels have a 128-step global brightness control (BC). BC adjusts brightness deviation with other LED drivers. GS and BC data are accessible with a serial interface port.

The TLC5949 has six error flags: LED open detection (LOD), LED short detection (LSD), output leakage detection (OLD), reference current terminal short flag detection (ISF), pre-thermal warning (PTW), and thermal error flag (TEF). The error detection results can be read with a serial interface port.

The TLC5949 is a 16-channel, constant-current sink LED driver. Each channel has an individually-adjustable, pulse width modulation (PWM) grayscale (GS) brightness control with 4096 steps. All channels have a 128-step global brightness control (BC). BC adjusts brightness deviation with other LED drivers. GS and BC data are accessible with a serial interface port.

The TLC5949 has six error flags: LED open detection (LOD), LED short detection (LSD), output leakage detection (OLD), reference current terminal short flag detection (ISF), pre-thermal warning (PTW), and thermal error flag (TEF). The error detection results can be read with a serial interface port.

Subscribe to Welllinkchips !
Your Name
* Email
Submit a request