0
LDC1001-Q1
  • LDC1001-Q1
  • LDC1001-Q1

LDC1001-Q1

ACTIVE

Automotive, 5V, grade-0, Inductance to Digital Converter

Texas Instruments LDC1001-Q1 Product Info

1 April 2026 0

Parameters

Number of input channels

1

Rating

Automotive

Operating temperature range (°C)

-40 to 150

Package

TSSOP (PW)-16-32 mm² 5 x 6.4

Features

  • AEC-Q100 Qualified for Automotive Applications:
    • Temperature grade 0: –40°C to 150°C, TA
  • Magnet-free operation
  • Sub-micron precision
  • Adjustable sensing range (through coil design)
  • Lower system cost
  • Remote sensor placement (decoupling the LDC from harsh environments)
  • High durability (by virtue of contact-less operation)
  • Insensitivity to environmental interference (such as dirt, dust, water, oil)
  • Supply voltage, analog: 4.75 V to 5.25 V
  • Supply voltage, IO: 1.8 V to 5.25 V
  • Supply current (without LC tank): 1.7 mA
  • RP resolution: 16-bit
  • L resolution: 24-bit
  • LC frequency range: 5 kHz to 5 MHz
  • AEC-Q100 Qualified for Automotive Applications:
    • Temperature grade 0: –40°C to 150°C, TA
  • Magnet-free operation
  • Sub-micron precision
  • Adjustable sensing range (through coil design)
  • Lower system cost
  • Remote sensor placement (decoupling the LDC from harsh environments)
  • High durability (by virtue of contact-less operation)
  • Insensitivity to environmental interference (such as dirt, dust, water, oil)
  • Supply voltage, analog: 4.75 V to 5.25 V
  • Supply voltage, IO: 1.8 V to 5.25 V
  • Supply current (without LC tank): 1.7 mA
  • RP resolution: 16-bit
  • L resolution: 24-bit
  • LC frequency range: 5 kHz to 5 MHz

Description

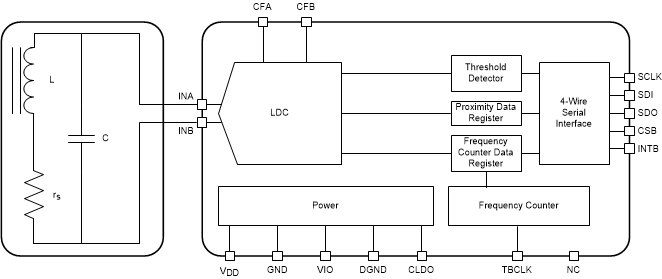
The LDC1001-Q1 device is a 4.75-V to 5.25-V automotive-qualified inductance-to-digital converter designed for parallel resistance (Rp) and inductance (L) measurements. Inductive sensing technology enables precise measurement of linear or angular position of metal targets in automotive and industrial applications.

Inductive sensing is a contactless, short-range sensing technology that can enable high-resolution sensing of conductive targets in the presence of dust, dirt, oil, and moisture, which can be used by applications in harsh environments.

The LDC1001-Q1 system consists of an inductive sensor, typically a PCB coil, and a conductive target.

The LDC1001-Q1 is available in a 16-pin TSSOP package and offers several modes of operation. A serial peripheral interface (SPI) simplifies connection to an MCU.

The LDC1001-Q1 device is a 4.75-V to 5.25-V automotive-qualified inductance-to-digital converter designed for parallel resistance (Rp) and inductance (L) measurements. Inductive sensing technology enables precise measurement of linear or angular position of metal targets in automotive and industrial applications.

Inductive sensing is a contactless, short-range sensing technology that can enable high-resolution sensing of conductive targets in the presence of dust, dirt, oil, and moisture, which can be used by applications in harsh environments.

The LDC1001-Q1 system consists of an inductive sensor, typically a PCB coil, and a conductive target.

The LDC1001-Q1 is available in a 16-pin TSSOP package and offers several modes of operation. A serial peripheral interface (SPI) simplifies connection to an MCU.

Subscribe to Welllinkchips !
Your Name
* Email
Submit a request