0
THVD2450
  • THVD2450
  • THVD2450
  • THVD2450
  • THVD2450

THVD2450

ACTIVE

±70-V fault-protected 3.3-V to 5-V RS-485 transceiver with IEC ESD

Texas Instruments THVD2450 Product Info

1 April 2026 0

Parameters

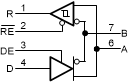
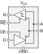
Number of receivers

1

Number of transmitters

1

Duplex

Half

Supply voltage (nom) (V)

3.3, 5

Signaling rate (max) (Mbps)

50

IEC 61000-4-2 contact (±V)

12000

Fault protection (V)

-70 to 70

Common-mode range (V)

-25 to 25

Number of nodes

256

Features

Extended common mode, Fault protection, IEC ESD protection

Isolated

No

Supply current (max) (µA)

5600

Rating

Catalog

Operating temperature range (°C)

-40 to 125

TI functional safety category

Functional Safety-Capable

Package

SOIC (D)-8-29.4 mm² 4.9 x 6

Features

  • Meets or exceeds the requirements of the TIA/EIA-485A and TIA/EIA-422B standards
  • Functional Safety-Capable
  • 3-V to 5.5-V supply voltage
  • Differential output exceeds 2.1 V for PROFIBUS compatibility with 5-V supply
  • Bus I/O protection
    • ±70-V DC bus fault
    • ±16-kV HBM ESD
    • ±12-kV IEC 61000-4-2 contact discharge
    • ±12-kV IEC 61000-4-2 air-gap discharge
    • ±4-kV IEC 61000-4-4 fast transient burst
  • Half-duplex devices available in two speed grades
    • THVD2410: 500 kbps
    • THVD2450: 50 Mbps
  • Extended ambient temperature range: -40°C to 125°C
  • Extended operational common-mode range: ±25 V
  • Enhanced receiver hysteresis for noise immunity
  • Low power consumption
    • Low shutdown supply current: < 1 µA
    • Current during operation: < 5.6 mA
  • Glitch-free power-up/down for hot plug-in capability
  • Open, short, and idle bus failsafe
  • Thermal shutdown
  • 1/8 unit load (up to 256 bus nodes)
  • Small VSON and VSSOP packages to save board space or SOIC for drop-in compatibility
  • Meets or exceeds the requirements of the TIA/EIA-485A and TIA/EIA-422B standards
  • Functional Safety-Capable
  • 3-V to 5.5-V supply voltage
  • Differential output exceeds 2.1 V for PROFIBUS compatibility with 5-V supply
  • Bus I/O protection
    • ±70-V DC bus fault
    • ±16-kV HBM ESD
    • ±12-kV IEC 61000-4-2 contact discharge
    • ±12-kV IEC 61000-4-2 air-gap discharge
    • ±4-kV IEC 61000-4-4 fast transient burst
  • Half-duplex devices available in two speed grades
    • THVD2410: 500 kbps
    • THVD2450: 50 Mbps
  • Extended ambient temperature range: -40°C to 125°C
  • Extended operational common-mode range: ±25 V
  • Enhanced receiver hysteresis for noise immunity
  • Low power consumption
    • Low shutdown supply current: < 1 µA
    • Current during operation: < 5.6 mA
  • Glitch-free power-up/down for hot plug-in capability
  • Open, short, and idle bus failsafe
  • Thermal shutdown
  • 1/8 unit load (up to 256 bus nodes)
  • Small VSON and VSSOP packages to save board space or SOIC for drop-in compatibility

Description

THVD2410 and THVD2450 are ±70-V fault-protected, half-duplex, RS-422/RS-485 transceivers operating on a single 3-V to 5.5-V supply. Bus interface pins are protected against overvoltage conditions during all modes of operation ensuring robust communication in rugged industrial environments.

These devices feature integrated IEC ESD protection, eliminating the need for external system-level protection components. Extended ±25-V input common-mode range guarantees reliable data communication over longer cable run lengths and/or in the presence of large ground loop voltages. Enhanced 250-mV receiver hysteresis ensures high noise rejection. In addition, the receiver fail-safe feature guarantees a logic high when the inputs are open or shorted together.

THVD24x0 devices are available in small VSSOP and VSON packages for space-constrained applications. These devices are characterized over ambient free-air temperatures from –40°C to 125°C.

THVD2410 and THVD2450 are ±70-V fault-protected, half-duplex, RS-422/RS-485 transceivers operating on a single 3-V to 5.5-V supply. Bus interface pins are protected against overvoltage conditions during all modes of operation ensuring robust communication in rugged industrial environments.

These devices feature integrated IEC ESD protection, eliminating the need for external system-level protection components. Extended ±25-V input common-mode range guarantees reliable data communication over longer cable run lengths and/or in the presence of large ground loop voltages. Enhanced 250-mV receiver hysteresis ensures high noise rejection. In addition, the receiver fail-safe feature guarantees a logic high when the inputs are open or shorted together.

THVD24x0 devices are available in small VSSOP and VSON packages for space-constrained applications. These devices are characterized over ambient free-air temperatures from –40°C to 125°C.

Subscribe to Welllinkchips !
Your Name
* Email
Submit a request