0
SN74LVCH32373A
  • SN74LVCH32373A
  • SN74LVCH32373A

SN74LVCH32373A

ACTIVE

32-bit transparent D-type latch with 3-state outputs

Texas Instruments SN74LVCH32373A Product Info

1 April 2026 0

Parameters

Number of channels

32

Technology family

LVC

Supply voltage (min) (V)

1.65

Supply voltage (max) (V)

3.6

Input type

Standard CMOS

Output type

3-State

Clock frequency (max) (MHz)

100

IOL (max) (mA)

24

IOH (max) (mA)

-24

Supply current (max) (µA)

40

Features

Balanced outputs, Flow-through pinout, Over-voltage tolerant inputs, Partial power down (Ioff), Very high speed (tpd 5-10ns)

Operating temperature range (°C)

-40 to 85

Rating

Catalog

Package

NFBGA (NMJ)-96-74.25 mm² 13.5 x 5.5

Features

  • Member of the Texas Instruments Widebus+™ Family
  • Operates from 1.65 V to 3.6 V
  • Inputs accept voltages to 5.5 V
  • Max tpd of 4.2 ns at 3.3 V
  • Typical VOLP (output ground bounce) < 0.8 V at VCC = 3.3 V, TA = 25°C
  • Typical VOHV (output VOH undershoot) > 2 V at VCC = 3.3 V, TA = 25°C
  • Ioff supports partial-power-down mode operation
  • Supports mixed-mode signal operation (5-V Input and output voltages with 3.3-V VCC)
  • Bus hold on data inputs eliminates the need for external pullup/pulldown resistors
  • Latch-up performance exceeds 250 mA per JESD 17
  • ESD protection exceeds JESD 22
    • 2000-V Human-Body Model (A114-A)
    • 200-V Machine Model (A115-A)
  • Member of the Texas Instruments Widebus+™ Family
  • Operates from 1.65 V to 3.6 V
  • Inputs accept voltages to 5.5 V
  • Max tpd of 4.2 ns at 3.3 V
  • Typical VOLP (output ground bounce) < 0.8 V at VCC = 3.3 V, TA = 25°C
  • Typical VOHV (output VOH undershoot) > 2 V at VCC = 3.3 V, TA = 25°C
  • Ioff supports partial-power-down mode operation
  • Supports mixed-mode signal operation (5-V Input and output voltages with 3.3-V VCC)
  • Bus hold on data inputs eliminates the need for external pullup/pulldown resistors
  • Latch-up performance exceeds 250 mA per JESD 17
  • ESD protection exceeds JESD 22
    • 2000-V Human-Body Model (A114-A)
    • 200-V Machine Model (A115-A)

Description

This 32-bit transparent D-type latch is designed for 1.65-V to 3.6-V VCC operation.

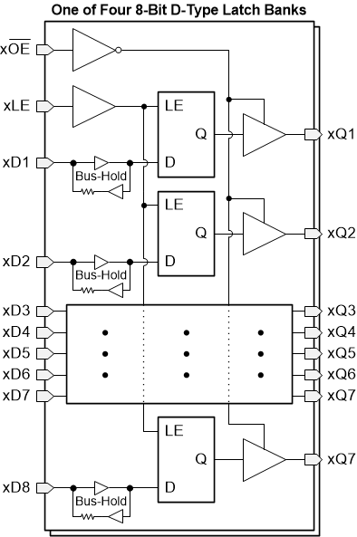
The SN74LVCH32373A is particularly suitable for implementing buffer registers, I/O ports, bidirectional bus drivers, and working registers. It can be used as four 8-bit latches, two 16-bit latches, or one 32-bit latch. When the latch-enable (LE) input is high, the Q outputs follow the data (D) inputs. When LE is taken low, the Q outputs are latched at the levels set up at the D inputs.

This 32-bit transparent D-type latch is designed for 1.65-V to 3.6-V VCC operation.

The SN74LVCH32373A is particularly suitable for implementing buffer registers, I/O ports, bidirectional bus drivers, and working registers. It can be used as four 8-bit latches, two 16-bit latches, or one 32-bit latch. When the latch-enable (LE) input is high, the Q outputs follow the data (D) inputs. When LE is taken low, the Q outputs are latched at the levels set up at the D inputs.

Subscribe to Welllinkchips !
Your Name
* Email
Submit a request