0
SN74LV8T595-EP
  • SN74LV8T595-EP
  • SN74LV8T595-EP
  • SN74LV8T595-EP

SN74LV8T595-EP

ACTIVE

Enhanced product 8-bit shift register with logic-level shifter

Texas Instruments SN74LV8T595-EP Product Info

1 April 2026 0

Parameters

Operating temperature range (°C)

to

Package

TSSOP (PW)-16-32 mm² 5 x 6.4

Features

  • Wide operating range of 1.65V to 5.5V
  • 5.5V tolerant input pins
  • Single-supply voltage translator (refer to LVxT Enhanced Input Voltage):
    • Up translation:
      • 1.2V to 1.8V
      • 1.5V to 2.5V
      • 1.8V to 3.3V
      • 3.3V to 5.0V
    • Down translation:

      • 5.0V, 3.3V, 2.5V to 1.8V
      • 5.0V, 3.3V to 2.5V
      • 5.0V to 3.3V
  • Up to 150Mbps with 5V or 3.3V VCC
  • Supports standard function pinout
  • Latch-up performance exceeds 250mAper JESD 17
  • Supports defense and aerospace applications:
    • Controlled baseline
    • One assembly and test site
    • One fabrication site
    • Extended product life cycle
    • Product traceability
  • Wide operating range of 1.65V to 5.5V
  • 5.5V tolerant input pins
  • Single-supply voltage translator (refer to LVxT Enhanced Input Voltage):
    • Up translation:
      • 1.2V to 1.8V
      • 1.5V to 2.5V
      • 1.8V to 3.3V
      • 3.3V to 5.0V
    • Down translation:

      • 5.0V, 3.3V, 2.5V to 1.8V
      • 5.0V, 3.3V to 2.5V
      • 5.0V to 3.3V
  • Up to 150Mbps with 5V or 3.3V VCC
  • Supports standard function pinout
  • Latch-up performance exceeds 250mAper JESD 17
  • Supports defense and aerospace applications:
    • Controlled baseline
    • One assembly and test site
    • One fabrication site
    • Extended product life cycle
    • Product traceability

Description

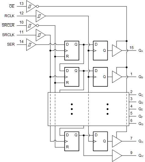
The SN74LV8T595-EP device contains an 8-bit, serial-in, parallel-out shift register that feeds an 8-bit D-type storage register. The storage register has parallel 3-state outputs. Separate clocks are provided for both the shift and storage register. The shift register has a direct overriding clear ( SRCLR) input, serial (SER) input, and a serial output (QH’) for cascading. When the output-enable ( OE) input is high, the outputs are in a high-impedance state. Internal register data is not impacted by the operation of the OE input. The output level is referenced to the supply voltage (VCC) and supports 1.8V, 2.5V, 3.3V, and 5V CMOS levels.

The input is designed with a lower threshold circuit to support up translation for lower voltage CMOS inputs (for example, 1.2V input to 1.8V output or 1.8V input to 3.3V output). In addition, the 5V tolerant input pins enable down translation (for example, 3.3V to 2.5V output).

The SN74LV8T595-EP device contains an 8-bit, serial-in, parallel-out shift register that feeds an 8-bit D-type storage register. The storage register has parallel 3-state outputs. Separate clocks are provided for both the shift and storage register. The shift register has a direct overriding clear ( SRCLR) input, serial (SER) input, and a serial output (QH’) for cascading. When the output-enable ( OE) input is high, the outputs are in a high-impedance state. Internal register data is not impacted by the operation of the OE input. The output level is referenced to the supply voltage (VCC) and supports 1.8V, 2.5V, 3.3V, and 5V CMOS levels.

The input is designed with a lower threshold circuit to support up translation for lower voltage CMOS inputs (for example, 1.2V input to 1.8V output or 1.8V input to 3.3V output). In addition, the 5V tolerant input pins enable down translation (for example, 3.3V to 2.5V output).

Subscribe to Welllinkchips !
Your Name
* Email
Submit a request