0
SN74LV8T573-EP
  • SN74LV8T573-EP
  • SN74LV8T573-EP
  • SN74LV8T573-EP
  • SN74LV8T573-EP

SN74LV8T573-EP

ACTIVE

Enhanced-product octal D-type latches with logic-level shifter

Texas Instruments SN74LV8T573-EP Product Info

1 April 2026 0

Parameters

Technology family

LVxT

Number of channels

8

IOH (max) (mA)

-25

IOL (max) (mA)

25

Features

Over-voltage tolerant inputs

Input type

TTL/CMOS

Output type

CMOS

Operating temperature range (°C)

to

Package

TSSOP (PW)-20-41.6 mm² 6.5 x 6.4

Features

  • Wide operating range of 1.65V to 5.5V
  • 5.5V tolerant input pins
  • Single-supply voltage translator (refer to LVxT Enhanced Input Voltage):
    • Up translation:
      • 1.2V to 1.8V
      • 1.5V to 2.5V
      • 1.8V to 3.3V
      • 3.3V to 5.0V
    • Down translation:

      • 5.0V, 3.3V, 2.5V to 1.8V
      • 5.0V, 3.3V to 2.5V
      • 5.0V to 3.3V
  • Up to 150Mbps with 5V or 3.3V VCC
  • Supports standard function pinout
  • Latch-up performance exceeds 250mAper JESD 17
  • Supports defense and aerospace applications:
    • Controlled baseline
    • One assembly and test site
    • One fabrication site
    • Extended product life cycle
    • Product traceability
  • Wide operating range of 1.65V to 5.5V
  • 5.5V tolerant input pins
  • Single-supply voltage translator (refer to LVxT Enhanced Input Voltage):
    • Up translation:
      • 1.2V to 1.8V
      • 1.5V to 2.5V
      • 1.8V to 3.3V
      • 3.3V to 5.0V
    • Down translation:

      • 5.0V, 3.3V, 2.5V to 1.8V
      • 5.0V, 3.3V to 2.5V
      • 5.0V to 3.3V
  • Up to 150Mbps with 5V or 3.3V VCC
  • Supports standard function pinout
  • Latch-up performance exceeds 250mAper JESD 17
  • Supports defense and aerospace applications:
    • Controlled baseline
    • One assembly and test site
    • One fabrication site
    • Extended product life cycle
    • Product traceability

Description

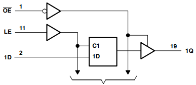
The SN74LV8T573-EP devices are octal transparent D-type latches that feature 3-state outputs designed specifically for driving highly capacitive or relatively low-impedance loads. They are particularly suitable for implementing buffer registers, I/O ports, bidirectional bus drivers, and working registers.

While the latch-enable (LE) input is high, the Q outputs respond to the data (D) inputs. When LE is low, the outputs are latched to retain the data that was set up.

The SN74LV8T573-EP devices are octal transparent D-type latches that feature 3-state outputs designed specifically for driving highly capacitive or relatively low-impedance loads. They are particularly suitable for implementing buffer registers, I/O ports, bidirectional bus drivers, and working registers.

While the latch-enable (LE) input is high, the Q outputs respond to the data (D) inputs. When LE is low, the outputs are latched to retain the data that was set up.

Subscribe to Welllinkchips !
Your Name
* Email
Submit a request