0
SN74LV166A
  • SN74LV166A
  • SN74LV166A
  • SN74LV166A
  • SN74LV166A
  • SN74LV166A
  • SN74LV166A
  • SN74LV166A

SN74LV166A

ACTIVE

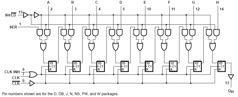
8-Bit Parallel-Load Shift Registers

Texas Instruments SN74LV166A Product Info

1 April 2026 0

Parameters

Configuration

Parallel-in, Serial-out

Bits (#)

8

Technology family

LV-A

Supply voltage (min) (V)

2

Supply voltage (max) (V)

5.5

Input type

Standard CMOS

Output type

Push-Pull

Clock frequency (MHz)

45

IOL (max) (mA)

12

IOH (max) (mA)

-12

Supply current (max) (µA)

20

Features

Balanced outputs, Over-voltage tolerant inputs, Partial power down (Ioff), Very high speed (tpd 5-10ns)

Operating temperature range (°C)

-40 to 85

Rating

Catalog

Package

SOIC (D)-16-59.4 mm² 9.9 x 6

Features

  • Operation of 2 V to 5.5 V VCC
  • Max tpd of 10.5 ns at 5 V
  • Typical VOLP (Output Ground Bounce) < 0.8 V at VCC = 3.3 V, TA = 25°C
  • Typical VOHV (Output VOH Undershoot) 2.3 V at VCC = 3.3 V, TA = 25°C
  • Ioff supports partial-power-down-mode operation
  • Synchronous load
  • Direct overriding clear
  • Parallel-to-serial conversion
  • Latch-up performance exceeds 100 mA per JESD 78, Class II
  • Operation of 2 V to 5.5 V VCC
  • Max tpd of 10.5 ns at 5 V
  • Typical VOLP (Output Ground Bounce) < 0.8 V at VCC = 3.3 V, TA = 25°C
  • Typical VOHV (Output VOH Undershoot) 2.3 V at VCC = 3.3 V, TA = 25°C
  • Ioff supports partial-power-down-mode operation
  • Synchronous load
  • Direct overriding clear
  • Parallel-to-serial conversion
  • Latch-up performance exceeds 100 mA per JESD 78, Class II

Description

The ’LV166A devices are 8-bit parallel-load shift registers, designed for 2 V to 5.5 V VCC operation.

The ’LV166A devices are 8-bit parallel-load shift registers, designed for 2 V to 5.5 V VCC operation.

Subscribe to Welllinkchips !
Your Name
* Email
Submit a request