0
MSP430F1122
  • MSP430F1122
  • MSP430F1122
  • MSP430F1122
  • MSP430F1122

MSP430F1122

ACTIVE

8 MHz MCU with 4KB Flash, 256B SRAM, timer, 10-bit ADC, SPI/UART

Texas Instruments MSP430F1122 Product Info

1 April 2026 1

Parameters

CPU

MSP430

Frequency (MHz)

8

Flash memory (kByte)

4

RAM (kByte)

0.25

ADC type

10-bit SAR

Features

Real-time clock

UART

0

Number of ADC channels

5

SPI

0

USB

No

Hardware accelerators

0

Operating temperature range (°C)

-40 to 85

Rating

Catalog

Operating system

BareMetal (No OS), TI RTOS

Nonvolatile memory (kByte)

4

Number of GPIOs

14

Number of I2Cs

0

Security

Secure debug

Package

SOIC (DW)-20-131.84 mm² 12.8 x 10.3

Features

  • Low Supply Voltage Range 1.8 V – 3.6 V
  • Ultralow-Power Consumption:
    • Active Mode: 200 µA at 1 MHz, 2.2 V
    • Standby Mode: 0.7 µA
    • Off Mode (RAM Retention): 0.1 µA
  • Five Power Saving Modes
  • Wake-Up From Standby Mode in less than 6 µs
  • 16-Bit RISC Architecture, 125 ns Instruction Cycle Time
  • Basic Clock Module Configurations:
    • Various Internal Resistors
    • Single External Resistor
    • 32-kHz Crystal
    • High Frequency Crystal
    • Resonator
    • External Clock Source
  • 16-Bit Timer_A With Three Capture/Compare Registers
  • 10-Bit, 200-ksps A/D Converter With Internal Reference, Sample-and-Hold, Autoscan, and Data Transfer Controller
  • Serial Communication Interface (USART) With Software-Selectable Asynchronous UART or Synchronous SPI (MSP430x12x2 Only)
  • Serial Onboard Programming, No External Programming Voltage Needed Programmable Code Protection by Security Fuse
  • Supply Voltage Brownout Protection
  • MSP430x11x2 Family Members Include:
    MSP430F1122: 4KB + 256B Flash Memory 256B RAM
    MSP430F1132: 8KB + 256B Flash Memory 256B RAM
    Available in 20-Pin Plastic SOWB and 20-Pin Plastic TSSOP Packages
  • MSP430x12x2 Family Members Include:
    MSP430F1222: 4KB + 256B Flash Memory 256B RAM
    MSP430F1232: 8KB + 256B Flash Memory 256B RAM
    Available in 28-Pin Plastic SOWB and 28-Pin Plastic TSSOP Packages
  • For Complete Module Descriptions, See the MSP430x1xx Family User’s Guide, Literature Number SLAU049

  • Low Supply Voltage Range 1.8 V – 3.6 V
  • Ultralow-Power Consumption:
    • Active Mode: 200 µA at 1 MHz, 2.2 V
    • Standby Mode: 0.7 µA
    • Off Mode (RAM Retention): 0.1 µA
  • Five Power Saving Modes
  • Wake-Up From Standby Mode in less than 6 µs
  • 16-Bit RISC Architecture, 125 ns Instruction Cycle Time
  • Basic Clock Module Configurations:
    • Various Internal Resistors
    • Single External Resistor
    • 32-kHz Crystal
    • High Frequency Crystal
    • Resonator
    • External Clock Source
  • 16-Bit Timer_A With Three Capture/Compare Registers
  • 10-Bit, 200-ksps A/D Converter With Internal Reference, Sample-and-Hold, Autoscan, and Data Transfer Controller
  • Serial Communication Interface (USART) With Software-Selectable Asynchronous UART or Synchronous SPI (MSP430x12x2 Only)
  • Serial Onboard Programming, No External Programming Voltage Needed Programmable Code Protection by Security Fuse
  • Supply Voltage Brownout Protection
  • MSP430x11x2 Family Members Include:
    MSP430F1122: 4KB + 256B Flash Memory 256B RAM
    MSP430F1132: 8KB + 256B Flash Memory 256B RAM
    Available in 20-Pin Plastic SOWB and 20-Pin Plastic TSSOP Packages
  • MSP430x12x2 Family Members Include:
    MSP430F1222: 4KB + 256B Flash Memory 256B RAM
    MSP430F1232: 8KB + 256B Flash Memory 256B RAM
    Available in 28-Pin Plastic SOWB and 28-Pin Plastic TSSOP Packages
  • For Complete Module Descriptions, See the MSP430x1xx Family User’s Guide, Literature Number SLAU049

Description

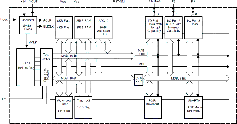
The Texas Instruments MSP430 family of ultralow-power microcontrollers consist of several devices featuring different sets of peripherals targeted for various applications. The architecture, combined with five low power modes is optimized to achieve extended battery life in portable measurement applications. The device features a powerful 16-bit RISC CPU, 16-bit registers, and constant generators that attribute to maximum code efficiency. The digitally controlled oscillator (DCO) allows wake-up from low-power modes to active mode in less than 6µs.

The MSP430x11x2 and MSP430x12x2 series are ultralow-power mixed signal microcontrollers with a built-in 16-bit timer, 10-bit A/D converter with integrated reference and data transfer controller (DTC) and fourteen or twenty-two I/O pins. In addition, the MSP430x12x2 series microcontrollers have built-in communication capability using asynchronous (UART) and synchronous (SPI) protocols.

Digital signal processing with the 16-bit RISC performance enables effective system solutions such as glass breakage detection with signal analysis (including wave digital filter algorithm). Another area of application is in stand-alone RF sensors.

The Texas Instruments MSP430 family of ultralow-power microcontrollers consist of several devices featuring different sets of peripherals targeted for various applications. The architecture, combined with five low power modes is optimized to achieve extended battery life in portable measurement applications. The device features a powerful 16-bit RISC CPU, 16-bit registers, and constant generators that attribute to maximum code efficiency. The digitally controlled oscillator (DCO) allows wake-up from low-power modes to active mode in less than 6µs.

The MSP430x11x2 and MSP430x12x2 series are ultralow-power mixed signal microcontrollers with a built-in 16-bit timer, 10-bit A/D converter with integrated reference and data transfer controller (DTC) and fourteen or twenty-two I/O pins. In addition, the MSP430x12x2 series microcontrollers have built-in communication capability using asynchronous (UART) and synchronous (SPI) protocols.

Digital signal processing with the 16-bit RISC performance enables effective system solutions such as glass breakage detection with signal analysis (including wave digital filter algorithm). Another area of application is in stand-alone RF sensors.