0
MC3487
  • MC3487
  • MC3487
  • MC3487
  • MC3487
  • MC3487

MC3487

ACTIVE

Quadruple Differential Line Driver

Texas Instruments MC3487 Product Info

1 April 2026 0

Parameters

Number of receivers

0

Number of transmitters

4

Supply voltage (nom) (V)

5

Signaling rate (max) (Mbps)

10

IEC 61000-4-2 contact (±V)

None

Fault protection (V)

-15 to 15

Common-mode range (V)

-7 to 7

Number of nodes

32

Isolated

No

Supply current (max) (µA)

85000

Rating

Catalog

Operating temperature range (°C)

0 to 70

Package

PDIP (N)-16-181.42 mm² 19.3 x 9.4

Features

  • Meets or exceeds requirements of ANSI TIA/EIA-422-B and ITU recommendation V.11
  • 3-state, TTL-compatible outputs
  • Fast transition times
  • High-impedance inputs
  • Single 5V supply
  • Power-up and power-down protection
  • Meets or exceeds requirements of ANSI TIA/EIA-422-B and ITU recommendation V.11
  • 3-state, TTL-compatible outputs
  • Fast transition times
  • High-impedance inputs
  • Single 5V supply
  • Power-up and power-down protection

Description

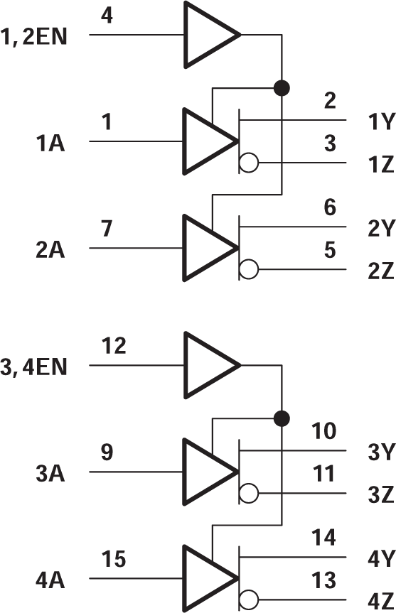
The MC3487 offers four independent differential line drivers designed to meet the specifications of ANSI TIA/EIA-422-B and ITU Recommendation V.11. Each driver has a TTL compatible input buffered to reduce current and minimize loading.

The driver outputs uses 3-state circuitry to provide high-impedance states at any pair of differential outputs when the appropriate output enable is at a low logic level. Internal circuitry is provided a high-impedance state at the differential outputs during power-up and power-down transition times, provided the output enable is low.

The MC3487 is designed for best performance when used with the MC3486 quadruple line receiver. The device is available in a 16-pin dual-in-line package and operates from a single 5V supply.

The MC3487 offers four independent differential line drivers designed to meet the specifications of ANSI TIA/EIA-422-B and ITU Recommendation V.11. Each driver has a TTL compatible input buffered to reduce current and minimize loading.

The driver outputs uses 3-state circuitry to provide high-impedance states at any pair of differential outputs when the appropriate output enable is at a low logic level. Internal circuitry is provided a high-impedance state at the differential outputs during power-up and power-down transition times, provided the output enable is low.

The MC3487 is designed for best performance when used with the MC3486 quadruple line receiver. The device is available in a 16-pin dual-in-line package and operates from a single 5V supply.

Subscribe to Welllinkchips !
Your Name
* Email
Submit a request