0
LP8727
  • LP8727
  • LP8727

LP8727

ACTIVE

Micro - Mini USB Interface with Integrated 28V Linear Charger Linux mainline status

Texas Instruments LP8727 Product Info

1 April 2026 0

Parameters

USB speed (Mbps)

480

Number of channels

2

Supply voltage (max) (V)

7

Supply voltage (min) (V)

2.5

Ron (typ) (mΩ)

2500

Input/output voltage (min) (V)

-2

Input/output voltage (max) (V)

7

Configuration

3:1

Features

Audio Switch (Negative Rail Capability), BCv1.1 Charger Detection, I2C interface, Integrated LDO, Over-Voltage Tolerance (OVT), Standby Mode, Thermal Regulation and Shutdown, UART, USB 2.0, Undervoltage Lock Out (UVLO)

Rating

Catalog

Operating temperature range (°C)

-40 to 85

Supply current (max) (µA)

400

ESD HBM (typ) (kV)

2

Bandwidth (MHz)

480

Package

DSBGA (YFQ)-25-4.84 mm² 2.2 x 2.2

Features

  • USB Multiplexing Switches
    • High-Speed USB on USB and UART Inputs
    • Negative Voltage Rail on Audio Inputs
    • Internal LDO for ID Detection and MIC Bias
    • Compatible with USB Charging Specification Rev. 1.1
    • DSS Input for Default Switch Connection
    • Low-Power MIC Standby Mode
  • Linear Charge with Single Input
    • 28 OVP on VBUS Input
    • High-Current Mode for Production Test
    • Thermal Regulation
  • Over-Voltage Protected LDO for USB Transceivers and PMU Wakeup
  • UVLO (Undervoltage Lock Out)
  • Interrupt Request to Reduce SW Polling
    • USB / ID Detection
    • SEND / END Button Detection
    • Mic Removal
    • OVLO / UVLO on VBUS
    • Charger Status
  • Thermal Shutdown Protection
  • I2C-compatible Serial Interface
  • 25-Bump 0.4 mm Pitch Thin DSBGA Package

All trademarks are the property of their respective owners.

  • USB Multiplexing Switches
    • High-Speed USB on USB and UART Inputs
    • Negative Voltage Rail on Audio Inputs
    • Internal LDO for ID Detection and MIC Bias
    • Compatible with USB Charging Specification Rev. 1.1
    • DSS Input for Default Switch Connection
    • Low-Power MIC Standby Mode
  • Linear Charge with Single Input
    • 28 OVP on VBUS Input
    • High-Current Mode for Production Test
    • Thermal Regulation
  • Over-Voltage Protected LDO for USB Transceivers and PMU Wakeup
  • UVLO (Undervoltage Lock Out)
  • Interrupt Request to Reduce SW Polling
    • USB / ID Detection
    • SEND / END Button Detection
    • Mic Removal
    • OVLO / UVLO on VBUS
    • Charger Status
  • Thermal Shutdown Protection
  • I2C-compatible Serial Interface
  • 25-Bump 0.4 mm Pitch Thin DSBGA Package

All trademarks are the property of their respective owners.

Description

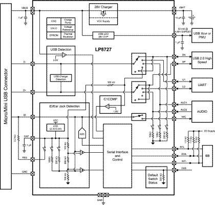
The LP8727 is designed to provide automatic multiplexing switches between Micro/Mini USB connector and USB, UART and Audio paths in cellular phone applications. It also contains a single-input Li-Ion battery charger and an overvoltage-protected LDO. Programming is handled via an I2C-compatible Serial Interface allowing control of charger, multiplexing switches, and reading status information of the device.

The multiplexing switches on USB and UART support high-speed USB, and Audio inputs can be driven to negative voltage rail. The LP8727 is compatible with USB charging specifications rev 1.1 from USB IF.

The Li-Ion charger requires few external components and integrates the power FET. Charging is thermally regulated to obtain the most efficient charging rate for a given ambient temperature. It has Overvoltage Protection (OVP) circuit at the charger input protects the PMU from input voltages up to +28V, eliminating the need for any external protection circuitry.

An overvoltage-protected LDO which can supply up to 50 mA is designed for powering up a low-voltage USB transceiver or waking up a PMU (Power Management Unit) when an external power source (either USB VBUS or wall adapter) is connected to the USB connector.

The LP8727 PMU is available in 25-bump 0.4 mm pitch thin DSBGA package (2.015 mm x 2.015 mm).

The LP8727 is designed to provide automatic multiplexing switches between Micro/Mini USB connector and USB, UART and Audio paths in cellular phone applications. It also contains a single-input Li-Ion battery charger and an overvoltage-protected LDO. Programming is handled via an I2C-compatible Serial Interface allowing control of charger, multiplexing switches, and reading status information of the device.

The multiplexing switches on USB and UART support high-speed USB, and Audio inputs can be driven to negative voltage rail. The LP8727 is compatible with USB charging specifications rev 1.1 from USB IF.

The Li-Ion charger requires few external components and integrates the power FET. Charging is thermally regulated to obtain the most efficient charging rate for a given ambient temperature. It has Overvoltage Protection (OVP) circuit at the charger input protects the PMU from input voltages up to +28V, eliminating the need for any external protection circuitry.

An overvoltage-protected LDO which can supply up to 50 mA is designed for powering up a low-voltage USB transceiver or waking up a PMU (Power Management Unit) when an external power source (either USB VBUS or wall adapter) is connected to the USB connector.

The LP8727 PMU is available in 25-bump 0.4 mm pitch thin DSBGA package (2.015 mm x 2.015 mm).

Subscribe to Welllinkchips !
Your Name
* Email
Submit a request