0
LP8550
  • LP8550
  • LP8550
  • LP8550
  • LP8550

LP8550

ACTIVE

High-Efficiency LED Backlight Driver for Notebooks Linux Mainline Status

Texas Instruments LP8550 Product Info

1 April 2026 0

Parameters

Number of channels

6

Vin (min) (V)

5.5

Vin (max) (V)

22

Vout (min) (V)

10

Vout (max) (V)

40

Type

Inductive

Switching frequency (max) (kHz)

1250

Duty cycle (max) (%)

100

LED current per channel (mA)

50

Peak efficiency (%)

91

Topology

Boost

Features

Adjustable Switch Frequency, Enable/Shutdown, I2C control, PWM control

Operating temperature range (°C)

-30 to 85

Rating

Catalog

Package

DSBGA (YZR)-25-7.5625 mm² 2.75 x 2.75

Features

  • High-Voltage DC/DC Boost Converter with Integrated FET
    with Four Switching Frequency Options: 156/312/625/1250 kHz
  • 2.7-V to 22-V Input Voltage Range to Support 1x to 5x Cell Li-Ion
    Batteries
  • Programmable PWM Resolution
    • 8 to 13 True Bits (Steady State)
    • Additional 1 to 3 Bits Using Dithering During Brightness
      Changes
  • I2C and PWM Brightness Control
  • Automatic PWM & Current Dimming for Improved Efficiency
  • PWM output frequency and LED Current set through Resistors
  • Optional Synchronization to Display VSYNC Signal
  • Six LED Outputs with LED Fault (Short/Open) Detection
  • Low Input Voltage, Overtemperature, Overcurrent Detection,
    and Shutdown
  • Minimum Number of External Components
  • High-Voltage DC/DC Boost Converter with Integrated FET
    with Four Switching Frequency Options: 156/312/625/1250 kHz
  • 2.7-V to 22-V Input Voltage Range to Support 1x to 5x Cell Li-Ion
    Batteries
  • Programmable PWM Resolution
    • 8 to 13 True Bits (Steady State)
    • Additional 1 to 3 Bits Using Dithering During Brightness
      Changes
  • I2C and PWM Brightness Control
  • Automatic PWM & Current Dimming for Improved Efficiency
  • PWM output frequency and LED Current set through Resistors
  • Optional Synchronization to Display VSYNC Signal
  • Six LED Outputs with LED Fault (Short/Open) Detection
  • Low Input Voltage, Overtemperature, Overcurrent Detection,
    and Shutdown
  • Minimum Number of External Components

Description

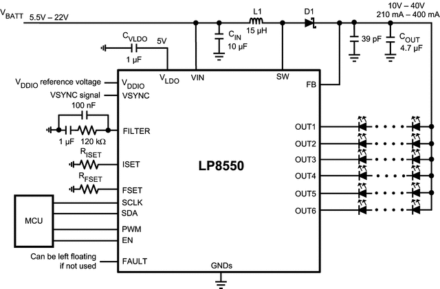
The LP8550 is a white-LED driver with integrated boost converter. It has six adjustable current sinks which can be controlled by PWM input or with I2C-compatible serial interface. The boost converter has adaptive output voltage control based on the LED driver voltages. This feature minimizes the power consumption by adjusting the voltage to lowest sufficient level in all conditions.

LED outputs have 8-bit current resolution and up to 13-bit PWM resolution with additional 1- to 3-bit dithering to achieve smooth and precise brightness control. Proprietary Phase Shift PWM control is used for LED outputs to reduce peak current from the boost converter, thus making the boost capacitors smaller. The Phase Shifting scheme also eliminates audible noise.

Automatic PWM dimming at lower brightness values and current dimming at higher brightness values can be used to improve the optical efficiency. Internal EEPROM is used for storing the configuration data. This makes it possible to have minimum external component count and make the solution very small.

The LP8550 has safety features which make it possible to detect LED outputs with open or short fault — low input voltage and boost overcurrent conditions are monitored, and chip is turned off in case of these events. Thermal de-rating function prevents overheating of the device by reducing backlight brightness when set temperature has been reached.

The LP8550 is a white-LED driver with integrated boost converter. It has six adjustable current sinks which can be controlled by PWM input or with I2C-compatible serial interface. The boost converter has adaptive output voltage control based on the LED driver voltages. This feature minimizes the power consumption by adjusting the voltage to lowest sufficient level in all conditions.

LED outputs have 8-bit current resolution and up to 13-bit PWM resolution with additional 1- to 3-bit dithering to achieve smooth and precise brightness control. Proprietary Phase Shift PWM control is used for LED outputs to reduce peak current from the boost converter, thus making the boost capacitors smaller. The Phase Shifting scheme also eliminates audible noise.

Automatic PWM dimming at lower brightness values and current dimming at higher brightness values can be used to improve the optical efficiency. Internal EEPROM is used for storing the configuration data. This makes it possible to have minimum external component count and make the solution very small.

The LP8550 has safety features which make it possible to detect LED outputs with open or short fault — low input voltage and boost overcurrent conditions are monitored, and chip is turned off in case of these events. Thermal de-rating function prevents overheating of the device by reducing backlight brightness when set temperature has been reached.

Subscribe to Welllinkchips !
Your Name
* Email
Submit a request