0
LP3954
  • LP3954
  • LP3954
  • LP3954
  • LP3954
  • LP3954

LP3954

ACTIVE

Advanced lighting management unit

Texas Instruments LP3954 Product Info

1 April 2026 2

Parameters

Number of channels

13

LED current per channel (mA)

25.5

LED configuration

Parallel

Program memory

Yes

Topology

Boost

Programmable ramp control

Yes

Vin (min) (V)

3

Vin (max) (V)

7.2

Iout (max) (A)

0.4

Features

Analog/PWM mixed dimming, Constant current, I2C control

Iq (typ) (mA)

0.4

Shutdown current (ISD) (typ) (µA)

1

Operating temperature range (°C)

-30 to 85

Rating

Catalog

Package

DSBGA (YZR)-36-10.5625 mm² 3.25 x 3.25

Features

  • Audio Synchronization for Color/RGB LEDs
  • Command Based PWM Controlled RGB LED Drivers
  • High Current Driver for Flash LED With Built-in Timing
  • 4+2 or 6 Low Voltage Constant Current White LED Drivers With Orogrammable 8-Bit Adjustment (0…25mA/LED)
  • High Efficiency Boost DC-DC Converter
  • SPI / I2C Compatible Interface
  • Possibility for External PWM Dimming Control
  • Possibility for Clock Synchronization for RGB Timing
  • Ambient Light and Temperature Sensing Possibility
  • Small Package – DSBGA, 3.0 x 3.0 x 0.6mm

All trademarks are the property of their respective owners.

  • Audio Synchronization for Color/RGB LEDs
  • Command Based PWM Controlled RGB LED Drivers
  • High Current Driver for Flash LED With Built-in Timing
  • 4+2 or 6 Low Voltage Constant Current White LED Drivers With Orogrammable 8-Bit Adjustment (0…25mA/LED)
  • High Efficiency Boost DC-DC Converter
  • SPI / I2C Compatible Interface
  • Possibility for External PWM Dimming Control
  • Possibility for Clock Synchronization for RGB Timing
  • Ambient Light and Temperature Sensing Possibility
  • Small Package – DSBGA, 3.0 x 3.0 x 0.6mm

All trademarks are the property of their respective owners.

Description

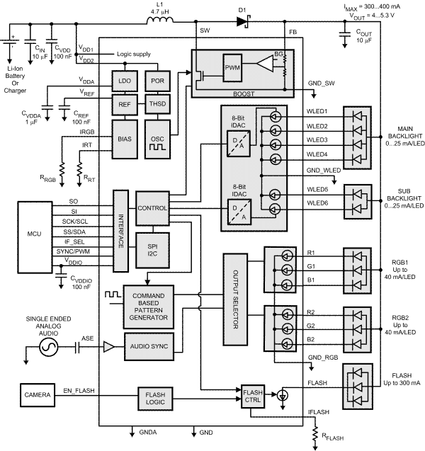
LP3954 is an advanced lighting management unit for handheld devices. It drives any phone lights including display backlights, RGB, keypad and camera flash LEDs. The boost DC-DC converter drives high current loads with high efficiency. White LED backlight drivers are high efficiency low voltage structures with excellent matching and automatic fade in/ fade out function. The new stand-alone command based RGB controller is feature rich and easy to configure. Built-in audio synchronization feature allows user to synchronize the color LEDs to audio input. Integrated high current driver can drive camera flash LED or motor/vibra. Internal ADC can be used for ambient light or temperature sensing. The flexible SPI/I2C interface allows easy control of LP3954. Small DSBGA package together with minimum number of external components is a best fit for handheld devices.

LP3954 is an advanced lighting management unit for handheld devices. It drives any phone lights including display backlights, RGB, keypad and camera flash LEDs. The boost DC-DC converter drives high current loads with high efficiency. White LED backlight drivers are high efficiency low voltage structures with excellent matching and automatic fade in/ fade out function. The new stand-alone command based RGB controller is feature rich and easy to configure. Built-in audio synchronization feature allows user to synchronize the color LEDs to audio input. Integrated high current driver can drive camera flash LED or motor/vibra. Internal ADC can be used for ambient light or temperature sensing. The flexible SPI/I2C interface allows easy control of LP3954. Small DSBGA package together with minimum number of external components is a best fit for handheld devices.

Subscribe to Welllinkchips !
Your Name
* Email
Submit a request