0
LP2997
  • LP2997
  • LP2997
  • LP2997
  • LP2997
  • LP2997
  • LP2997
  • LP2997

LP2997

ACTIVE

DDR-II Termination Regulator

Texas Instruments LP2997 Product Info

1 April 2026 0

Parameters

Product type

DDR

Vin (min) (V)

1.8

Vin (max) (V)

5.5

Vout (min) (V)

0.822

Vout (max) (V)

0.887

Features

Shutdown Pin for S3

Rating

Catalog

Operating temperature range (°C)

0 to 125

Iq (typ) (mA)

0.32

DDR memory type

DDR2

Package

HSOIC (DDA)-8-29.4 mm² 4.9 x 6

Features

  • Source and Sink Current
  • Low Output Voltage Offset
  • No External Resistors Required
  • Linear Topology
  • Suspend to Ram (STR) Functionality
  • Low External Component Count
  • Thermal Shutdown
  • Available in SOIC-8, SO PowerPAD-8 Packages

All trademarks are the property of their respective owners.

  • Source and Sink Current
  • Low Output Voltage Offset
  • No External Resistors Required
  • Linear Topology
  • Suspend to Ram (STR) Functionality
  • Low External Component Count
  • Thermal Shutdown
  • Available in SOIC-8, SO PowerPAD-8 Packages

All trademarks are the property of their respective owners.

Description

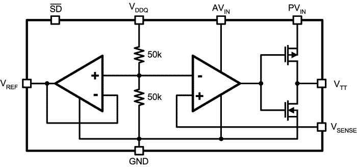
The LP2997 linear regulator is designed to meet the JEDEC SSTL-18 specifications for termination of DDR-II memory. The device contains a high-speed operational amplifier to provide excellent response to load transients. The output stage prevents shoot through while delivering 500mA continuous current and transient peaks up to 900mA in the application as required for DDR-II SDRAM termination. The LP2997 also incorporates a VSENSE pin to provide superior load regulation and a VREF output as a reference for the chipset and DIMMs.

An additional feature found on the LP2997 is an active low shutdown (SD) pin that provides Suspend To RAM (STR) functionality. When SD is pulled low the VTT output will tri-state providing a high impedance output, but, VREF will remain active. A power savings advantage can be obtained in this mode through lower quiescent current.

The LP2997 linear regulator is designed to meet the JEDEC SSTL-18 specifications for termination of DDR-II memory. The device contains a high-speed operational amplifier to provide excellent response to load transients. The output stage prevents shoot through while delivering 500mA continuous current and transient peaks up to 900mA in the application as required for DDR-II SDRAM termination. The LP2997 also incorporates a VSENSE pin to provide superior load regulation and a VREF output as a reference for the chipset and DIMMs.

An additional feature found on the LP2997 is an active low shutdown (SD) pin that provides Suspend To RAM (STR) functionality. When SD is pulled low the VTT output will tri-state providing a high impedance output, but, VREF will remain active. A power savings advantage can be obtained in this mode through lower quiescent current.

Subscribe to Welllinkchips !
Your Name
* Email
Submit a request