0
LMR51606-Q1
  • LMR51606-Q1
  • LMR51606-Q1

LMR51606-Q1

ACTIVE

Automotive 4.5V-to-65V 0.6A synchronous buck converter with 25µA quiescent current in SOT-23 package

Texas Instruments LMR51606-Q1 Product Info

1 April 2026 0

Parameters

Rating

Automotive

Topology

Buck

Iout (max) (A)

0.6

Vin (max) (V)

65

Vin (min) (V)

4.5

Vout (max) (V)

28

Vout (min) (V)

0.8

Features

Enable, Forced PWM, Over Current Protection, Pre-Bias Start-Up, Synchronous Rectification

Control mode

current mode

Operating temperature range (°C)

-40 to 150

Iq (typ) (A)

0.000025

TI functional safety category

Functional Safety-Capable

Package

SOT-23 (DBV)-6-8.12 mm² 2.9 x 2.8

Features

  • AEC-Q100 qualified
    • Temperature grade 1: –40°C to 125°C ambient operating temperature range
  • Functional Safety-Capable
  • Configured for rugged industrial applications
    • 4V to 65V input voltage range
    • Input transient protection up to 70V
    • 0.6A / 1A continuous output current
    • 80ns minimum switching on time
    • Fixed 400kHz switching frequency
    • –40°C to 150°C junction temperature range
    • 96% maximum duty cycle
    • Monotonic start-up with prebiased output
    • Short-circuit protection with hiccup mode
    • Precision enable
  • Small design size and ease of use
    • Integrated synchronous rectification
    • Internal compensation for ease of use
  • Various options in pin-to-pin compatible package
    • PFM and forced PWM (FPWM) options
  • Pin-to-pin compatible with the LMR16006Y-Q1, LM2842-Q1, LMR50410-Q1, and TPS560430-Q1
  • Create a custom design using the LMR516xx-Q1 with the WEBENCHPower Designer
  • AEC-Q100 qualified
    • Temperature grade 1: –40°C to 125°C ambient operating temperature range
  • Functional Safety-Capable
  • Configured for rugged industrial applications
    • 4V to 65V input voltage range
    • Input transient protection up to 70V
    • 0.6A / 1A continuous output current
    • 80ns minimum switching on time
    • Fixed 400kHz switching frequency
    • –40°C to 150°C junction temperature range
    • 96% maximum duty cycle
    • Monotonic start-up with prebiased output
    • Short-circuit protection with hiccup mode
    • Precision enable
  • Small design size and ease of use
    • Integrated synchronous rectification
    • Internal compensation for ease of use
  • Various options in pin-to-pin compatible package
    • PFM and forced PWM (FPWM) options
  • Pin-to-pin compatible with the LMR16006Y-Q1, LM2842-Q1, LMR50410-Q1, and TPS560430-Q1
  • Create a custom design using the LMR516xx-Q1 with the WEBENCHPower Designer

Description

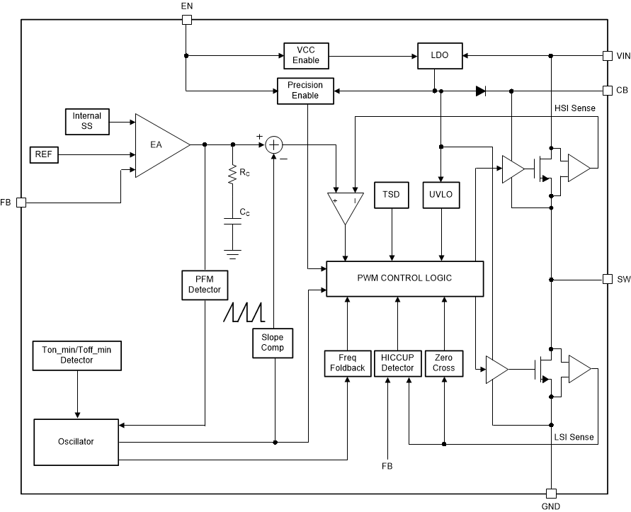
The LMR516xx-Q1 is a wide-VIN, easy-to-use, synchronous buck converter capable of driving up to 0.6A and 1A load current. With a wide input range of 4V to 65V, the device is designed for a wide range of industrial applications for power conditioning from an unregulated source.

The LMR516xx-Q1 operates at 400kHz switching frequency to support use of relatively small inductors for an optimized design size. The LMR516xx-Q1 has a PFM version to realize high efficiency at light load and a FPWM version to achieve constant frequency and small output voltage ripple over the full load range. Soft-start and compensation circuits are implemented internally, which allow the device to be used with minimal external components.

The device has built-in protection features, such as cycle-by-cycle current limit, hiccup mode short-circuit protection, and thermal shutdown in case of excessive power dissipation.

The LMR516xx-Q1 is a wide-VIN, easy-to-use, synchronous buck converter capable of driving up to 0.6A and 1A load current. With a wide input range of 4V to 65V, the device is designed for a wide range of industrial applications for power conditioning from an unregulated source.

The LMR516xx-Q1 operates at 400kHz switching frequency to support use of relatively small inductors for an optimized design size. The LMR516xx-Q1 has a PFM version to realize high efficiency at light load and a FPWM version to achieve constant frequency and small output voltage ripple over the full load range. Soft-start and compensation circuits are implemented internally, which allow the device to be used with minimal external components.

The device has built-in protection features, such as cycle-by-cycle current limit, hiccup mode short-circuit protection, and thermal shutdown in case of excessive power dissipation.

Subscribe to Welllinkchips !
Your Name
* Email
Submit a request