0
LMG3426R030
  • LMG3426R030
  • LMG3426R030
  • LMG3426R030
  • LMG3426R030
  • LMG3426R030

LMG3426R030

ACTIVE

600V 30mΩ GaN FET with integrated driver, protection and zero-voltage detection

Texas Instruments LMG3426R030 Product Info

1 April 2026 0

Parameters

VDS (max) (V)

600

RDS(on) (mΩ)

30

ID (max) (A)

55

Features

Bottom-side cooled, Cycle-by-cycle overcurrent protection, Latched overcurrent protection, Overtemperature protection, PWM temperature reporting, Zero voltage detection

Rating

Catalog

Operating temperature range (°C)

-40 to 125

Package

VQFN (RQZ)-54-144 mm² 12 x 12

Features

  • Qualified for JEDEC JEP180 for hard-switching topologies
  • 600V GaN-on-Si FET with integrated gate driver
    • Integrated high precision gate bias voltage
    • 200V/ns FET hold-off
    • 2.2MHz switching frequency
    • 20V/ns to 150V/ns slew rate for optimization of switching performance and EMI mitigation
    • Operates from 7.5V to 18V supply
  • Robust protection
    • Cycle-by-cycle overcurrent and latched short-circuit protection with < 100ns response
    • Withstands 720V surge while hard-switching
    • Self-protection from internal overtemperature and UVLO monitoring
  • Advanced power management
    • Digital temperature PWM output
    • LMG3426R030 includes zero-voltage detection (ZVD) feature that facilitates soft-switching converters
    • LMG3427R030 includes zero-current detection (ZCD) feature that facilitates soft-switching converters
  • Qualified for JEDEC JEP180 for hard-switching topologies
  • 600V GaN-on-Si FET with integrated gate driver
    • Integrated high precision gate bias voltage
    • 200V/ns FET hold-off
    • 2.2MHz switching frequency
    • 20V/ns to 150V/ns slew rate for optimization of switching performance and EMI mitigation
    • Operates from 7.5V to 18V supply
  • Robust protection
    • Cycle-by-cycle overcurrent and latched short-circuit protection with < 100ns response
    • Withstands 720V surge while hard-switching
    • Self-protection from internal overtemperature and UVLO monitoring
  • Advanced power management
    • Digital temperature PWM output
    • LMG3426R030 includes zero-voltage detection (ZVD) feature that facilitates soft-switching converters
    • LMG3427R030 includes zero-current detection (ZCD) feature that facilitates soft-switching converters

Description

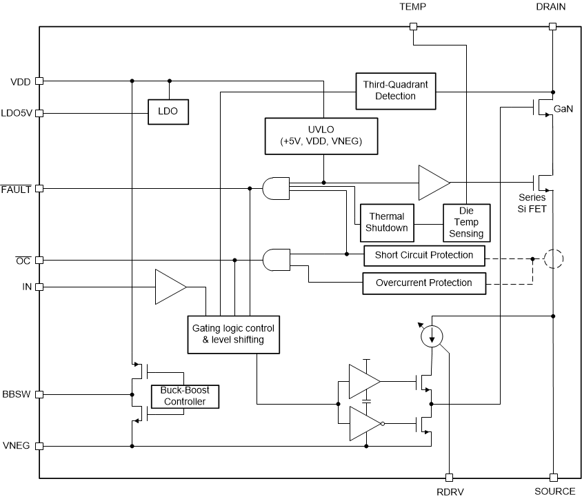
The LMG342xR030 GaN FET with integrated driver and protection is targeted at switch-mode power converters and enables designers to achieve new levels of power density and efficiency.

The LMG342xR030 integrates a silicon driver that enables switching speed up to 150V/ns. TI’s integrated precision gate bias results in higher switching SOA compared to discrete silicon gate drivers. This integration, combined with TI’s low-inductance package, delivers clean switching and minimal ringing in hard-switching power supply topologies. Adjustable gate drive strength allows control of the slew rate from 20V/ns to 150V/ns, which can be used to actively control EMI and optimize switching performance. The LMG3426R030 includes the zero-voltage detection (ZVD) feature which provides a pulse output from the ZVD pin when zero-voltage switching is realized.The LMG3427R030 includes the zero-current detection (ZCD) feature which provides a pulse output from the ZCD pin when a positive drain-to-source current is detected .

Advanced power management features include digital temperature reporting and fault detection. The temperature of the GaN FET is reported through a variable duty cycle PWM output, which simplifies managing device loading. Faults reported include overcurrent, short-circuit, overtemperature, VDD UVLO, and high-impedance RDRV pin.

The LMG342xR030 GaN FET with integrated driver and protection is targeted at switch-mode power converters and enables designers to achieve new levels of power density and efficiency.

The LMG342xR030 integrates a silicon driver that enables switching speed up to 150V/ns. TI’s integrated precision gate bias results in higher switching SOA compared to discrete silicon gate drivers. This integration, combined with TI’s low-inductance package, delivers clean switching and minimal ringing in hard-switching power supply topologies. Adjustable gate drive strength allows control of the slew rate from 20V/ns to 150V/ns, which can be used to actively control EMI and optimize switching performance. The LMG3426R030 includes the zero-voltage detection (ZVD) feature which provides a pulse output from the ZVD pin when zero-voltage switching is realized.The LMG3427R030 includes the zero-current detection (ZCD) feature which provides a pulse output from the ZCD pin when a positive drain-to-source current is detected .

Advanced power management features include digital temperature reporting and fault detection. The temperature of the GaN FET is reported through a variable duty cycle PWM output, which simplifies managing device loading. Faults reported include overcurrent, short-circuit, overtemperature, VDD UVLO, and high-impedance RDRV pin.

Subscribe to Welllinkchips !
Your Name
* Email
Submit a request