0
LM34917A
  • LM34917A
  • LM34917A
  • LM34917A
  • LM34917A

LM34917A

ACTIVE

2.3x2mm, 8-33V, 1.25A, Constant On-Time Non-Synchronous Buck Regulator w/ Intelligent Current Limit Package Package

Texas Instruments LM34917A Product Info

1 April 2026 0

Parameters

Rating

Catalog

Topology

Buck

Iout (max) (A)

1.25

Vin (max) (V)

33

Vin (min) (V)

8

Vout (max) (V)

30

Vout (min) (V)

2.5

Features

Enable, Overcurrent protection

Control mode

Constant on-time (COT)

Operating temperature range (°C)

-40 to 125

Iq (typ) (A)

0.00068

Duty cycle (max) (%)

97

Package

DSBGA (YZR)-12-3.9375 mm² 2.25 x 1.75

Features

  • Functional Input Voltage Range: 8V to 33V
  • DSBGA package
  • Input Over-Voltage Shutdown at ≊35V
  • Transient Capability to 50V
  • Integrated N-Channel buck switch
  • Valley current limit varies with VIN and VOUT to reduce excessive inductor current
  • On-time is reduced when in current limit
  • Integrated start-up regulator
  • No loop compensation required
  • Ultra-Fast transient response
  • Maximum switching frequency: 2 MHz
  • Operating frequency remains nearly constant with load current and input voltage variations
  • Programmable soft-start
  • Precision internal reference
  • Adjustable output voltage
  • Thermal shutdown

Package

  • 12-Bump DSBGA Package

All trademarks are the property of their respective owners.

  • Functional Input Voltage Range: 8V to 33V
  • DSBGA package
  • Input Over-Voltage Shutdown at ≊35V
  • Transient Capability to 50V
  • Integrated N-Channel buck switch
  • Valley current limit varies with VIN and VOUT to reduce excessive inductor current
  • On-time is reduced when in current limit
  • Integrated start-up regulator
  • No loop compensation required
  • Ultra-Fast transient response
  • Maximum switching frequency: 2 MHz
  • Operating frequency remains nearly constant with load current and input voltage variations
  • Programmable soft-start
  • Precision internal reference
  • Adjustable output voltage
  • Thermal shutdown

Package

  • 12-Bump DSBGA Package

All trademarks are the property of their respective owners.

Description

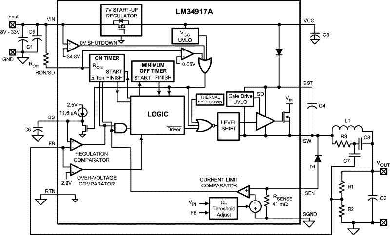
The LM34917A Step-Down Switching Regulator features all the functions needed to implement a low cost, efficient, buck bias regulator capable of supplying at least 1.25A to the load. To reduce excessive switch current due to the possibility of a saturating inductor the valley current limit threshold changes with input and output voltages, and the on-time is reduced when current limit is detected. This buck regulator contains an N-Channel Buck Switch, and is available in the 12 pin DSBGA package. The constant on-time feedback regulation scheme requires no loop compensation, results in fast load transient response, and simplifies circuit implementation. The operating frequency remains constant with line and load variations due to the inverse relationship between the input voltage and the on-time. The valley current limit results in a smooth transition from constant voltage to constant current mode when current limit is detected, reducing the frequency and output voltage, without the use of foldback. Additional features include: VCC under-voltage lock-out, input over-voltage shutdown, thermal shutdown, gate drive under-voltage lock-out, and maximum duty cycle limit.

The LM34917A Step-Down Switching Regulator features all the functions needed to implement a low cost, efficient, buck bias regulator capable of supplying at least 1.25A to the load. To reduce excessive switch current due to the possibility of a saturating inductor the valley current limit threshold changes with input and output voltages, and the on-time is reduced when current limit is detected. This buck regulator contains an N-Channel Buck Switch, and is available in the 12 pin DSBGA package. The constant on-time feedback regulation scheme requires no loop compensation, results in fast load transient response, and simplifies circuit implementation. The operating frequency remains constant with line and load variations due to the inverse relationship between the input voltage and the on-time. The valley current limit results in a smooth transition from constant voltage to constant current mode when current limit is detected, reducing the frequency and output voltage, without the use of foldback. Additional features include: VCC under-voltage lock-out, input over-voltage shutdown, thermal shutdown, gate drive under-voltage lock-out, and maximum duty cycle limit.

Subscribe to Welllinkchips !
Your Name
* Email
Submit a request