0
LM2907-N
  • LM2907-N
  • LM2907-N
  • LM2907-N
  • LM2907-N
  • LM2907-N
  • LM2907-N
  • LM2907-N
  • LM2907-N

LM2907-N

ACTIVE

Frequency-to-voltage converter for ground or supply referred load up to 50 mA

Texas Instruments LM2907-N Product Info

1 April 2026 0

Parameters

Vs (min) (V)

6

Vs (max) (V)

28

Product type

Frequency-to-voltage

Operating temperature range (°C)

-40 to 85

Rating

Catalog

Package

PDIP (N)-14-181.42 mm² 19.3 x 9.4

Features

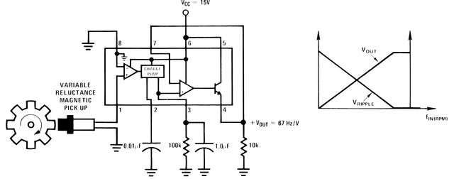
  • Ground Referenced Tachometer Input Interfaces Directly With Variable Reluctance Magnetic Pickups
  • Op Amp Has Floating Transistor Output
  • 50-mA Sink or Source to Operate Relays, Solenoids, Meters, or LEDs
  • Frequency Doubling For Low Ripple
  • Tachometer Has Built-In Hysteresis With Either Differential Input or Ground Referenced Input
  • ±0.3% Linearity (Typical)
  • Ground-Referenced Tachometer is Fully Protected From Damage Due to Swings Above VCC and Below Ground
  • Output Swings to Ground For Zero Frequency Input
  • Easy to Use×VOUT = fIN × VCC × R1 × C1
  • Zener Regulator on Chip allows Accurate and Stable Frequency to Voltage or Current Conversion (LM2917)
  • Ground Referenced Tachometer Input Interfaces Directly With Variable Reluctance Magnetic Pickups
  • Op Amp Has Floating Transistor Output
  • 50-mA Sink or Source to Operate Relays, Solenoids, Meters, or LEDs
  • Frequency Doubling For Low Ripple
  • Tachometer Has Built-In Hysteresis With Either Differential Input or Ground Referenced Input
  • ±0.3% Linearity (Typical)
  • Ground-Referenced Tachometer is Fully Protected From Damage Due to Swings Above VCC and Below Ground
  • Output Swings to Ground For Zero Frequency Input
  • Easy to Use×VOUT = fIN × VCC × R1 × C1
  • Zener Regulator on Chip allows Accurate and Stable Frequency to Voltage or Current Conversion (LM2917)

Description

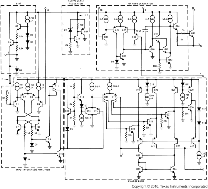
The LM2907 and LM2917 devices are monolithic frequency-to-voltage converters with a high gain op amp designed to operate a relay, lamp, or other load when the input frequency reaches or exceeds a selected rate. The tachometer uses a charge pump technique and offers frequency doubling for low-ripple, full-input protection in two versions (8-pin LM2907 and LM2917), and its output swings to ground for a zero frequency input.

The op amp is fully compatible with the tachometer and has a floating transistor as its output. This feature allows either a ground or supply referred load of up to 50 mA. The collector may be taken above VCC up to a maximum VCE of 28 V.

The two basic configurations offered include an 8-pin device with a input and an internal connection between the tachometer output and the op amp noninverting input. This version is well suited for single speed or frequency switching or fully buffered frequency-to-voltage conversion applications.

The more versatile configurations provide differential tachometer input and uncommitted op amp inputs. With this version the tachometer input may be floated and the op amp becomes suitable for active filter conditioning of the tachometer output.

Both of these configurations are available with an active shunt regulator connected across the power leads. The regulator clamps the supply such that stable frequency-to-voltage and frequency-to-current operations are possible with any supply voltage and a suitable resistor.

The LM2907 and LM2917 devices are monolithic frequency-to-voltage converters with a high gain op amp designed to operate a relay, lamp, or other load when the input frequency reaches or exceeds a selected rate. The tachometer uses a charge pump technique and offers frequency doubling for low-ripple, full-input protection in two versions (8-pin LM2907 and LM2917), and its output swings to ground for a zero frequency input.

The op amp is fully compatible with the tachometer and has a floating transistor as its output. This feature allows either a ground or supply referred load of up to 50 mA. The collector may be taken above VCC up to a maximum VCE of 28 V.

The two basic configurations offered include an 8-pin device with a input and an internal connection between the tachometer output and the op amp noninverting input. This version is well suited for single speed or frequency switching or fully buffered frequency-to-voltage conversion applications.

The more versatile configurations provide differential tachometer input and uncommitted op amp inputs. With this version the tachometer input may be floated and the op amp becomes suitable for active filter conditioning of the tachometer output.

Both of these configurations are available with an active shunt regulator connected across the power leads. The regulator clamps the supply such that stable frequency-to-voltage and frequency-to-current operations are possible with any supply voltage and a suitable resistor.

Subscribe to Welllinkchips !
Your Name
* Email
Submit a request