0
LM2675
  • LM2675
  • LM2675
  • LM2675
  • LM2675
  • LM2675
  • LM2675

LM2675

ACTIVE

SIMPLE SWITCHER® 6.5V to 40V, 1A Low Component Count Step-Down Regulator

Texas Instruments LM2675 Product Info

1 April 2026 0

Parameters

Rating

Catalog

Topology

Buck

Iout (max) (A)

1

Vin (max) (V)

40

Vin (min) (V)

6.5

Vout (max) (V)

37

Vout (min) (V)

1.23

Features

Enable, Overcurrent protection

Control mode

Voltage mode

Operating temperature range (°C)

-40 to 125

Iq (typ) (A)

0.0025

Duty cycle (max) (%)

95

Package

PDIP (P)-8-92.5083 mm² 9.81 x 9.43

Features

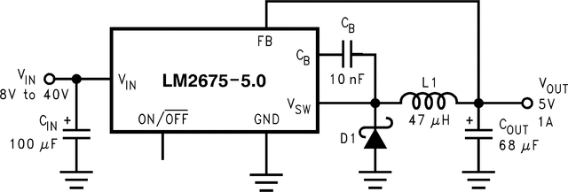
  • Efficiency up to 96%
  • Available in 8-pin SOIC, PDIP, and 16-pin WSON package
  • Requires only 5 external components
  • 3.3V, 5V, 12V, and adjustable output versions
  • 1.21V to 37V adjustable version output voltage range
  • ±1.5% maximum output voltage tolerance over line and load conditions
  • Specified 1A output load current
  • 8V to 40V wide input voltage range
  • 260kHz fixed frequency internal oscillator
  • TTL shutdown capability, low-power standby mode
  • Thermal shutdown and current limit protection
  • Create a custom design using the LM2675 with the WEBENCH® Power Designer
  • Efficiency up to 96%
  • Available in 8-pin SOIC, PDIP, and 16-pin WSON package
  • Requires only 5 external components
  • 3.3V, 5V, 12V, and adjustable output versions
  • 1.21V to 37V adjustable version output voltage range
  • ±1.5% maximum output voltage tolerance over line and load conditions
  • Specified 1A output load current
  • 8V to 40V wide input voltage range
  • 260kHz fixed frequency internal oscillator
  • TTL shutdown capability, low-power standby mode
  • Thermal shutdown and current limit protection
  • Create a custom design using the LM2675 with the WEBENCH® Power Designer

Description

The LM2675 series of regulators are monolithic integrated DC-DC converter circuits built with a LMDMOS process. These regulators provide all the active functions for a step-down (buck) switching regulator, capable of driving a 1A load current with excellent line and load regulation. These devices are available in fixed output voltages of 3.3V, 5V, 12V, and an adjustable output version.

Requiring a minimum number of external components, these regulators are simple to use and include patented internal frequency compensation and a fixed frequency oscillator.

The LM2675 series operates at a switching frequency of 260kHz, thus allowing smaller-sized filter components than what is needed with lower frequency switching regulators. Because of the very high efficiency (> 90%), the copper traces on the printed-circuit board are the only heat sinking needed.

A family of standard inductors for use with the LM2675 are available from several different manufacturers. This feature greatly simplifies the design of switch-mode power supplies using these advanced ICs. Also included in the data sheet are selector guides for diodes and capacitors designed to work in switch-mode power supplies.

Other features include ±1.5%-tolerance on output voltage within specified input voltages and output load conditions, and ±10% on the oscillator frequency. External shutdown is included, featuring typically 50µA stand-by current. The output switch includes current limiting, as well as thermal shutdown for full protection under fault conditions.

The LM2675 series of regulators are monolithic integrated DC-DC converter circuits built with a LMDMOS process. These regulators provide all the active functions for a step-down (buck) switching regulator, capable of driving a 1A load current with excellent line and load regulation. These devices are available in fixed output voltages of 3.3V, 5V, 12V, and an adjustable output version.

Requiring a minimum number of external components, these regulators are simple to use and include patented internal frequency compensation and a fixed frequency oscillator.

The LM2675 series operates at a switching frequency of 260kHz, thus allowing smaller-sized filter components than what is needed with lower frequency switching regulators. Because of the very high efficiency (> 90%), the copper traces on the printed-circuit board are the only heat sinking needed.

A family of standard inductors for use with the LM2675 are available from several different manufacturers. This feature greatly simplifies the design of switch-mode power supplies using these advanced ICs. Also included in the data sheet are selector guides for diodes and capacitors designed to work in switch-mode power supplies.

Other features include ±1.5%-tolerance on output voltage within specified input voltages and output load conditions, and ±10% on the oscillator frequency. External shutdown is included, featuring typically 50µA stand-by current. The output switch includes current limiting, as well as thermal shutdown for full protection under fault conditions.

Subscribe to Welllinkchips !
Your Name
* Email
Submit a request