0
LM25011
  • LM25011
  • LM25011
  • LM25011

LM25011

ACTIVE

6-42V Wide Vin, 2A Constant-On Time Buck Regulator with Adjustable Current Limit

Texas Instruments LM25011 Product Info

1 April 2026 0

Parameters

Rating

Catalog

Topology

Buck

Iout (max) (A)

2

Vin (max) (V)

42

Vin (min) (V)

6

Vout (max) (V)

40

Vout (min) (V)

2.51

Features

Adjustable current limit, Overcurrent protection, Power good

Control mode

Constant on-time (COT)

Operating temperature range (°C)

-40 to 125

Iq (typ) (A)

0.0012

Duty cycle (max) (%)

99

Package

HVSSOP (DGQ)-10-14.7 mm² 3 x 4.9

Features

  • LM25011-Q1 is an Automotive Grade Product that is AEC-Q100 Grade 1 Qualified (–40°C to +125°C Operating Junction Temperature)
  • LM25011A Allows Low-Dropout Operation at High Switching Frequency
  • Input Operating Voltage Range: 6 V to 42 V
  • Absolute Maximum Input Rating: 45 V
  • Integrated 2-A N-Channel Buck Switch
  • Adjustable Current Limit Allows for Smaller Inductor
  • Adjustable Output Voltage from 2.51 V
  • Minimum Ripple Voltage at VOUT
  • Power Good Output
  • Switching Frequency Adjustable to 2 MHz
  • COT Topology Features:
    • Switching Frequency Remains Nearly Constant with Load Current and Input Voltage Variations
    • Ultra-Fast Transient Response
    • No Loop Compensation Required
    • Stable Operation with Ceramic Output Capacitors
    • Allows for Smaller Output Capacitor and Current Sense Resistor
  • Adjustable Soft-Start Timing
  • Thermal Shutdown
  • Precision 2% Feedback Reference
  • Package: 10-Pin, HVSSOP
  • Create a Custom Design Using the LM25011 Family with the WEBENCH Power Designer
  • LM25011-Q1 is an Automotive Grade Product that is AEC-Q100 Grade 1 Qualified (–40°C to +125°C Operating Junction Temperature)
  • LM25011A Allows Low-Dropout Operation at High Switching Frequency
  • Input Operating Voltage Range: 6 V to 42 V
  • Absolute Maximum Input Rating: 45 V
  • Integrated 2-A N-Channel Buck Switch
  • Adjustable Current Limit Allows for Smaller Inductor
  • Adjustable Output Voltage from 2.51 V
  • Minimum Ripple Voltage at VOUT
  • Power Good Output
  • Switching Frequency Adjustable to 2 MHz
  • COT Topology Features:
    • Switching Frequency Remains Nearly Constant with Load Current and Input Voltage Variations
    • Ultra-Fast Transient Response
    • No Loop Compensation Required
    • Stable Operation with Ceramic Output Capacitors
    • Allows for Smaller Output Capacitor and Current Sense Resistor
  • Adjustable Soft-Start Timing
  • Thermal Shutdown
  • Precision 2% Feedback Reference
  • Package: 10-Pin, HVSSOP
  • Create a Custom Design Using the LM25011 Family with the WEBENCH Power Designer

Description

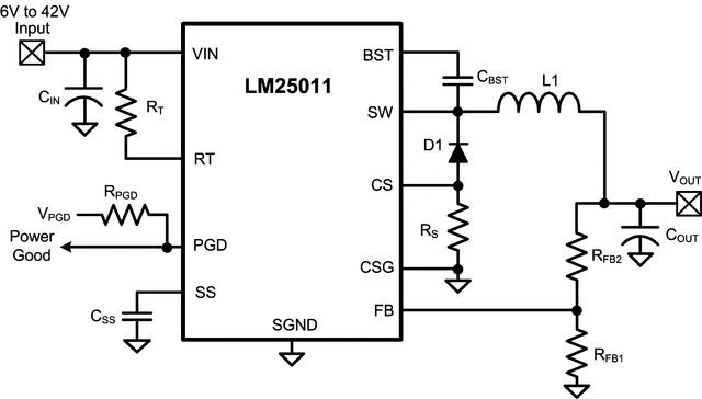
The LM25011 constant on-time step-down switching regulator features all the functions needed to implement a low-cost, efficient, buck bias regulator capable of supplying up to 2 A of load current. This high-voltage regulator contains an N-Channel Buck switch, a startup regulator, current limit detection, and internal ripple control. The constant on-time regulation principle requires no loop compensation, results in fast load transient response, and simplifies circuit implementation. The operating frequency remains constant with line and load. The adjustable valley current limit detection results in a smooth transition from constant voltage to constant current mode when current limit is reached, without the use of current limit foldback. The PGD output indicates the output voltage has increased to within 5% of the expected regulation value. Additional features include: Low output ripple, VIN under-voltage lock-out, adjustable soft-start timing, thermal shutdown, gate drive pre-charge, gate drive under-voltage lock-out, and maximum duty cycle limit.

The LM25011A has a shorter minimum off-time than the LM25011, which allows for higher frequency operation at low input voltages.

The LM25011 constant on-time step-down switching regulator features all the functions needed to implement a low-cost, efficient, buck bias regulator capable of supplying up to 2 A of load current. This high-voltage regulator contains an N-Channel Buck switch, a startup regulator, current limit detection, and internal ripple control. The constant on-time regulation principle requires no loop compensation, results in fast load transient response, and simplifies circuit implementation. The operating frequency remains constant with line and load. The adjustable valley current limit detection results in a smooth transition from constant voltage to constant current mode when current limit is reached, without the use of current limit foldback. The PGD output indicates the output voltage has increased to within 5% of the expected regulation value. Additional features include: Low output ripple, VIN under-voltage lock-out, adjustable soft-start timing, thermal shutdown, gate drive pre-charge, gate drive under-voltage lock-out, and maximum duty cycle limit.

The LM25011A has a shorter minimum off-time than the LM25011, which allows for higher frequency operation at low input voltages.

Subscribe to Welllinkchips !
Your Name
* Email
Submit a request