0
LM10000
  • LM10000
  • LM10000
  • LM10000
  • LM10000

LM10000

ACTIVE

AVS System Controller Key Specifications Key Specifications

Texas Instruments LM10000 Product Info

1 April 2026 0

Parameters

Rating

Catalog

Operating temperature range (°C)

-40 to 125

Package

WSON (NHK)-14-12 mm² 4 x 3

Features

  • Flexible Enable Inputs to Allow Independent Enable Control of External Controller and LM10000
  • Fault Input Restores Output Voltage Setting to Default Value
  • CNTL_EN Output That Enables/Disables External Controller
  • 7-Bit Current DAC That Can Directly Connect to the Feedback Node of an External Controller and Provide Smooth Voltage Control
  • Programmable Slew Rate Control

Key Specifications

  • PWI 2.0 Interface
  • AVS Control for One Output
  • Precision Enable

All trademarks are the property of their respective owners.

  • Flexible Enable Inputs to Allow Independent Enable Control of External Controller and LM10000
  • Fault Input Restores Output Voltage Setting to Default Value
  • CNTL_EN Output That Enables/Disables External Controller
  • 7-Bit Current DAC That Can Directly Connect to the Feedback Node of an External Controller and Provide Smooth Voltage Control
  • Programmable Slew Rate Control

Key Specifications

  • PWI 2.0 Interface
  • AVS Control for One Output
  • Precision Enable

All trademarks are the property of their respective owners.

Description

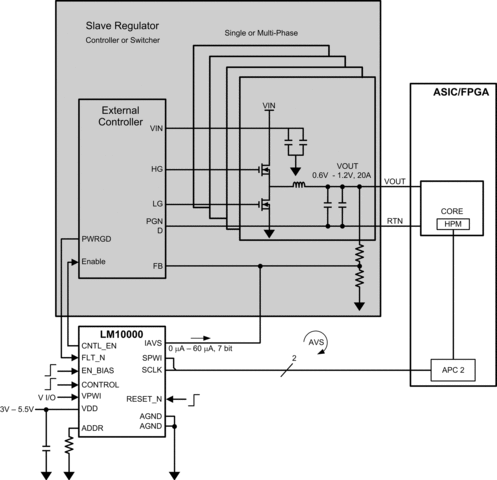
The LM10000 is used to enable Adaptive Voltage Scaling (AVS) to non-AVS regulators. It includes a complete Slave Power Controller (SPC 2.0) to communicate to the PowerWise Interface (PWI 2.0), and a programmable current output DAC that allows voltage control to any regulator utilizing a feedback node/resistors to set the output voltage.

In addition to enabling AVS the LM10000 allows the system to control power states such as sleep and shutdown, and to configure the voltage step slew rate from the PWI.

The LM10000 is used to enable Adaptive Voltage Scaling (AVS) to non-AVS regulators. It includes a complete Slave Power Controller (SPC 2.0) to communicate to the PowerWise Interface (PWI 2.0), and a programmable current output DAC that allows voltage control to any regulator utilizing a feedback node/resistors to set the output voltage.

In addition to enabling AVS the LM10000 allows the system to control power states such as sleep and shutdown, and to configure the voltage step slew rate from the PWI.

Subscribe to Welllinkchips !
Your Name
* Email
Submit a request