0
DS90CF384A
  • DS90CF384A
  • DS90CF384A

DS90CF384A

ACTIVE

+3.3V LVDS Receiver 24-Bit Flat Panel Display (FPD) Link - 65MHz

Texas Instruments DS90CF384A Product Info

1 April 2026 0

Parameters

Applications

In-vehicle Infotainment (IVI)

Input compatibility

FPD-Link LVDS

Function

Deserializer

Output compatibility

LVCMOS

Color depth (bpp)

24

Features

Low-EMI Point-to-Point Communication

EMI reduction

LVDS

Rating

Catalog

Operating temperature range (°C)

-10 to 70

Package

TSSOP (DGG)-56-113.4 mm² 14 x 8.1

Features

  • 20 to 65 MHz Shift Clock Support
  • 50% Duty Cycle on Receiver Output Clock
  • Best-in-Class Set & Hold Times on RxOUTPUTs
  • Rx Power Consumption <142 mW (typ) @65MHz Grayscale
  • Rx Power-down Mode <200μW (max)
  • ESD Rating >7 kV (HBM), >700V (EIAJ)
  • Supports VGA, SVGA, XGA and Dual Pixel SXGA.
  • PLL Requires no External Components
  • Compatible with TIA/EIA-644 LVDS Standard
  • Low Profile 56-lead or 48-lead Packages

All trademarks are the property of their respective owners.

  • 20 to 65 MHz Shift Clock Support
  • 50% Duty Cycle on Receiver Output Clock
  • Best-in-Class Set & Hold Times on RxOUTPUTs
  • Rx Power Consumption <142 mW (typ) @65MHz Grayscale
  • Rx Power-down Mode <200μW (max)
  • ESD Rating >7 kV (HBM), >700V (EIAJ)
  • Supports VGA, SVGA, XGA and Dual Pixel SXGA.
  • PLL Requires no External Components
  • Compatible with TIA/EIA-644 LVDS Standard
  • Low Profile 56-lead or 48-lead Packages

All trademarks are the property of their respective owners.

Description

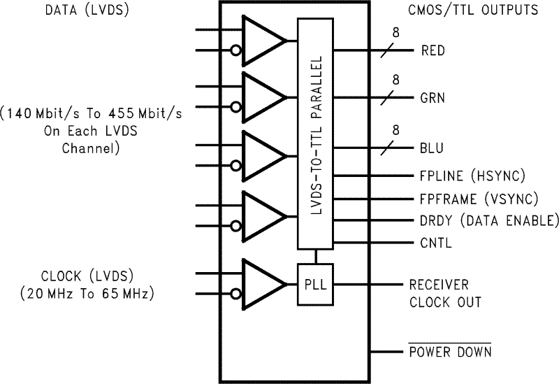
The DS90CF384A receiver converts the four LVDS data streams (Up to 1.8 Gbps throughput or 227 Megabytes/sec bandwidth) back into parallel 28 bits of CMOS/TTL data (24 bits of RGB and 4 bits of Hsync, Vsync, DE and CNTL). Also available is the DS90CF364A that converts the three LVDS data streams (Up to 1.3 Gbps throughput or 170 Megabytes/sec bandwidth) back into parallel 21 bits of CMOS/TTL data (18 bits of RGB and 3 bits of Hsync, Vsync and DE). Both Receivers' outputs are Falling edge strobe. A Rising edge or Falling edge strobe transmitter (DS90C383A/DS90C363A) will interoperate with a Falling edge strobe Receiver without any translation logic.

The DS90CF384A / DS90CF364A devices are enhanced over prior generation receivers and provided a wider data valid time on the receiver output.

This chipset is an ideal means to solve EMI and cable size problems associated with wide, high speed TTL interfaces.

The DS90CF384A receiver converts the four LVDS data streams (Up to 1.8 Gbps throughput or 227 Megabytes/sec bandwidth) back into parallel 28 bits of CMOS/TTL data (24 bits of RGB and 4 bits of Hsync, Vsync, DE and CNTL). Also available is the DS90CF364A that converts the three LVDS data streams (Up to 1.3 Gbps throughput or 170 Megabytes/sec bandwidth) back into parallel 21 bits of CMOS/TTL data (18 bits of RGB and 3 bits of Hsync, Vsync and DE). Both Receivers' outputs are Falling edge strobe. A Rising edge or Falling edge strobe transmitter (DS90C383A/DS90C363A) will interoperate with a Falling edge strobe Receiver without any translation logic.

The DS90CF384A / DS90CF364A devices are enhanced over prior generation receivers and provided a wider data valid time on the receiver output.

This chipset is an ideal means to solve EMI and cable size problems associated with wide, high speed TTL interfaces.

Subscribe to Welllinkchips !
Your Name
* Email
Submit a request