0
DS90C363B
  • DS90C363B
  • DS90C363B
  • DS90C363B

DS90C363B

ACTIVE

+3.3V Programmable LVDS Transmitter 18-Bit Flat Panel Display (FPD) Link - 65MHz

Texas Instruments DS90C363B Product Info

1 April 2026 1

Parameters

Applications

In-vehicle Infotainment (IVI)

Input compatibility

LVCMOS

Function

Serializer

Output compatibility

FPD-Link LVDS

Color depth (bpp)

18

Features

Low-EMI Point-to-Point Communication

Rating

Catalog

Operating temperature range (°C)

-10 to 70

Package

TSSOP (DGG)-48-101.25 mm² 12.5 x 8.1

Features

  • No special start-up sequence required between clock/data and /PD pins. Input signal (clock and data) can be applied either before or after the device is powered.
  • Support Spread Spectrum Clocking up to 100kHz frequency modulation and deviations of ±2.5% center spread or −5% down spread.
  • "Input Clock Detection" feature will pull all LVDS pairs to logic low when input clock is missing and when /PD pin is logic high.
  • 18 to 68 MHz shift clock support
  • Best–in–Class Set & Hold Times on TxINPUTs
  • Tx power consumption < 130 mW (typ) at 65MHz Grayscale
  • 40% Less Power Dissipation than BiCMOS Alternatives
  • Tx Power-down mode < 37μW (typ)
  • Supports VGA, SVGA, XGA and Dual Pixel SXGA.
  • Narrow bus reduces cable size and cost
  • Up to 1.3 Gbps throughput
  • Up to 170 Megabytes/sec bandwidth
  • 345 mV (typ) swing LVDS devices for low EMI
  • PLL requires no external components
  • Compatible with TIA/EIA-644 LVDS standard
  • Low profile 48-lead TSSOP package
  • Improved replacement for:
    • SN75LVDS84, DS90C363A

All trademarks are the property of their respective owners. TRI-STATE is a trademark of Texas Instruments. TRI-STATE is a trademark of Texas Instruments.

  • No special start-up sequence required between clock/data and /PD pins. Input signal (clock and data) can be applied either before or after the device is powered.
  • Support Spread Spectrum Clocking up to 100kHz frequency modulation and deviations of ±2.5% center spread or −5% down spread.
  • "Input Clock Detection" feature will pull all LVDS pairs to logic low when input clock is missing and when /PD pin is logic high.
  • 18 to 68 MHz shift clock support
  • Best–in–Class Set & Hold Times on TxINPUTs
  • Tx power consumption < 130 mW (typ) at 65MHz Grayscale
  • 40% Less Power Dissipation than BiCMOS Alternatives
  • Tx Power-down mode < 37μW (typ)
  • Supports VGA, SVGA, XGA and Dual Pixel SXGA.
  • Narrow bus reduces cable size and cost
  • Up to 1.3 Gbps throughput
  • Up to 170 Megabytes/sec bandwidth
  • 345 mV (typ) swing LVDS devices for low EMI
  • PLL requires no external components
  • Compatible with TIA/EIA-644 LVDS standard
  • Low profile 48-lead TSSOP package
  • Improved replacement for:
    • SN75LVDS84, DS90C363A

All trademarks are the property of their respective owners. TRI-STATE is a trademark of Texas Instruments. TRI-STATE is a trademark of Texas Instruments.

Description

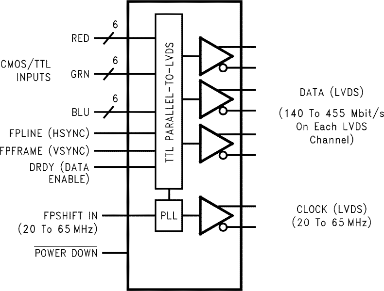
The DS90C363B transmitter converts 21 bits of CMOS/TTL data into three LVDS (Low Voltage Differential Signaling) data streams. A phase-locked transmit clock is transmitted in parallel with the data streams over a fourth LVDS link. Every cycle of the transmit clock 21 bits of input data are sampled and transmitted. At a transmit clock frequency of 65 MHz, 18 bits of RGB data and 3 bits of LCD timing and control data (FPLINE, FPFRAME, DRDY) are transmitted at a rate of 455 Mbps per LVDS data channel. Using a 65 MHz clock, the data throughput is 170 Mbytes/sec. The DS90C363B transmitter can be programmed for Rising edge strobe or Falling edge strobe through a dedicated pin. A Rising edge or Falling edge strobe transmitter will interoperate with a Falling edge strobe Receiver (DS90CF366) without any translation logic.

This chipset is an ideal means to solve EMI and cable size problems associated with wide, high speed TTL interfaces.

The DS90C363B transmitter converts 21 bits of CMOS/TTL data into three LVDS (Low Voltage Differential Signaling) data streams. A phase-locked transmit clock is transmitted in parallel with the data streams over a fourth LVDS link. Every cycle of the transmit clock 21 bits of input data are sampled and transmitted. At a transmit clock frequency of 65 MHz, 18 bits of RGB data and 3 bits of LCD timing and control data (FPLINE, FPFRAME, DRDY) are transmitted at a rate of 455 Mbps per LVDS data channel. Using a 65 MHz clock, the data throughput is 170 Mbytes/sec. The DS90C363B transmitter can be programmed for Rising edge strobe or Falling edge strobe through a dedicated pin. A Rising edge or Falling edge strobe transmitter will interoperate with a Falling edge strobe Receiver (DS90CF366) without any translation logic.

This chipset is an ideal means to solve EMI and cable size problems associated with wide, high speed TTL interfaces.

Subscribe to Welllinkchips !
Your Name
* Email
Submit a request