0
DS90C032QML
  • DS90C032QML
  • DS90C032QML
  • DS90C032QML
  • DS90C032QML

DS90C032QML

ACTIVE

LVDS quad CMOS differential line receiver

Texas Instruments DS90C032QML Product Info

1 April 2026 0

Parameters

Function

Receiver

Protocols

LVDS

Number of transmitters

0

Number of receivers

4

Supply voltage (V)

5

Signaling rate (Mbps)

155.5

Input signal

LVDS

Output signal

TTL

Rating

Military

Operating temperature range (°C)

-55 to 125

Package

LCCC (NAJ)-20-79.0321 mm² 8.89 x 8.89

Features

  • Single Event Latchup (SEL) Immune 120 MeV-cm2/mg
  • High Impedance LVDS Inputs with Power-Off.
  • Accepts Small Swing (330 mV) Differential Signal Levels
  • Low Power Dissipation
  • Low Differential Skew
  • Low Chip to Chip Skew
  • Pin Compatible with DS26C32A
  • Compatible with IEEE 1596.3 SCI LVDS Standard

All trademarks are the property of their respective owners.

  • Single Event Latchup (SEL) Immune 120 MeV-cm2/mg
  • High Impedance LVDS Inputs with Power-Off.
  • Accepts Small Swing (330 mV) Differential Signal Levels
  • Low Power Dissipation
  • Low Differential Skew
  • Low Chip to Chip Skew
  • Pin Compatible with DS26C32A
  • Compatible with IEEE 1596.3 SCI LVDS Standard

All trademarks are the property of their respective owners.

Description

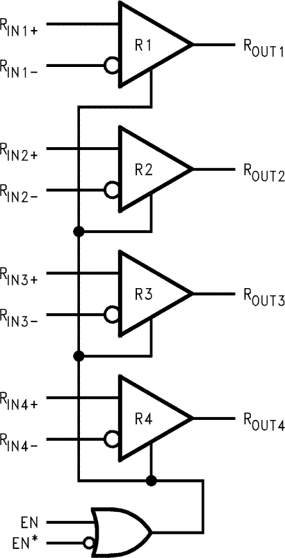
The DS90C032 is a quad CMOS differential line receiver designed for applications requiring ultra low power dissipation and high data rates.

The DS90C032 accepts low voltage differential input signals and translates them to CMOS (TTL compatible) output levels. The receiver supports a TRI-STATE function that may be used to multiplex outputs. The receiver also supports OPEN Failsafe and terminated (100Ω) input Failsafe with the addition of external failsafe biasing. Receiver output will be HIGH for both Failsafe conditions.

The DS90C032 provides power-off high impedance LVDS inputs. This feature assures minimal loading effect on the LVDS bus lines when VCC is not present.

The DS90C032 and companion line driver (DS90C031) provide a new alternative to high power pseudo-ECL devices for high speed point-to-point interface applications.

The DS90C032 is a quad CMOS differential line receiver designed for applications requiring ultra low power dissipation and high data rates.

The DS90C032 accepts low voltage differential input signals and translates them to CMOS (TTL compatible) output levels. The receiver supports a TRI-STATE function that may be used to multiplex outputs. The receiver also supports OPEN Failsafe and terminated (100Ω) input Failsafe with the addition of external failsafe biasing. Receiver output will be HIGH for both Failsafe conditions.

The DS90C032 provides power-off high impedance LVDS inputs. This feature assures minimal loading effect on the LVDS bus lines when VCC is not present.

The DS90C032 and companion line driver (DS90C031) provide a new alternative to high power pseudo-ECL devices for high speed point-to-point interface applications.

Subscribe to Welllinkchips !
Your Name
* Email
Submit a request