0
DS80PCI102
  • DS80PCI102
  • DS80PCI102
  • DS80PCI102

DS80PCI102

ACTIVE

2.5/5.0/8.0-Gbps 1-lane PCI Express redriver with equalization and De-Emphasis

Texas Instruments DS80PCI102 Product Info

1 April 2026 0

Parameters

Type

Redriver

Protocols

General purpose, PCIe1, PCIe2, PCIe3, sRIO

Applications

PCIe, SAS, SATA

Number of channels

2

Speed (max) (Gbpp)

8

Supply voltage (V)

2.5, 3.3

Rating

Catalog

Operating temperature range (°C)

-40 to 85

Package

WQFN (RTW)-24-16 mm² 4 x 4

Features

  • Comprehensive Family, Proven System
    Interoperability
    • DS80PCI102: x1 PCIe
      Gen-1, Gen-2, and Gen-3
    • DS80PCI402: x4 PCIe
      Gen-1, Gen-2, and Gen-3
    • DS80PCI800: x8/x16 PCIe
      Gen-1, Gen-2, and Gen-3
  • Automatic Rate-Detect and Adaptation to
    Gen-1, Gen-2, and Gen-3 Speeds
  • Seamless Support for Gen-3 Transmit FIR
    Handshake
  • Receiver EQ (up to 36 dB), Transmit De-
    Emphasis (up to –12 dB)
  • Adjustable Transmit VOD: 0.7 to 1.3 Vp-p (Pin
    Mode)
  • 0.2 UI of Residual Deterministic Jitter at 8 Gbps
    After 40 Inches of FR4 or 10 m 30-awg PCIe
    Cable
  • Low Power Dissipation With Ability to Turn Off
    Unused Channels: 65 mW/Channel
  • Automatic Receiver Detect (Hot-Plug)
  • Multiple Configuration Modes: Pins/SMBus/Direct-
    EEPROM Load
  • Flow-Thru Pinout in 4-mm × 4-mm 24-Pin
    Leadless WQFN Package
  • Single Supply Voltage: 2.5 V or 3.3 V (Selectable)
  • ±5-kV HBM ESD Rating
  • −40°C to 85°C Operating Temperature Range
  • Comprehensive Family, Proven System
    Interoperability
    • DS80PCI102: x1 PCIe
      Gen-1, Gen-2, and Gen-3
    • DS80PCI402: x4 PCIe
      Gen-1, Gen-2, and Gen-3
    • DS80PCI800: x8/x16 PCIe
      Gen-1, Gen-2, and Gen-3
  • Automatic Rate-Detect and Adaptation to
    Gen-1, Gen-2, and Gen-3 Speeds
  • Seamless Support for Gen-3 Transmit FIR
    Handshake
  • Receiver EQ (up to 36 dB), Transmit De-
    Emphasis (up to –12 dB)
  • Adjustable Transmit VOD: 0.7 to 1.3 Vp-p (Pin
    Mode)
  • 0.2 UI of Residual Deterministic Jitter at 8 Gbps
    After 40 Inches of FR4 or 10 m 30-awg PCIe
    Cable
  • Low Power Dissipation With Ability to Turn Off
    Unused Channels: 65 mW/Channel
  • Automatic Receiver Detect (Hot-Plug)
  • Multiple Configuration Modes: Pins/SMBus/Direct-
    EEPROM Load
  • Flow-Thru Pinout in 4-mm × 4-mm 24-Pin
    Leadless WQFN Package
  • Single Supply Voltage: 2.5 V or 3.3 V (Selectable)
  • ±5-kV HBM ESD Rating
  • −40°C to 85°C Operating Temperature Range

Description

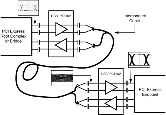
The DS80PCI102 is a low-power, 1-lane repeater with 4-stage input equalization, and an output de-emphasis driver to enhance the reach of PCI-Express serial links in board-to-board or cable interconnects. The device is ideal for x1 PCI-Express configuration, and it automatically detects and adapts to Gen-1, Gen-2, and Gen-3 data rates for easy system upgrade.

DS80PCI102 offers programmable transmit de-emphasis (up to 12 dB), transmit VOD (up to 1300 mVp-p), and receive equalization (up to 36 dB) to enable longer distance transmission in lossy copper cables (10 meters or more), or backplanes (40 inches or more) with multiple connectors. The receiver can open an input eye that is completely closed due to inter-symbol interference (ISI) introduced by the interconnect medium.

The programmable settings can be applied easily through pins or software (SMBus/I2C), or can be loaded through an external EEPROM. When operating in the EEPROM mode, the configuration information is automatically loaded on power up, which eliminates the need for an external microprocessor or software driver.

The DS80PCI102 is a low-power, 1-lane repeater with 4-stage input equalization, and an output de-emphasis driver to enhance the reach of PCI-Express serial links in board-to-board or cable interconnects. The device is ideal for x1 PCI-Express configuration, and it automatically detects and adapts to Gen-1, Gen-2, and Gen-3 data rates for easy system upgrade.

DS80PCI102 offers programmable transmit de-emphasis (up to 12 dB), transmit VOD (up to 1300 mVp-p), and receive equalization (up to 36 dB) to enable longer distance transmission in lossy copper cables (10 meters or more), or backplanes (40 inches or more) with multiple connectors. The receiver can open an input eye that is completely closed due to inter-symbol interference (ISI) introduced by the interconnect medium.

The programmable settings can be applied easily through pins or software (SMBus/I2C), or can be loaded through an external EEPROM. When operating in the EEPROM mode, the configuration information is automatically loaded on power up, which eliminates the need for an external microprocessor or software driver.

Subscribe to Welllinkchips !
Your Name
* Email
Submit a request