0
DRV8704
  • DRV8704
  • DRV8704

DRV8704

ACTIVE

60-V dual H-bridge smart gate driver

Texas Instruments DRV8704 Product Info

1 April 2026 0

Parameters

Number of full bridges

2

Vs (min) (V)

8

Vs ABS (max) (V)

60

Sleep current (µA)

65

Control mode

PWM

Control interface

Hardware (GPIO), SPI

Features

Current Regulation

Topology

External FET, Multichannel

Rating

Catalog

Operating temperature range (°C)

-40 to 85

Package

HTSSOP (DCP)-38-62.08 mm² 9.7 x 6.4

Features

  • Pulse Width Modulation (PWM) Motor Driver
    • Drives External N-Channel MOSFETs
    • PWM Control Interface for Dual DC Motors
    • Supports 100% PWM Duty Cycle
  • 8-V to 52-V Operating Supply Voltage Range
  • Adjustable Gate Drive (4 Levels)
    • 50-mA to 200-mA Source Current
    • 100-mA to 400-mA Sink Current
  • Integrated PWM Current Regulation
  • Flexible Decay Modes
    • Automatic Mixed Decay Mode
    • Slow Decay
    • Fast Decay
    • Mixed Decay (Adjustable Percent Fast)
  • Highly Configurable SPI
  • Torque DAC to Digitally Scale Current
  • Low-Current Sleep Mode (65 µA)
  • 5-V, 10-mA LDO Regulator
  • Thermally-Enhanced Surface-Mount Package
    • 38-Pin HTSSOP (PowerPAD)
  • Protection Features
    • VM Undervoltage Lockout (UVLO)
    • Gate Driver Fault (PDF)
    • Overcurrent Protection (OCP)
    • Thermal Shutdown (TSD)
    • Fault Condition Indication Pin (nFAULT)
    • Fault Diagnostics through SPI
  • Pulse Width Modulation (PWM) Motor Driver
    • Drives External N-Channel MOSFETs
    • PWM Control Interface for Dual DC Motors
    • Supports 100% PWM Duty Cycle
  • 8-V to 52-V Operating Supply Voltage Range
  • Adjustable Gate Drive (4 Levels)
    • 50-mA to 200-mA Source Current
    • 100-mA to 400-mA Sink Current
  • Integrated PWM Current Regulation
  • Flexible Decay Modes
    • Automatic Mixed Decay Mode
    • Slow Decay
    • Fast Decay
    • Mixed Decay (Adjustable Percent Fast)
  • Highly Configurable SPI
  • Torque DAC to Digitally Scale Current
  • Low-Current Sleep Mode (65 µA)
  • 5-V, 10-mA LDO Regulator
  • Thermally-Enhanced Surface-Mount Package
    • 38-Pin HTSSOP (PowerPAD)
  • Protection Features
    • VM Undervoltage Lockout (UVLO)
    • Gate Driver Fault (PDF)
    • Overcurrent Protection (OCP)
    • Thermal Shutdown (TSD)
    • Fault Condition Indication Pin (nFAULT)
    • Fault Diagnostics through SPI

Description

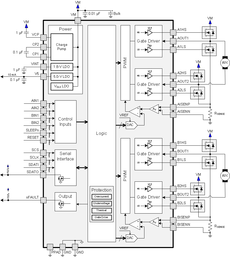
The DRV8704 is a dual-brushed motor controller for industrial equipment applications. The device controls external N-channel MOSFETs configured as two H-bridges.

Motor current can be accurately controlled using adaptive blanking time and various current decay modes, including an automatic mixed decay mode.

A simple PWM interface allows easy interfacing to controller circuits. A SPI serial interface is used to program the device operation. Output current (torque), gate drive settings, and decay mode are all programmable through a SPI serial interface.

Internal shutdown functions are provided for overcurrent protection, short-circuit protection, gate driver faults, undervoltage lockout (UVLO), and overtemperature. Fault conditions are indicated by a FAULTn pin, and each fault condition is reported by a dedicated bit through SPI.

The DRV8704 is packaged in a PowerPAD™ 38-pin HTSSOP package with thermal pad (Eco-friendly: RoHS & no Sb/Br).

The DRV8704 is a dual-brushed motor controller for industrial equipment applications. The device controls external N-channel MOSFETs configured as two H-bridges.

Motor current can be accurately controlled using adaptive blanking time and various current decay modes, including an automatic mixed decay mode.

A simple PWM interface allows easy interfacing to controller circuits. A SPI serial interface is used to program the device operation. Output current (torque), gate drive settings, and decay mode are all programmable through a SPI serial interface.

Internal shutdown functions are provided for overcurrent protection, short-circuit protection, gate driver faults, undervoltage lockout (UVLO), and overtemperature. Fault conditions are indicated by a FAULTn pin, and each fault condition is reported by a dedicated bit through SPI.

The DRV8704 is packaged in a PowerPAD™ 38-pin HTSSOP package with thermal pad (Eco-friendly: RoHS & no Sb/Br).

Subscribe to Welllinkchips !
Your Name
* Email
Submit a request