0
DRV8305
  • DRV8305

DRV8305

ACTIVE

45-V max 3-phase smart gate driver with current shunt amplifiers & SPI

Texas Instruments DRV8305 Product Info

1 April 2026 1

Parameters

Rating

Catalog

Architecture

Gate driver

Control interface

1xPWM, 3xPWM, 6xPWM

Gate drive (A)

1

Vs (min) (V)

4.4

Vs ABS (max) (V)

45

Features

Current sense Amplifier, LDO, SPI/I2C, Smart Gate Drive, Watchdog timer

Operating temperature range (°C)

-40 to 125

Package

HTQFP (PHP)-48-81 mm² 9 x 9

Features

  • 4.4-V to 45-V Operating Voltage
  • 1.25-A and 1-A Peak Gate Drive Currents
  • Programmable High- and Low-Side Slew-Rate Control
  • Charge-Pump Gate Driver for 100% Duty Cycle
  • Three Integrated Current-Shunt Amplifiers
  • Integrated 50-mA LDO (3.3-V and 5-V Option)
  • 3-PWM or 6-PWM Input Control up to 200 kHz
  • Single PWM-Mode Commutation Capability
  • Supports Both 3.3-V and 5-V Digital Interface
  • Serial Peripheral Interface (SPI) for Device Settings and Fault Reporting
  • Thermally-Enhanced 48-Pin HTQFP
  • Protection Features:
    • Fault Diagnostics and MCU Watchdog
    • Programmable Dead-Time Control
    • MOSFET Shoot-Through Prevention
    • MOSFET VDS Overcurrent Monitors
    • Gate-Driver Fault Detection
    • Reverse Battery-Protection Support
    • Limp Home-Mode Support
    • Overtemperature Warning and Shutdown
  • 4.4-V to 45-V Operating Voltage
  • 1.25-A and 1-A Peak Gate Drive Currents
  • Programmable High- and Low-Side Slew-Rate Control
  • Charge-Pump Gate Driver for 100% Duty Cycle
  • Three Integrated Current-Shunt Amplifiers
  • Integrated 50-mA LDO (3.3-V and 5-V Option)
  • 3-PWM or 6-PWM Input Control up to 200 kHz
  • Single PWM-Mode Commutation Capability
  • Supports Both 3.3-V and 5-V Digital Interface
  • Serial Peripheral Interface (SPI) for Device Settings and Fault Reporting
  • Thermally-Enhanced 48-Pin HTQFP
  • Protection Features:
    • Fault Diagnostics and MCU Watchdog
    • Programmable Dead-Time Control
    • MOSFET Shoot-Through Prevention
    • MOSFET VDS Overcurrent Monitors
    • Gate-Driver Fault Detection
    • Reverse Battery-Protection Support
    • Limp Home-Mode Support
    • Overtemperature Warning and Shutdown

Description

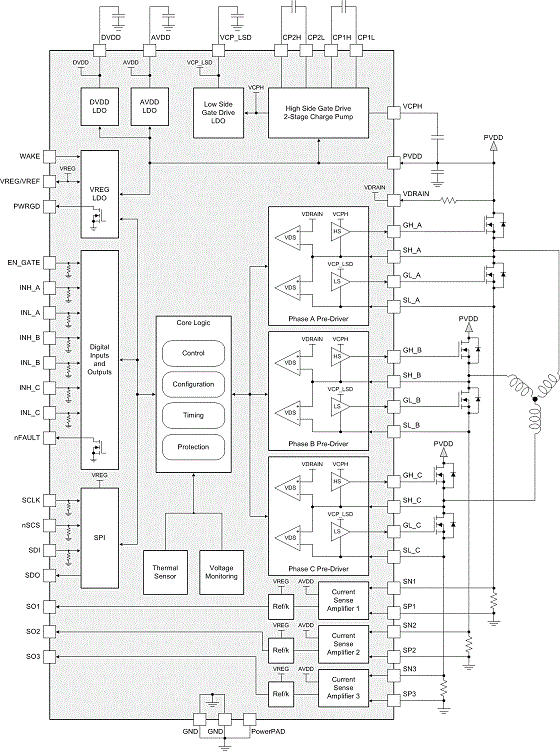
The DRV8305 device is a gate driver IC for three-phase motor-drive applications. The device provides three high-accuracy and temperature compensated half-bridge drivers, each capable of driving a high-side and low-side N-channel MOSFET. A charge pump driver supports 100% duty cycle and low-voltage operation. The device can tolerate load dump voltages up to 45-V.

The DRV8305 device includes three bidirectional current-shunt amplifiers for accurate low-side current measurements that support variable gain settings and an adjustable offset reference.

The DRV8305 device has an integrated voltage regulator (3.3-V or 5-V) to support an MCU or other system power requirements. The voltage regulator can be interfaced directly with a standard LIN physical interface to allow low system standby and sleep currents.

The gate driver uses automatic handshaking when switching to prevent current shoot through. The VDS of both the high-side and low-side MOSFETs is accurately sensed to protect the external MOSFETs from overcurrent conditions. The SPI provides detailed fault reporting, diagnostics, and device configurations such as gain options for the current shunt amplifier, individual MOSFET overcurrent detection, and gate-drive slew-rate control.

Device Options: DRV8305N: Voltage reference DRV83053: 3.3-V, 50-mA LDO DRV83055: 5-V, 50-mA LDO

The DRV8305 device is a gate driver IC for three-phase motor-drive applications. The device provides three high-accuracy and temperature compensated half-bridge drivers, each capable of driving a high-side and low-side N-channel MOSFET. A charge pump driver supports 100% duty cycle and low-voltage operation. The device can tolerate load dump voltages up to 45-V.

The DRV8305 device includes three bidirectional current-shunt amplifiers for accurate low-side current measurements that support variable gain settings and an adjustable offset reference.

The DRV8305 device has an integrated voltage regulator (3.3-V or 5-V) to support an MCU or other system power requirements. The voltage regulator can be interfaced directly with a standard LIN physical interface to allow low system standby and sleep currents.

The gate driver uses automatic handshaking when switching to prevent current shoot through. The VDS of both the high-side and low-side MOSFETs is accurately sensed to protect the external MOSFETs from overcurrent conditions. The SPI provides detailed fault reporting, diagnostics, and device configurations such as gain options for the current shunt amplifier, individual MOSFET overcurrent detection, and gate-drive slew-rate control.

Device Options: DRV8305N: Voltage reference DRV83053: 3.3-V, 50-mA LDO DRV83055: 5-V, 50-mA LDO

Subscribe to Welllinkchips !
Your Name
* Email
Submit a request