0
BQ51013B-Q1
  • BQ51013B-Q1
  • BQ51013B-Q1
  • BQ51013B-Q1

BQ51013B-Q1

ACTIVE

Automotive WPC 1.2 compatible fully integrated wireless power receiver IC

Texas Instruments BQ51013B-Q1 Product Info

1 April 2026 1

Parameters

Rating

Automotive

Vin (min) (V)

4

Vin (max) (V)

7

Absolute max Vin (max) (V)

20

Operating temperature range (°C)

-40 to 125

Package

VQFN (RHL)-20-15.75 mm² 4.5 x 3.5

Features

  • Qualified for automotive applications
  • AEC-Q100 qualified with the following results:
    • Device temperature grade 1: –40°C to +125°C ambient operating temperature
    • Device HBM ESD classification level 2
    • Device CDM ESD classification level C4B
  • Integrated wireless power supply receiver solution
    • 93% overall peak AC-DC efficiency
    • Full synchronous rectifier
    • WPC v1.2 compliant communication control
    • Output voltage conditioning
    • Only IC required between Rx coil and output
  • Wireless power consortium (WPC) v1.2 compliant (FOD enabled) highly accurate current sense
  • Dynamic rectifier control for improved load transient response
  • Dynamic efficiency scaling for optimized performance over wide range of output power
  • Adaptive communication limit for robust communication
  • Supports 20-V maximum input
  • Low-power dissipative rectifier overvoltage clamp (VOVP = 15 V)
  • Thermal shutdown
  • Multifunction NTC and control pin for temperature monitoring, charge complete, and fault host control
  • Qualified for automotive applications
  • AEC-Q100 qualified with the following results:
    • Device temperature grade 1: –40°C to +125°C ambient operating temperature
    • Device HBM ESD classification level 2
    • Device CDM ESD classification level C4B
  • Integrated wireless power supply receiver solution
    • 93% overall peak AC-DC efficiency
    • Full synchronous rectifier
    • WPC v1.2 compliant communication control
    • Output voltage conditioning
    • Only IC required between Rx coil and output
  • Wireless power consortium (WPC) v1.2 compliant (FOD enabled) highly accurate current sense
  • Dynamic rectifier control for improved load transient response
  • Dynamic efficiency scaling for optimized performance over wide range of output power
  • Adaptive communication limit for robust communication
  • Supports 20-V maximum input
  • Low-power dissipative rectifier overvoltage clamp (VOVP = 15 V)
  • Thermal shutdown
  • Multifunction NTC and control pin for temperature monitoring, charge complete, and fault host control

Description

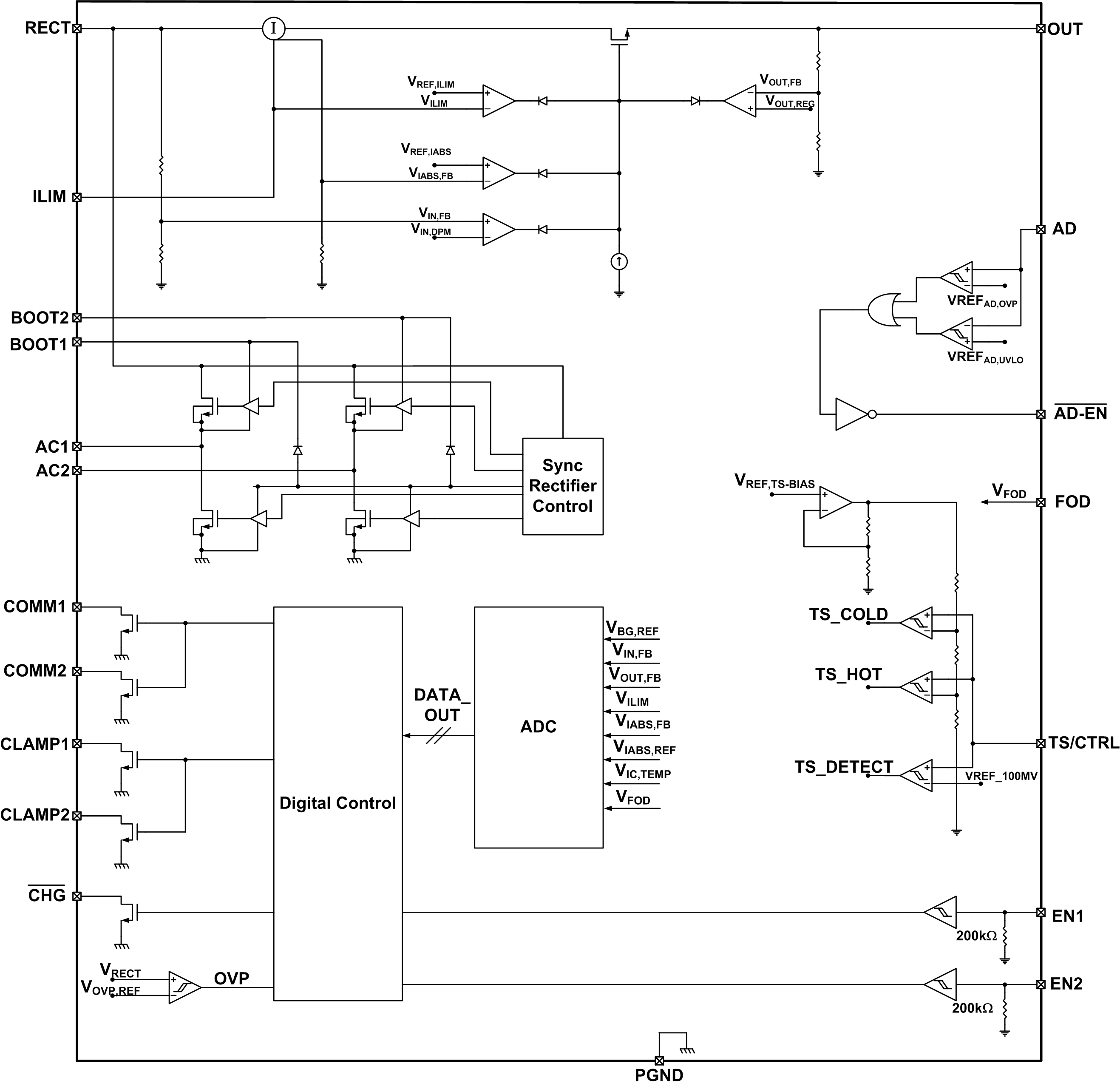
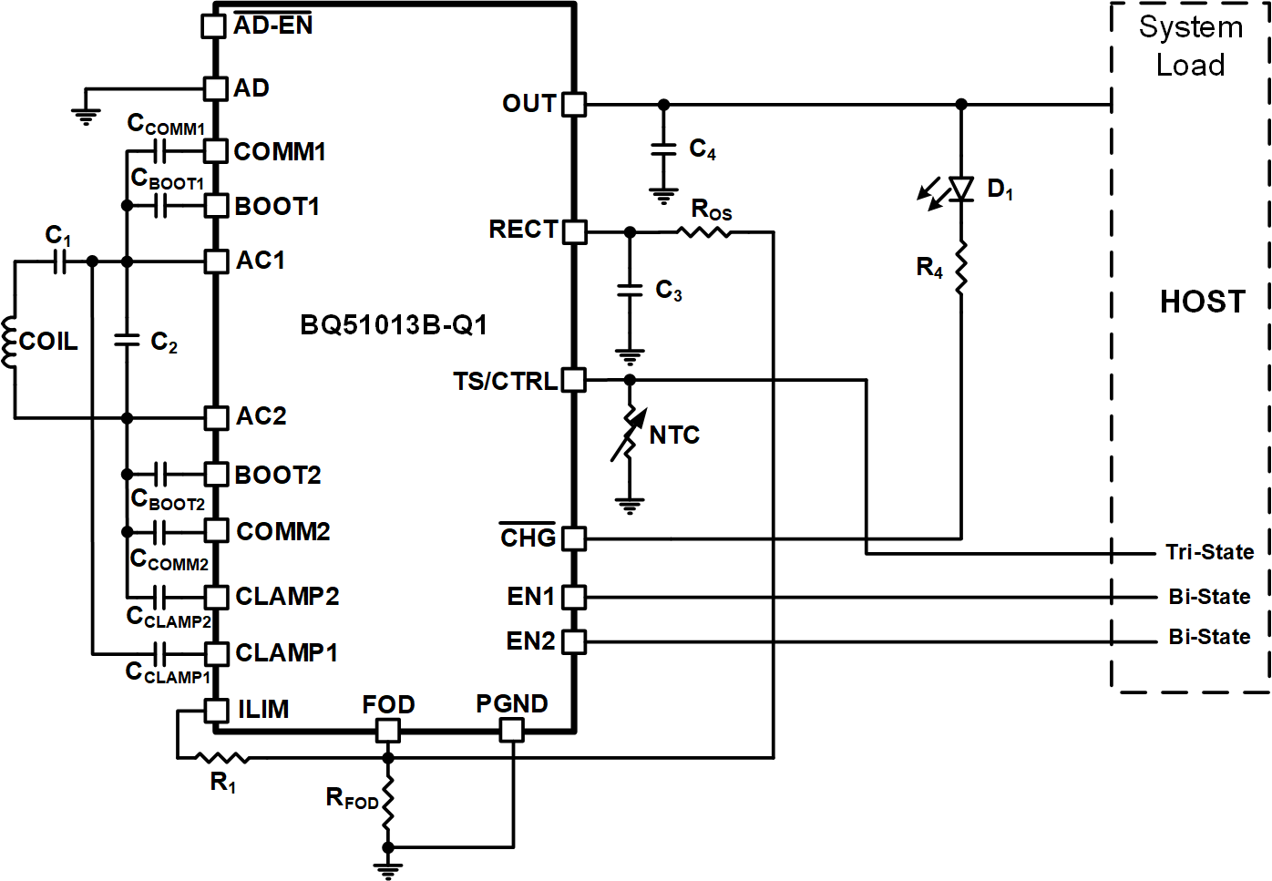
The BQ51013B-Q1 device is a single-chip, advanced, flexible, secondary-side device for wireless power transfer in portable applications capable of providing up to 5 W. The BQ51013B-Q1 devices provide the receiver (RX) AC-to-DC power conversion and regulation while integrating the digital control required to comply with the Wireless Power Consortium (WPC) Qi v1.2 communication protocol. Together with the BQ50012A primary-side controller (or other Qi transmitter), the BQ51013B-Q1 enables a complete contactless power transfer system for a wireless power supply solution. Global feedback is established from the secondary to the primary to control the power transfer process using the Qi v1.2 protocol.

The BQ51013B-Q1 integrates a low-resistance synchronous rectifier, low-dropout regulator (LDO), digital control, and accurate voltage and current loops to ensure high efficiency and low power dissipation.

The BQ51013B-Q1 also includes a digital controller that calculates the amount of power received by the mobile device within the limits set by the WPC v1.2 standard. The controller then communicates this information to the transmitter (TX) to allow the TX to determine if a foreign object is present within the magnetic interface and introduces a higher level of safety within magnetic field. This Foreign Object Detection (FOD) method is part of the requirements under the WPC v1.2 specification.

The BQ51013B-Q1 device is a single-chip, advanced, flexible, secondary-side device for wireless power transfer in portable applications capable of providing up to 5 W. The BQ51013B-Q1 devices provide the receiver (RX) AC-to-DC power conversion and regulation while integrating the digital control required to comply with the Wireless Power Consortium (WPC) Qi v1.2 communication protocol. Together with the BQ50012A primary-side controller (or other Qi transmitter), the BQ51013B-Q1 enables a complete contactless power transfer system for a wireless power supply solution. Global feedback is established from the secondary to the primary to control the power transfer process using the Qi v1.2 protocol.

The BQ51013B-Q1 integrates a low-resistance synchronous rectifier, low-dropout regulator (LDO), digital control, and accurate voltage and current loops to ensure high efficiency and low power dissipation.

The BQ51013B-Q1 also includes a digital controller that calculates the amount of power received by the mobile device within the limits set by the WPC v1.2 standard. The controller then communicates this information to the transmitter (TX) to allow the TX to determine if a foreign object is present within the magnetic interface and introduces a higher level of safety within magnetic field. This Foreign Object Detection (FOD) method is part of the requirements under the WPC v1.2 specification.

Subscribe to Welllinkchips !
Your Name
* Email
Submit a request