0
BQ25703A
  • BQ25703A
  • BQ25703A

BQ25703A

ACTIVE

I2C 1-4 cell NVDC Buck-Boost battery charge controller with system power monitor & processor

Texas Instruments BQ25703A Product Info

1 April 2026 0

Parameters

Rating

Catalog

Number of series cells

1, 2, 3, 4

Cell chemistry

Lead Acid, Li-Ion/Li-Polymer, Lithium Phosphate/LiFePO4, NiCd, NiMH, SuperCap

Charge current (max) (A)

8.128

Features

IC thermal regulation, ICO (Input Current Optimization), IINDPM (Input current limit), Input OVP, Integrated ADC, Power Path, USB C/PD compatible, USB OTG integrated, VINDPM (Input voltage threshold to maximize adaptor power)

Vin (min) (V)

3.5

Vin (max) (V)

24

Absolute max Vin (max) (V)

30

Control topology

Switch-Mode Buck-boost

Battery charge voltage (min) (V)

1.024

Battery charge voltage (max) (V)

19.2

Control interface

I2C

Operating temperature range (°C)

-40 to 85

Package

WQFN (RSN)-32-16 mm² 4 x 4

Features

  • Charge 1- to 4-Cell Battery From Wide Range of Input Sources
    • 3.5-V to 24-V Input Operating Voltage
    • Supports USB2.0, USB 3.0, USB 3.1 (Type C), and USB_PD Input Current Settings
    • Seamless Transition Between Buck and Boost Operation
    • Input Current and Voltage Regulation (IDPM and VDPM) Against Source Overload
  • Power/Current Monitor for CPU Throttling
    • Comprehensive PROCHOT Profile, IMVP8 Compliant
    • Input and Battery Current Monitor
    • System Power Monitor, IMVP8 Compliant
  • Narrow-VDC (NVDC) Power Path Management
    • Instant-On With No Battery or Deeply Discharged Battery
    • Battery Supplements System When Adapter is Fully-Loaded
  • Power Up USB Port From Battery (USB OTG)
    • Output 4.48-V to 20.8-V Compatible With USB PD
    • Output Current Limit up to 6.35 A
  • 800-kHz or 1.2-MHz Programmable Switching Frequency for 1-µH to 3.3-µH Inductor
  • Host Control Interface for Flexible System Configuration
    • I2C (bq25703A) Port for Optimal System Performance and Status Reporting
    • Hardware Pin to Set Input Current Limit Without EC Control
  • Integrated ADC to Monitor Voltage, Current and Power
  • High Accuracy Regulation and Monitor
    • ±0.5% Charge Voltage Regulation
    • ±2% Input/Charge Current Regulation
    • ±2% Input/Charge Current Monitor
    • ±5% Power Monitor
  • Safety
    • Thermal Shutdown
    • Input, System, Battery Overvoltage Protection
    • MOSFET Inductor Overcurrent Protection
  • Low Battery Quiescent Current
  • Input Current Optimizer (ICO) to Extract Max Input Power
  • Charge Any Battery Chemistry: Li+, LiFePO4, NiCd, NiMH, Lead Acid
  • Package: 32-Pin 4 × 4 WQFN
  • Charge 1- to 4-Cell Battery From Wide Range of Input Sources
    • 3.5-V to 24-V Input Operating Voltage
    • Supports USB2.0, USB 3.0, USB 3.1 (Type C), and USB_PD Input Current Settings
    • Seamless Transition Between Buck and Boost Operation
    • Input Current and Voltage Regulation (IDPM and VDPM) Against Source Overload
  • Power/Current Monitor for CPU Throttling
    • Comprehensive PROCHOT Profile, IMVP8 Compliant
    • Input and Battery Current Monitor
    • System Power Monitor, IMVP8 Compliant
  • Narrow-VDC (NVDC) Power Path Management
    • Instant-On With No Battery or Deeply Discharged Battery
    • Battery Supplements System When Adapter is Fully-Loaded
  • Power Up USB Port From Battery (USB OTG)
    • Output 4.48-V to 20.8-V Compatible With USB PD
    • Output Current Limit up to 6.35 A
  • 800-kHz or 1.2-MHz Programmable Switching Frequency for 1-µH to 3.3-µH Inductor
  • Host Control Interface for Flexible System Configuration
    • I2C (bq25703A) Port for Optimal System Performance and Status Reporting
    • Hardware Pin to Set Input Current Limit Without EC Control
  • Integrated ADC to Monitor Voltage, Current and Power
  • High Accuracy Regulation and Monitor
    • ±0.5% Charge Voltage Regulation
    • ±2% Input/Charge Current Regulation
    • ±2% Input/Charge Current Monitor
    • ±5% Power Monitor
  • Safety
    • Thermal Shutdown
    • Input, System, Battery Overvoltage Protection
    • MOSFET Inductor Overcurrent Protection
  • Low Battery Quiescent Current
  • Input Current Optimizer (ICO) to Extract Max Input Power
  • Charge Any Battery Chemistry: Li+, LiFePO4, NiCd, NiMH, Lead Acid
  • Package: 32-Pin 4 × 4 WQFN

Description

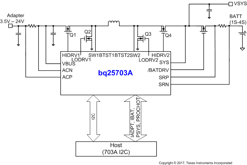
The bq25703A is a synchronous NVDC battery buck-boost charge controller, offering low component count, high efficiency solution for space-constraint, multi-chemistry battery charging applications.

The NVDC-1 configuration allows the system to be regulated at battery voltage, but not drop below system minimum voltage. The system keeps operating even when the battery is completely discharged or removed. When load power exceeds input source rating, the battery goes into supplement mode and prevents the system from crashing.

The bq25703A charges battery from a wide range of input sources including USB adapter, high voltage USB PD sources and traditional adapters.

During power up, the charger sets converter to buck, boost or buck-boost configuration based on input source and battery conditions. The charger automatically transits among buck, boost and buck-boost configuration without host control.

In the absence of an input source, the bq25703A supports On-the-Go (OTG) function from 1- to 4-cell battery to generate 4.48 V to 20.8 V on VBUS. During OTG mode, the charger regulates output voltage and output current.

The bq25703A monitors adapter current, battery current and system power. The flexibly programmed PROCHOT output goes directly to CPU for throttle back when needed.

The bq25703A is a synchronous NVDC battery buck-boost charge controller, offering low component count, high efficiency solution for space-constraint, multi-chemistry battery charging applications.

The NVDC-1 configuration allows the system to be regulated at battery voltage, but not drop below system minimum voltage. The system keeps operating even when the battery is completely discharged or removed. When load power exceeds input source rating, the battery goes into supplement mode and prevents the system from crashing.

The bq25703A charges battery from a wide range of input sources including USB adapter, high voltage USB PD sources and traditional adapters.

During power up, the charger sets converter to buck, boost or buck-boost configuration based on input source and battery conditions. The charger automatically transits among buck, boost and buck-boost configuration without host control.

In the absence of an input source, the bq25703A supports On-the-Go (OTG) function from 1- to 4-cell battery to generate 4.48 V to 20.8 V on VBUS. During OTG mode, the charger regulates output voltage and output current.

The bq25703A monitors adapter current, battery current and system power. The flexibly programmed PROCHOT output goes directly to CPU for throttle back when needed.

Subscribe to Welllinkchips !
Your Name
* Email
Submit a request