0
BQ25618
  • BQ25618
  • BQ25618
  • BQ25618

BQ25618

ACTIVE

I2C controlled 1.5-A single cell buck battery charger with 20-mA termination and 1-A boost in WCSP Linux mainline status

Texas Instruments BQ25618 Product Info

1 April 2026 1

Parameters

Rating

Catalog

Number of series cells

1

Cell chemistry

Li-Ion/Li-Polymer, Lithium Phosphate/LiFePO4

Charge current (max) (A)

1.5

Features

BAT temp thermistor monitoring (JEITA profile), IC thermal regulation, IINDPM (Input current limit), Input OVP, Power Path, USB OTG integrated, VINDPM (Input voltage threshold to maximize adaptor power)

Vin (min) (V)

3.9

Vin (max) (V)

13.5

Absolute max Vin (max) (V)

22

Control topology

Switch-Mode Buck

Battery charge voltage (min) (V)

3.5

Battery charge voltage (max) (V)

4.52

Control interface

I2C

Operating temperature range (°C)

-40 to 85

Package

DSBGA (YFF)-30-5.71999999999999912 mm² 2.2 x 2.5999999999999996

Features

  • Single chip solution to charge wearable accessories from adapter or battery
  • High-efficiency, 1.5MHz, synchronous switch-mode buck charger
    • 95.5% charge efficiency at 0.5A and 94.5% efficiency at 1A
    • ±0.5% charge voltage regulation (10mV step)
    • I2C programmable JEITA profile of charge voltage, current and temperature thresholds
    • Low termination current with high accuracy 20mA±10mA
    • Small inductor form factor of 2.5 x 2.0 x 1.0mm3
  • Boost mode with output from 4.6V to 5.15V
    • 94% boost efficiency at 1A output
    • Integrated control to switch between Charge and Boost mode
    • PMID_GOOD pin control external PMOS FET for protection against fault conditions
  • Single input supporting USB input, high-voltage adapter, or wireless power
    • Support 4V to 13.5V input voltage range with 22V absolute max input rating
    • Programmable input current limit (IINDPM) with I2C (100mA to 3.2A, 100mA/step)
    • Maximum power tracking by input voltage limit (VINDPM) up to 5.4V
    • VINDPM threshold automatically tracks battery voltage
  • Narrow VDC (NVDC) power path management
    • System instant-on with no battery or deeply discharged battery
  • Flexible I2C configuration and autonomous charging for optimal system performance
  • High integration includes all MOSFETs, current sensing and loop compensation
  • Low RDSON 19.5mΩ BATFET to minimize charging loss and extend battery run time
    • BATFET control for Ship mode, and full system reset with and without adapter
  • 7µA low battery leakage current in Ship mode
  • 9.5µA low battery leakage current with system standby
  • High accuracy battery charging profile
    • ±5% charge current regulation
    • ±7.5% input current regulation
    • Remote battery sensing to charge faster
    • Programmable top-off timer for full battery charging
  • Safety Related Certifications:
    • IEC 62368-1 CB Certification
  • Single chip solution to charge wearable accessories from adapter or battery
  • High-efficiency, 1.5MHz, synchronous switch-mode buck charger
    • 95.5% charge efficiency at 0.5A and 94.5% efficiency at 1A
    • ±0.5% charge voltage regulation (10mV step)
    • I2C programmable JEITA profile of charge voltage, current and temperature thresholds
    • Low termination current with high accuracy 20mA±10mA
    • Small inductor form factor of 2.5 x 2.0 x 1.0mm3
  • Boost mode with output from 4.6V to 5.15V
    • 94% boost efficiency at 1A output
    • Integrated control to switch between Charge and Boost mode
    • PMID_GOOD pin control external PMOS FET for protection against fault conditions
  • Single input supporting USB input, high-voltage adapter, or wireless power
    • Support 4V to 13.5V input voltage range with 22V absolute max input rating
    • Programmable input current limit (IINDPM) with I2C (100mA to 3.2A, 100mA/step)
    • Maximum power tracking by input voltage limit (VINDPM) up to 5.4V
    • VINDPM threshold automatically tracks battery voltage
  • Narrow VDC (NVDC) power path management
    • System instant-on with no battery or deeply discharged battery
  • Flexible I2C configuration and autonomous charging for optimal system performance
  • High integration includes all MOSFETs, current sensing and loop compensation
  • Low RDSON 19.5mΩ BATFET to minimize charging loss and extend battery run time
    • BATFET control for Ship mode, and full system reset with and without adapter
  • 7µA low battery leakage current in Ship mode
  • 9.5µA low battery leakage current with system standby
  • High accuracy battery charging profile
    • ±5% charge current regulation
    • ±7.5% input current regulation
    • Remote battery sensing to charge faster
    • Programmable top-off timer for full battery charging
  • Safety Related Certifications:
    • IEC 62368-1 CB Certification

Description

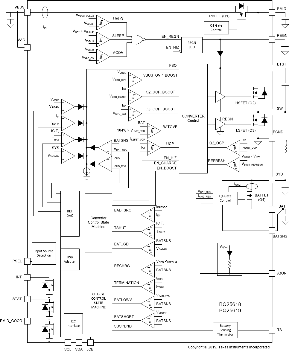
The BQ25618/619 integrates charge, boost converter and voltage protection in a single device. It offers the industry’s lowest termination current for switching chargers to charge wearable devices by full battery capacity. The BQ25618/619 best-in-class low quiescent current reduces battery leakage down to 6uA in Ship mode, which conserves battery energy to double the shelf life for the device. The BQ25619 is in a 4mm × 4mm QFN package for easy layout. The BQ25618 is in a 2.0mm × 2.4mm WCSP package for space limited design.

The BQ25618/619 integrates charge, boost converter and voltage protection in a single device. It offers the industry’s lowest termination current for switching chargers to charge wearable devices by full battery capacity. The BQ25618/619 best-in-class low quiescent current reduces battery leakage down to 6uA in Ship mode, which conserves battery energy to double the shelf life for the device. The BQ25619 is in a 4mm × 4mm QFN package for easy layout. The BQ25618 is in a 2.0mm × 2.4mm WCSP package for space limited design.

Subscribe to Welllinkchips !
Your Name
* Email
Submit a request