0
BQ24620
  • BQ24620
  • BQ24620

BQ24620

ACTIVE

Standalone 1-7 cell Buck battery charge controller for Lithium phosphate batteries

Texas Instruments BQ24620 Product Info

1 April 2026 0

Parameters

Rating

Catalog

Number of series cells

1, 2, 3, 4, 5, 6, 7

Cell chemistry

Lithium Phosphate/LiFePO4

Charge current (max) (A)

10

Features

BAT temp thermistor monitoring (hot/cold profile)

Vin (min) (V)

5

Vin (max) (V)

28

Absolute max Vin (max) (V)

33

Control topology

Switch-Mode Buck

Battery charge voltage (min) (V)

1.8

Battery charge voltage (max) (V)

26

Control interface

Standalone (RC-Settable)

Operating temperature range (°C)

-40 to 85

Package

VQFN (RVA)-16-12.25 mm² 3.5 x 3.5

Features

  • 300-kHz NMOS-NMOS Synchronous Buck
    Converter
  • Stand-Alone Charger Designed Specifically for
    Lithium Phosphate
  • 5-V to 28-V VCC Operating Range, Supports 1 to
    7 Battery Cells
  • High-Accuracy Voltage and Current Regulation
    • ±0.5% Charge Voltage Accuracy
    • ±3% Charge Current Accuracy
  • Integration
    • Internal Loop Compensation
    • Internal Soft Start
  • Safety
    • Input Overvoltage Protection
    • Battery Thermistor Sense Suspend Charge at
      Hot/Cold Charge Suspend and Automatically
      ICHARGE/8 at WARM/COOL
    • Battery Detection
    • Built-In Safety Timer
    • Charge Overcurrent Protection
    • Battery Short Protection
    • Battery Overvoltage Protection
    • Thermal Shutdown
  • Status Outputs
    • Adapter Present
    • Charger Operation Status
  • Charge Enable Pin
  • 6-V Gate Drive for Synchronous Buck Converter
  • 30-ns Driver Dead Time and 99.95% Maximum
    Effective Duty Cycle
  • 16-Pin 3.5-mm × 3.5-mm QFN Package
  • Energy Star Low Iq
    • < 15-µA Off-State Battery Discharge Current
    • < 1.5-mA Off-State Input Quiescent Current
  • APPLICATIONS
    • Power Tools and Portable Equipment
    • Personal Digital Assistants
    • Handheld Terminals
    • Industrial and Medical Equipment
    • Netbooks, Mobile Internet Devices, and
      Ultramobile PCs

All other trademarks are the property of their respective owners

  • 300-kHz NMOS-NMOS Synchronous Buck
    Converter
  • Stand-Alone Charger Designed Specifically for
    Lithium Phosphate
  • 5-V to 28-V VCC Operating Range, Supports 1 to
    7 Battery Cells
  • High-Accuracy Voltage and Current Regulation
    • ±0.5% Charge Voltage Accuracy
    • ±3% Charge Current Accuracy
  • Integration
    • Internal Loop Compensation
    • Internal Soft Start
  • Safety
    • Input Overvoltage Protection
    • Battery Thermistor Sense Suspend Charge at
      Hot/Cold Charge Suspend and Automatically
      ICHARGE/8 at WARM/COOL
    • Battery Detection
    • Built-In Safety Timer
    • Charge Overcurrent Protection
    • Battery Short Protection
    • Battery Overvoltage Protection
    • Thermal Shutdown
  • Status Outputs
    • Adapter Present
    • Charger Operation Status
  • Charge Enable Pin
  • 6-V Gate Drive for Synchronous Buck Converter
  • 30-ns Driver Dead Time and 99.95% Maximum
    Effective Duty Cycle
  • 16-Pin 3.5-mm × 3.5-mm QFN Package
  • Energy Star Low Iq
    • < 15-µA Off-State Battery Discharge Current
    • < 1.5-mA Off-State Input Quiescent Current
  • APPLICATIONS
    • Power Tools and Portable Equipment
    • Personal Digital Assistants
    • Handheld Terminals
    • Industrial and Medical Equipment
    • Netbooks, Mobile Internet Devices, and
      Ultramobile PCs

All other trademarks are the property of their respective owners

Description

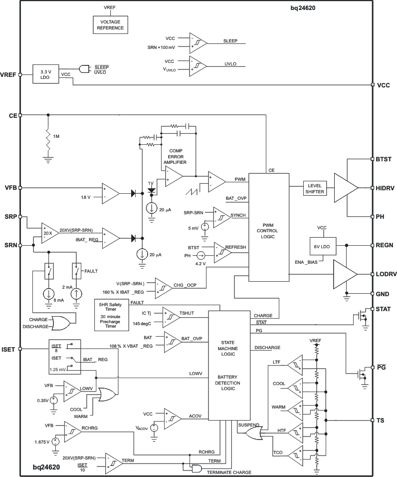
The bq24620 device is a highly integrated lithium phosphate switched-mode battery charge controller. The device offers a constant-frequency synchronous switching PWM controller with high-accuracy charge current and voltage regulation, charge preconditioning, termination, and charge status monitoring.

The bq24620 charges the battery in three phases: preconditioning, constant current, and constant voltage.

The bq24620 device is a highly integrated lithium phosphate switched-mode battery charge controller. The device offers a constant-frequency synchronous switching PWM controller with high-accuracy charge current and voltage regulation, charge preconditioning, termination, and charge status monitoring.

The bq24620 charges the battery in three phases: preconditioning, constant current, and constant voltage.

Subscribe to Welllinkchips !
Your Name
* Email
Submit a request