0
BQ24232HA
  • BQ24232HA
  • BQ24232HA

BQ24232HA

ACTIVE

USB Friendly 0.5A Li-ion charger with power-Path, 10.5V OVP

Texas Instruments BQ24232HA Product Info

1 April 2026 0

Parameters

Rating

Catalog

Number of series cells

1

Cell chemistry

Li-Ion/Li-Polymer

Charge current (max) (A)

0.5

Features

BAT temp thermistor monitoring (hot/cold profile), Input OVP, Power Path

Vin (min) (V)

4.35

Vin (max) (V)

10.2

Absolute max Vin (max) (V)

28

Control topology

Linear

Battery charge voltage (min) (V)

4.35

Battery charge voltage (max) (V)

4.35

Control interface

Standalone (RC-Settable)

Operating temperature range (°C)

-5 to 125

Package

VQFN (RGT)-16-9 mm² 3 x 3

Features

  • Fully Compliant USB Charger
    • Selectable 100-mA and 500-mA Maximum
      Input Current
    • 100-mA Maximum Current Limit Ensures
      Compliance to USB-IF Standard
    • Input-based Dynamic Power Management
      (VIN – DPM) for Protection Against Poor USB
      Sources
  • 28-V Input Rating With Overvoltage Protection
  • Integrated Dynamic Power-Path Management
    (DPPM) Function Simultaneously and
    Independently Powers the System and Charges
    the Battery
  • Supports up to 500-mA Charge Current With
    Current Monitoring Output (ISET)
  • Programmable Input Current Limit up to 500 mA
    for Wall Adapters
  • Programmable Termination Current
  • Programmable Precharge and Fast-Charge Safety
    Timers
  • Reverse Current, Short-Circuit, and Thermal
    Protection
  • NTC Thermistor Input
  • Proprietary Start-Up Sequence Limits Inrush
    Current
  • Status Indication – Charging/Done, Power Good
  • Small 3 mm × 3 mm 16-Lead QFN Package
  • Fully Compliant USB Charger
    • Selectable 100-mA and 500-mA Maximum
      Input Current
    • 100-mA Maximum Current Limit Ensures
      Compliance to USB-IF Standard
    • Input-based Dynamic Power Management
      (VIN – DPM) for Protection Against Poor USB
      Sources
  • 28-V Input Rating With Overvoltage Protection
  • Integrated Dynamic Power-Path Management
    (DPPM) Function Simultaneously and
    Independently Powers the System and Charges
    the Battery
  • Supports up to 500-mA Charge Current With
    Current Monitoring Output (ISET)
  • Programmable Input Current Limit up to 500 mA
    for Wall Adapters
  • Programmable Termination Current
  • Programmable Precharge and Fast-Charge Safety
    Timers
  • Reverse Current, Short-Circuit, and Thermal
    Protection
  • NTC Thermistor Input
  • Proprietary Start-Up Sequence Limits Inrush
    Current
  • Status Indication – Charging/Done, Power Good
  • Small 3 mm × 3 mm 16-Lead QFN Package

Description

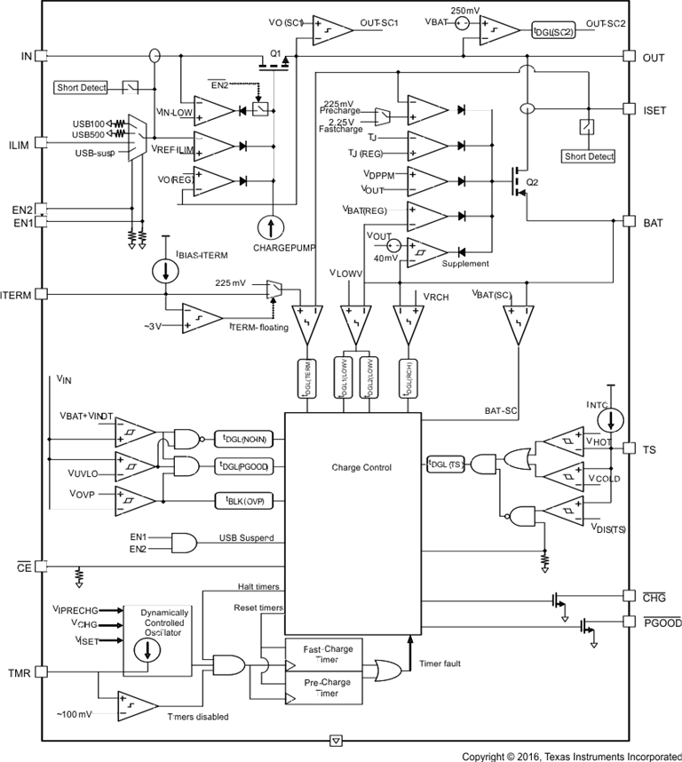
The bq24232HA device is a highly integrated Li-ion linear charger and system power-path management device targeted at space-limited portable applications. The device operates from either a USB port or ac adapter and supports charge currents between 25 mA and 500 mA. The high-input-voltage range with input overvoltage protection supports low-cost, unregulated adapters. The USB input current limit accuracy and start-up sequence allow the bq24232HA to meet USB-IF inrush current specification. Additionally, the input dynamic power management (VIN – DPM) prevents the charger from crashing poorly designed or incorrectly configured USB sources.

The bq24232HA features dynamic power-path management (DPPM) that powers the system while simultaneously and independently charging the battery. The DPPM circuit reduces the charge current when the input current limit causes the system output to fall to the DPPM threshold, thus supplying the system load at all times while monitoring the charge current separately. This feature reduces the number of charge and discharge cycles on the battery, allows for proper charge termination, and enables the system to run with a defective or absent battery pack. Additionally, this enables instant system turn-on even with a totally discharged battery. The power-path management architecture also permits the battery to supplement the system current requirements when the adapter cannot deliver the peak system currents, enabling the use of a smaller adapter.

The battery is charged in three phases: conditioning, constant current, and constant voltage. In all charge phases, an internal control loop monitors the IC junction temperature and reduces the charge current if the internal temperature threshold is exceeded.

The charger power stage and charge current sense functions are fully integrated. The charger function has high-accuracy current and voltage regulation loops, charge status display, and charge termination. The input current limit and charge current are programmable using external resistors.

The bq24232HA device is a highly integrated Li-ion linear charger and system power-path management device targeted at space-limited portable applications. The device operates from either a USB port or ac adapter and supports charge currents between 25 mA and 500 mA. The high-input-voltage range with input overvoltage protection supports low-cost, unregulated adapters. The USB input current limit accuracy and start-up sequence allow the bq24232HA to meet USB-IF inrush current specification. Additionally, the input dynamic power management (VIN – DPM) prevents the charger from crashing poorly designed or incorrectly configured USB sources.

The bq24232HA features dynamic power-path management (DPPM) that powers the system while simultaneously and independently charging the battery. The DPPM circuit reduces the charge current when the input current limit causes the system output to fall to the DPPM threshold, thus supplying the system load at all times while monitoring the charge current separately. This feature reduces the number of charge and discharge cycles on the battery, allows for proper charge termination, and enables the system to run with a defective or absent battery pack. Additionally, this enables instant system turn-on even with a totally discharged battery. The power-path management architecture also permits the battery to supplement the system current requirements when the adapter cannot deliver the peak system currents, enabling the use of a smaller adapter.

The battery is charged in three phases: conditioning, constant current, and constant voltage. In all charge phases, an internal control loop monitors the IC junction temperature and reduces the charge current if the internal temperature threshold is exceeded.

The charger power stage and charge current sense functions are fully integrated. The charger function has high-accuracy current and voltage regulation loops, charge status display, and charge termination. The input current limit and charge current are programmable using external resistors.

Subscribe to Welllinkchips !
Your Name
* Email
Submit a request