0
AMC23C12
  • AMC23C12
  • AMC23C12
  • AMC23C12
  • AMC23C12

AMC23C12

ACTIVE

Fast-response, reinforced, isolated window comparator with adjustable threshold and latch function

Texas Instruments AMC23C12 Product Info

1 April 2026 1

Parameters

Number of channels

1

Output type

Open-drain

Propagation delay time (µs)

0.29

CMTI (min) (kV/µs)

55

Rating

Catalog

Operating temperature range (°C)

-40 to 125

Isolation rating

Reinforced

Withstand isolation voltage (VISO) (Vrms)

5000

Transient isolation voltage (VIOTM) (VPK)

7070

Working isolation voltage (VIOWM) (Vrms)

750

Creepage (min) (mm)

8.5

Clearance (min) (mm)

8.5

Package

SOIC (DWV)-8-67.275 mm² 5.85 x 11.5

Features

  • Wide high-side supply range: 3V to 27V
  • Low-side supply range: 2.7V to 5.5V
  • Adjustable threshold:
    • Window-comparator mode: ±20mV to ±300mV
    • Positive-comparator mode: 600mV to 2.7V
  • Reference current for threshold adjustment: 100µA, ±1%
  • Trip threshold error: ±1% (max) at 250mV
  • Open-drain output with optional latch mode
  • Propagation delay: 280ns (typ)
  • High CMTI: 55V/ns (min)
  • Safety-related certifications:
    • 7000VPK reinforced isolation per DIN EN IEC 60747-17 (VDE 0884-17)
    • 5000VRMS isolation for 1 minute per UL1577
  • Fully specified over the extended industrial temperature range: –40°C to +125°C
  • Wide high-side supply range: 3V to 27V
  • Low-side supply range: 2.7V to 5.5V
  • Adjustable threshold:
    • Window-comparator mode: ±20mV to ±300mV
    • Positive-comparator mode: 600mV to 2.7V
  • Reference current for threshold adjustment: 100µA, ±1%
  • Trip threshold error: ±1% (max) at 250mV
  • Open-drain output with optional latch mode
  • Propagation delay: 280ns (typ)
  • High CMTI: 55V/ns (min)
  • Safety-related certifications:
    • 7000VPK reinforced isolation per DIN EN IEC 60747-17 (VDE 0884-17)
    • 5000VRMS isolation for 1 minute per UL1577
  • Fully specified over the extended industrial temperature range: –40°C to +125°C

Description

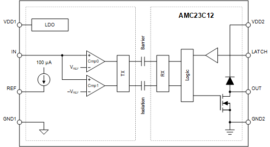
The AMC23C12 is an isolated window comparator with a short response time. The open-drain output is separated from the input circuitry by an isolation barrier that is highly resistant to magnetic interference. This barrier is certified to provide reinforced galvanic isolation of up to 5kVRMS according to VDE 0884-17 and UL1577, and supports a working voltage of up to 1kVRMS.

The comparison window is centered around 0V, meaning that the comparator trips if the absolute value of the input voltage exceeds the trip threshold value. The trip threshold is adjustable from 20mV to 300mV through a single external resistor and, therefore, the comparison window ranges from ±20mV to ±300mV. When the voltage on the REF pin is greater than 550mV, the negative comparator is disabled and only the positive comparator is functional. The reference voltage in this mode ranges as high as 2.7V. This mode is particularly useful for monitoring voltage supplies.

The open-drain output on the device supports transparent mode (LATCH input tied to GND2) where the output follows the input state, or latch mode, where the output is cleared on the falling edge of the latch input signal.

The AMC23C12 is available in an 8-pin, wide-body SOIC package and is specified over the full automotive temperature range of –40°C to +125°C.

The AMC23C12 is an isolated window comparator with a short response time. The open-drain output is separated from the input circuitry by an isolation barrier that is highly resistant to magnetic interference. This barrier is certified to provide reinforced galvanic isolation of up to 5kVRMS according to VDE 0884-17 and UL1577, and supports a working voltage of up to 1kVRMS.

The comparison window is centered around 0V, meaning that the comparator trips if the absolute value of the input voltage exceeds the trip threshold value. The trip threshold is adjustable from 20mV to 300mV through a single external resistor and, therefore, the comparison window ranges from ±20mV to ±300mV. When the voltage on the REF pin is greater than 550mV, the negative comparator is disabled and only the positive comparator is functional. The reference voltage in this mode ranges as high as 2.7V. This mode is particularly useful for monitoring voltage supplies.

The open-drain output on the device supports transparent mode (LATCH input tied to GND2) where the output follows the input state, or latch mode, where the output is cleared on the falling edge of the latch input signal.

The AMC23C12 is available in an 8-pin, wide-body SOIC package and is specified over the full automotive temperature range of –40°C to +125°C.

Subscribe to Welllinkchips !
Your Name
* Email
Submit a request