0
ADC3683-SEP
  • ADC3683-SEP
  • ADC3683-SEP
  • ADC3683-SEP

ADC3683-SEP

ACTIVE

Radiation-tolerant, 30krad, 18bit, 65MSPS, dual-channel low power ADC

Texas Instruments ADC3683-SEP Product Info

1 April 2026 0

Parameters

Sample rate (max) (Msps)

65

Resolution (Bits)

18

Number of input channels

2

Interface type

Serial LVDS

Analog input BW (MHz)

200

Features

Bypass Mode, Decimating Filter, Differential Inputs, Dual Channel, High Dynamic Range, High Performance, Internal Reference, LVDS interface, Low Power, Low latency

Rating

Space

Peak-to-peak input voltage range (V)

3.2

Power consumption (typ) (mW)

186

Architecture

SAR

SNR (dB)

83.8

ENOB (Bits)

13.7

SFDR (dB)

89

Operating temperature range (°C)

-55 to 105

Input buffer

No

Radiation, TID (typ) (krad)

30

Radiation, SEL (MeV·cm2/mg)

43

Package

WQFN (RSB)-40-25 mm² 5 x 5

Features

  • Radiation tolerant (-SEP only):
    • Single-event latch-up (SEL) immune up to LET = 43 MeV-cm2/mg
    • Single-event functional interrupt (SEFI) characterized up to LET = 43 MeV-cm2/mg
    • Total ionizing dose (TID): 30 krad(Si)
  • Enhanced product (-EP and -SEP):
    • Meets ASTM E595 outgassing specification
    • Vendor item drawing (VID)
    • Temperature range: –55°C to 105°C
    • One fabrication, assembly, and test site
    • Gold bond wire, NiPdAu lead finish
    • Wafer lot traceability
    • Extended product life cycle
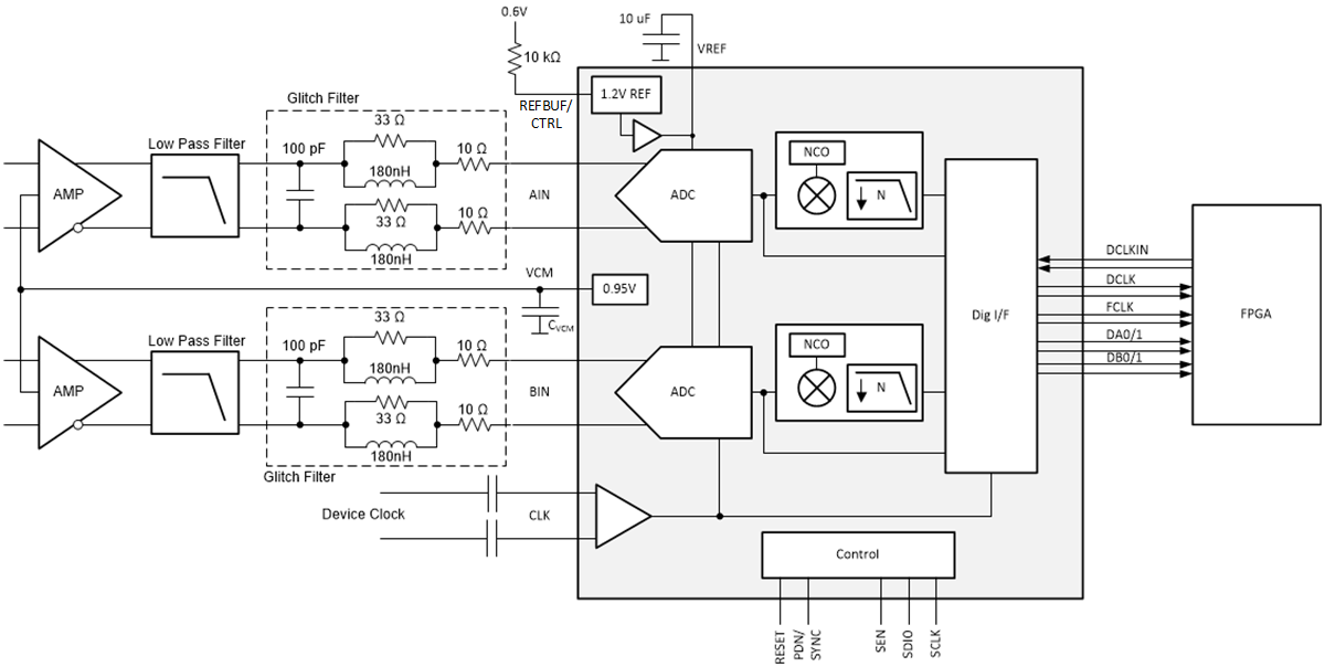
  • Dual channel, 65 MSPS ADC
  • 18-bit resolution (no missing codes)
  • Noise floor: -160 dBFS/Hz
  • Low power 94 mW/ch (at 65MSPS)
  • Latency: 1-2 clock cycles
  • INL: ±7, DNL: ±0.7 LSB (typical)
  • Reference options: external or internal
  • On-chip DSP (optional/bypassable)
    • Decimation by 2, 4, 8, 16, 32
    • 32-bit NCO
  • Serial LVDS digital interface (2-, 1- and 1/2-wire)
  • Small footprint: 40-QFN (5x5 mm) package
  • Spectral performance (fIN = 5MHz):
    • SNR: 83.8dBFS
    • SFDR: 89dBc HD2, HD3
    • SFDR: 101dBFS Worst spur
  • Radiation tolerant (-SEP only):
    • Single-event latch-up (SEL) immune up to LET = 43 MeV-cm2/mg
    • Single-event functional interrupt (SEFI) characterized up to LET = 43 MeV-cm2/mg
    • Total ionizing dose (TID): 30 krad(Si)
  • Enhanced product (-EP and -SEP):
    • Meets ASTM E595 outgassing specification
    • Vendor item drawing (VID)
    • Temperature range: –55°C to 105°C
    • One fabrication, assembly, and test site
    • Gold bond wire, NiPdAu lead finish
    • Wafer lot traceability
    • Extended product life cycle
  • Dual channel, 65 MSPS ADC
  • 18-bit resolution (no missing codes)
  • Noise floor: -160 dBFS/Hz
  • Low power 94 mW/ch (at 65MSPS)
  • Latency: 1-2 clock cycles
  • INL: ±7, DNL: ±0.7 LSB (typical)
  • Reference options: external or internal
  • On-chip DSP (optional/bypassable)
    • Decimation by 2, 4, 8, 16, 32
    • 32-bit NCO
  • Serial LVDS digital interface (2-, 1- and 1/2-wire)
  • Small footprint: 40-QFN (5x5 mm) package
  • Spectral performance (fIN = 5MHz):
    • SNR: 83.8dBFS
    • SFDR: 89dBc HD2, HD3
    • SFDR: 101dBFS Worst spur

Description

The ADC3683-xEP uses a serial LVDS (SLVDS) interface to output the data which minimizes the number of digital interconnects. The device supports two-lane, one-lane and half-lane options. The device is available in a 40-pin QFN package (5 mm x 5 mm) and supports the extended temperature range from -55 to +105⁰C

The ADC3683-xEP uses a serial LVDS (SLVDS) interface to output the data which minimizes the number of digital interconnects. The device supports two-lane, one-lane and half-lane options. The device is available in a 40-pin QFN package (5 mm x 5 mm) and supports the extended temperature range from -55 to +105⁰C

Subscribe to Welllinkchips !
Your Name
* Email
Submit a request