0
ADC10738
  • ADC10738
  • ADC10738
  • ADC10738

ADC10738

ACTIVE

10-Bit Plus Sign Serial I/O A/D Converters with Mux, Sample/Hold and Reference Key Specifications Key Specifications

Texas Instruments ADC10738 Product Info

1 April 2026 0

Parameters

Resolution (Bits)

10

Sample rate (max) (ksps)

74

Number of input channels

8

Interface type

Microwire (Serial I/O), SPI

Architecture

SAR

Input type

Differential, Single-ended

Multichannel configuration

Multiplexed

Rating

Catalog

Reference mode

External, Internal

Input voltage range (max) (V)

5.5

Input voltage range (min) (V)

0

Operating temperature range (°C)

-40 to 85

Power consumption (typ) (mW)

18

Analog supply voltage (min) (V)

4.5

Analog supply voltage (max) (V)

5.5

Digital supply (min) (V)

4.5

Digital supply (max) (V)

5.5

Package

SOIC (DW)-24-159.65 mm² 15.5 x 10.3

Features

  • 0V to Analog Supply Input Range
  • Serial I/O (MICROWIRE Compatible)
  • Software or Hardware Power Down
  • Analog Input Sample/Hold Function
  • Ratiometric or Absolute Voltage Referencing
  • No Zero or Full Scale Adjustment Required
  • No Missing Codes Over Temperature
  • TTL/CMOS Input/Output Compatible

Key Specifications

  • Resolution 10 Bits Plus Sign
  • Single Supply 5 V
  • Power Consumption 37 mW (Max)
  • In Power Down Mode 18 μW
  • Conversion Time 5 μs (Max)
  • Sampling Rate 74 kHz (Max)
  • Band-Gap Reference 2.5V ±2% (Max)

All trademarks are the property of their respective owners.

  • 0V to Analog Supply Input Range
  • Serial I/O (MICROWIRE Compatible)
  • Software or Hardware Power Down
  • Analog Input Sample/Hold Function
  • Ratiometric or Absolute Voltage Referencing
  • No Zero or Full Scale Adjustment Required
  • No Missing Codes Over Temperature
  • TTL/CMOS Input/Output Compatible

Key Specifications

  • Resolution 10 Bits Plus Sign
  • Single Supply 5 V
  • Power Consumption 37 mW (Max)
  • In Power Down Mode 18 μW
  • Conversion Time 5 μs (Max)
  • Sampling Rate 74 kHz (Max)
  • Band-Gap Reference 2.5V ±2% (Max)

All trademarks are the property of their respective owners.

Description

The ADC10731, ADC10732 and ADC10734 are obsolete or on lifetime buy and included for reference only.

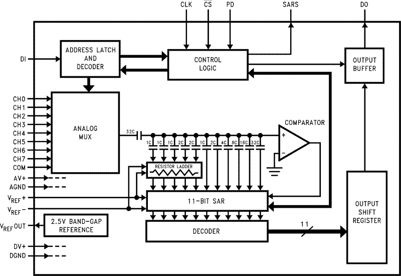
This series of CMOS 10-bit plus sign successive approximation A/D converters features versatile analog input multiplexers, sample/hold and a 2.5V band-gap reference. The 1-, 2-, 4-, or 8-channel multiplexers can be software configured for single-ended or differential mode of operation.

An input sample/hold is implemented by a capacitive reference ladder and sampled-data comparator. This allows the analog input to vary during the A/D conversion cycle.

In the differential mode, valid outputs are obtained even when the negative inputs are greater than the positive because of the 10-bit plus sign output data format.

The serial I/O is configured to comply with the MICROWIRE serial data exchange standard for easy interface to the COPS and HPC families of controllers, and can easily interface with standard shift registers and microprocessors.

The ADC10731, ADC10732 and ADC10734 are obsolete or on lifetime buy and included for reference only.

This series of CMOS 10-bit plus sign successive approximation A/D converters features versatile analog input multiplexers, sample/hold and a 2.5V band-gap reference. The 1-, 2-, 4-, or 8-channel multiplexers can be software configured for single-ended or differential mode of operation.

An input sample/hold is implemented by a capacitive reference ladder and sampled-data comparator. This allows the analog input to vary during the A/D conversion cycle.

In the differential mode, valid outputs are obtained even when the negative inputs are greater than the positive because of the 10-bit plus sign output data format.

The serial I/O is configured to comply with the MICROWIRE serial data exchange standard for easy interface to the COPS and HPC families of controllers, and can easily interface with standard shift registers and microprocessors.

Subscribe to Welllinkchips !
Your Name
* Email
Submit a request