0
MX7543
  • MX7543

MX7543

PRODUCTION

CMOS, 12-Bit, Serial-Input DAC

Analog Devices MX7543 Product Info

10 February 2026 8

Features

  • Serial Interface
  • ±½ and ±1 LSB Linearity
  • CLEAR Input For Initialization
  • Single +5V Supply Operation
  • 5 ppm/°C Gain Stability
  • 1 LSB Max. Feedthrough At 10kHz
  • Small Size: 16-Lead DIP

Part details & applications

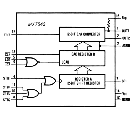
The MX7543 is a high precision 12-bit digital-to-analog converter (DAC) which uses a serial rather than parallel input scheme for loading data. Included are a serial-to-parallel shift register, a separate DAC register, and a multiplying DAC. Serial data is clocked in at the SRI pin on the rising or failing edge (user selected) of the strobe input. When the input register is full, the contents are transferred to the DAC register using the load input. A clear input is provided to initialize the part asynchronously. The MX7543 features excellent gain stability (5 ppm/°C max.) and operates from a single +5V power supply while dissipating about 10mW.

Applications

  • Auto-Calibration Systems
  • Automatic Test Equipment
  • Programmable Attenuators
  • Remote Analog Systems
  • Robotics

Subscribe to Welllinkchips !
Your Name
* Email
Submit a request