0
MAX9994
  • MAX9994

MAX9994

PRODUCTION

SiGe High-Linearity, 1400MHz to 2200MHz Downconversion Mixer with LO Buffer/Switch Lowest Noise, Highest Linearity, 1400MHz to 2200MHz SiGe Downconversion Mixer for 2.5G, 3G, and 4G Base Stations

Analog Devices MAX9994 Product Info

10 February 2026 9

Features

  • 1400MHz to 2200MHz RF Frequency Range
  • 1400MHz to 2000MHz LO Frequency Range (MAX9994)
  • 1900MHz to 2400MHz LO Frequency Range (MAX9996)
  • 40MHz to 350MHz IF Frequency Range
  • 8.3dB Conversion Gain
  • +26.2dBm Input IP3
  • +12.6dBm Input 1dB Compression Point
  • 9.7dB Noise Figure
  • 67dBc 2RF - 2LO Spurious Rejection at PRF = -10dBm
  • Integrated LO Buffer
  • Integrated RF and LO Baluns for Single-Ended Inputs
  • Low -3dBm to +3dBm LO Drive
  • Built-In SPDT LO Switch with 45dB LO1 to LO2 Isolation and 50ns Switching Time
  • Pin Compatible with the MAX9984/MAX9986 815MHz to 995MHz Mixers
  • Functionally Compatible with the MAX9993
  • External Current-Setting Resistors Provide Option for Operating Mixer in Reduced Power/Reduced Performance Mode

Part details & applications

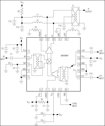
The MAX9994 high-linearity downconversion mixer provides 8.3dB gain, +26.2dBm IIP3, and 9.7dB NF for 1400MHz to 2200MHz UMTS/WCDMA, DCS, and PCS base-station receiver applications. With a wide LO range of 1400MHz to 2000MHz, the MAX9994 can be used in either high-side or low-side LO injection architectures, depending on the RF band of interest. Higher LO applications are supported by the MAX9996, which is pin-pin and functionally compatible with the MAX9994.

In addition to offering excellent linearity and noise performance, the MAX9994 also yields a high level of component integration. This device includes a double-balanced passive mixer core, an IF amplifier, a dual-input LO selectable switch, and an LO buffer. On-chip baluns are also integrated to allow for single-ended RF and LO inputs. The MAX9994 requires a nominal LO drive of 0dBm, and supply current is guaranteed to be below 235mA.

The MAX9994/MAX9996 are pin compatible with the MAX9984/MAX9986 815MHz to 995MHz mixers, making this entire family of downconverters ideal for applications where a common PC board layout is used for both frequency bands. The MAX9994 is also functionally compatible with the MAX9993.

The MAX9994 is available in a compact, 20-pin, thin QFN package (5mm x 5mm) with an exposed pad. Electrical performance is guaranteed over the extended -40°C to +85°C temperature range.

Applications

  • cdmaOne™ and cdma2000® Base Stations
  • DCS1800/PCS1900 EDGE Base Stations
  • Digital and Spread-Spectrum Communication Systems
  • Fixed Broadband Wireless Access
  • Microwave Links
  • Military Systems
  • PHS/PAS Base Stations
  • Predistortion Receivers
  • Private Mobile Radios (PMRs)
  • TD-SCDMA/TD-LTE Base Stations
  • UMTS/LTE Base Stations
  • Wireless Local Loop (WLL)

Subscribe to Welllinkchips !
Your Name
* Email
Submit a request