0
MAX9984
  • MAX9984

MAX9984

PRODUCTION

SiGe High-Linearity, 400MHz to 1000MHz Downconversion Mixer with LO Buffer/Switch

Analog Devices MAX9984 Product Info

10 February 2026 14

Features

  • 400MHz to 1000MHz RF Frequency Range†
  • 325MHz to 850MHz LO Frequency Range† (MAX9984)
  • 960MHz to 1180MHz LO Frequency Range (MAX9986)
  • 50MHz to 250MHz IF Frequency Range
  • 8.1dB Conversion Gain
  • +25dBm Input IP3
  • +13dBm Input 1dB Compression Point
  • 9.3dB Noise Figure
  • 71dBc 2RF-2LO Spurious Rejection at PRF = -10dBm
  • Integrated LO Buffer
  • Integrated RF and LO Baluns for Single-Ended Inputs
  • Low -3dBm to +3dBm LO Drive
  • Built-In SPDT LO Switch with 54dB LO1 to LO2 Isolation and 50ns Switching Time
  • Pin Compatible with MAX9994/MAX9996 1700MHz to 2200MHz Mixers
  • Functionally Compatible with MAX9993
  • External Current-Setting Resistors Provide Option for Operating Mixer in Reduced Power/Reduced Performance Mode
  • Lead-Free Package Available
  • Part details & applications

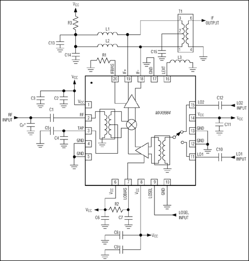
    The MAX9984 high-linearity downconversion mixer provides 8.1dB gain, +25dBm IIP3, and 9.3dB NF for 400MHz to 1000MHz base-station receiver applications†. With an optimized 570MHz to 850MHz LO frequency range, this particular mixer is ideal for low-side LO injection receiver architectures in the cellular band. High-side LO injection is supported by the MAX9986, which is pin-for-pin and functionally compatible with the MAX9984.

    In addition to offering excellent linearity and noise performance, the MAX9984 also yields a high level of component integration. This device includes a double-balanced passive mixer core, an IF amplifier, a dual-input LO selectable switch, and an LO buffer. On-chip baluns are also integrated to allow for single-ended RF and LO inputs. The MAX9984 requires a nominal LO drive of 0dBm, and supply current is guaranteed to be below 265mA.

    The MAX9984/MAX9986 are pin compatible with the MAX9994/MAX9996 1700MHz to 2200MHz mixers, making this entire family of downconverters ideal for applications where a common PC board layout is used for both frequency bands. The MAX9984 is also functionally compatible with the MAX9993.

    The MAX9984 is available in a compact, 20-pin, thin QFN package (5mm x 5mm) with an exposed paddle. Electrical performance is guaranteed over the extended -40°C to +85°C temperature range.

    Applications

    • 400MHz to 700MHz OFDM/WiMAX CPE and Base-Station Equipment
    • 850MHz WCDMA Base Stations
    • Digital and Spread-Spectrum Communication Systems
    • Fixed Broadband Wireless Access
    • GSM 850/GSM 900 2G and 2.5G EDGE Base Stations
    • iDEN® Base Stations
    • Microwave Links
    • Military Systems
    • Predistortion Receivers
    • Private Mobile Radios (PM

    Subscribe to Welllinkchips !
    Your Name
    * Email
    Submit a request