0
MAX9979
  • MAX9979

MAX9979

PRODUCTION

Dual 1.1Gbps Pin Electronics with Integrated PMU and Level-Setting DACs Integrates Levels, Active Load, Driver, Comparator, and Switches, While Maintaining Discrete Device Performance

Analog Devices MAX9979 Product Info

10 February 2026 15

Features

  • High Speed: 1.1Gbps at 1VP-P
  • Extremely Low Power Dissipation: 1.2W/Channel (Active Load Disabled)
  • Wide Voltage Range: -1.5V to +6.5V and Up to 13V VHH
  • Wide Voltage Swing Range: 50mVP-P to 13VP-P
  • Low-Leak Mode: 10nA max
  • Integrated Termination-on-the-Fly (3rd-Level Drive)
  • Integrated VHH High Voltage (4th-Level Drive)
  • Integrated Voltage Clamps
  • Integrated 20mA Active Load
  • Integrated Per-Pin PMU
  • Integrated Level-Setting CALDACs
  • Programmable Cable-Droop Compensation for Both Driver Output and Comparator Input
  • Programmable Driver Output Impedance
  • Four Slew-Rate Settings for Driver Output
  • Analog Measure Bus
  • Very Low Timing Dispersion
  • Minimal External Component Count
  • SPI-Compatible Serial Control Interface
  • 68-Pin Thermally Enhanced TQFN Package with Top-Side Heat Removal

Part details & applications

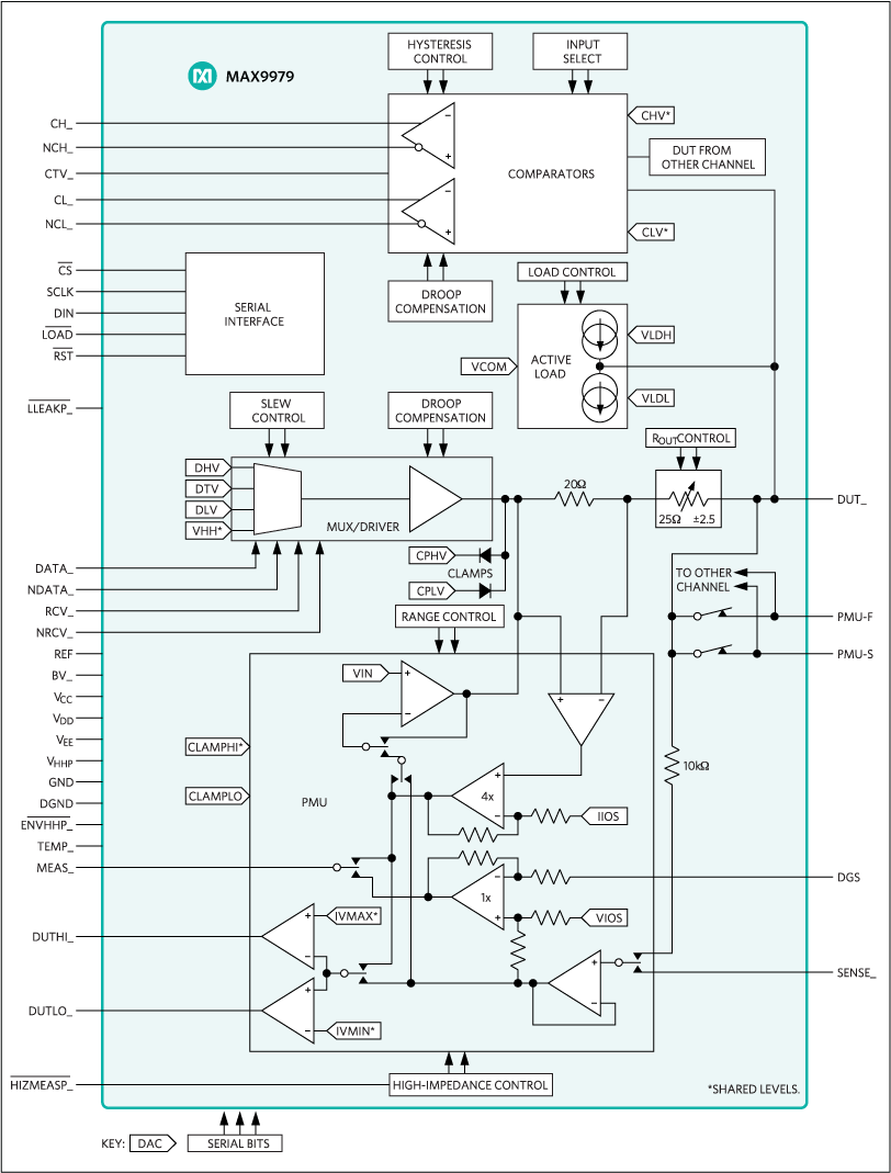
The MAX9979 fully integrated, high-performance, dual-channel pin electronics integrates multiple automatic test equipment (ATE) functions into a single IC, including driver/comparator/load (DCL), parametric measurement unit (PMU), and built-in (16-bit) level-setting digital-to-analog converters (DACs). The device is ideal for memory and SOC tester applications. Each channel includes a four-level pin driver, window comparator, differential comparator, dynamic clamps, a versatile PMU, an active load, a high-voltage (VHH) programmable level, and 14 independent level-setting DACs. The MAX9979 features programmable cable-droop compensation for the driver output and for the comparator input, adjustable driver output resistance that allows optimal performance over typical data-path transmission-line variations, slew-rate adjustment, and a programmable high-voltage driver output.

The MAX9979 driver features a wide 8V (-1.5V to +6.5V) high-speed operating voltage range and a VHH programmable range of up to +13V. Operation modes include high-impedance, active-termination (3rd-level drive) and VHH (4th-level drive) modes. The device is highly linear even at low voltage swings. The driver provides high-speed differential control inputs compatible with most high-speed logic families. The window comparators provide extremely low timing variation over changes in slew rate, pulse width, and overdrive voltage. In high-impedance mode, the MAX9979 features dynamic clamps that dampen high-speed device-under-test (DUT) waveforms. The 20mA active load facilitates fast contact testing when used in conjunction with the comparators, and functions as a pullup/pulldown for open-drain/collector DUT outputs. The PMU offers five current ranges from ±2µA to ±50mA and can force and measure current or voltage. An SPI™-compatible serial interface configures the MAX9979.

The MAX9979 is available in a small footprint,

Subscribe to Welllinkchips !
Your Name
* Email
Submit a request