0
MAX9967
  • MAX9967

MAX9967

PRODUCTION

Dual, Low-Power, 500Mbps ATE Driver/Comparator with 35mA Load

Analog Devices MAX9967 Product Info

10 February 2026 7

Features

  • Low Power Dissipation: 1.15W/Channel (typ)
  • High Speed: 500Mbps at 3VP-P
  • Programmable 35mA Active-Load Current
  • Low Timing Dispersion
  • Wide -1.5V to +6.5V Operating Range
  • Active Termination (3rd-Level Drive)
  • Low Leakage Mode: 60nA
  • Integrated Clamps
  • Interfaces Easily with Most Logic Families
  • Integrated PMU Connection
  • Digitally Programmable Slew Rate
  • Internal Termination Resistors
  • Low Gain and Offset Error
  • Part details & applications

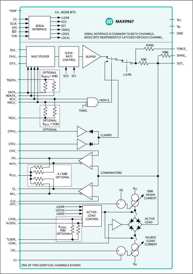
    The MAX9967 dual, low-power, high-speed, pin electronics driver/comparator/load (DCL) IC includes, for each channel, a three-level pin driver, a dual comparator, variable clamps, and an active load. The driver features a wide voltage range and high-speed operation, includes high-impedance and active-termination (3rd-level drive) modes, and is highly linear even at low-voltage swings. The dual comparator provides low dispersion (timing variation) over a wide variety of input conditions. The clamps provide damping of high-speed device-undertest (DUT) waveforms when the device is configured as a high-impedance receiver. The programmable load supplies up to 35mA of source and sink current. The load facilitates contact/continuity testing, at-speed parametric testing of IOH and IOL, and pullup of high-output-impedance devices.

    The MAX9967A provides tight matching of gain and offset for the drivers, and offset for the comparators and active load, allowing reference levels to be shared across multiple channels in cost-sensitive systems. Use the MAX9967B for system designs that incorporate independent reference levels for each channel.

    The MAX9967 provides high-speed, differential control inputs with optional internal termination resistors that are compatible with ECL, LVPECL, LVDS, and GTL. ECL/LVPECL or flexible open-collector outputs with optional internal pullup resistors are available for the comparators. These features significantly reduce the discrete component count on the circuit board.

    A 3-wire, low-voltage, CMOS-compatible serial interface programs the low-leakage, slew-rate limit, and tristate/ terminate operational configurations of the MAX9967.

    The MAX9967's operating range is -1.5V to +6.5V with

    Subscribe to Welllinkchips !
    Your Name
    * Email
    Submit a request