0
MAX876
  • MAX876

MAX876

PRODUCTION

Low-Power, Low-Drift, +2.5V/+5V/+10V Precision Voltage Reference

Analog Devices MAX876 Product Info

10 February 2026 7

Features

  • MAX873/MAX875/MAX876
    • +2.5V/+5V/+10V Outputs
    • ±1.5mV/±2.0mV/±3.0mV (max) Initial Accuracy
  • 7ppm/°C (max) Temperature Coefficient
  • 450µA (max) Quiescent Current
  • Low Noise: 3.8µVP-P (typ at 2.5V)
  • Sources 10mA, Sinks 2mA
  • 15ppm/mA Load Regulation (max)
  • 4ppm/V Line Regulation (max)
  • Wide Supply Voltage Range, +4.5V to +18V (MAX873)
  • TEMP Output Proportional to Temperature

Part details & applications

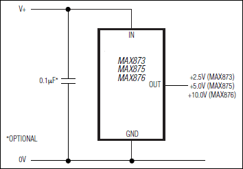
The MAX873/MAX875/MAX876 precision 2.5V, 5V, and 10V references offer excellent accuracy and very low power consumption. Extremely low temperature drift combined with excellent line and load regulation permit stable operation over a wide range of electrical and environmental conditions. Operation for the MAX873 is guaranteed with a +4.5V supply, making the part ideal in systems running from a +5V ±10% supply. Low 10Hz to 1kHz noise—typically 3.8µVRMS, 9µVRMS, and 18µVRMS, respectively, for the MAX873, MAX875, MAX876—make the parts suitable for 12-bit data-acquisition systems.

A TRIM pin facilitates adjustment of the reference voltage over a ±6% range, using only a 100kΩ potentiometer. A voltage output proportional to temperature provides a source for temperature compensation circuits, temperature warning circuits, and other applications.

Applications

  • 12-Bit ADCs and DACs
  • Digital Multimeters
  • Low-Power Test Equipment
  • Portable Data-Acquisition Systems

Subscribe to Welllinkchips !
Your Name
* Email
Submit a request